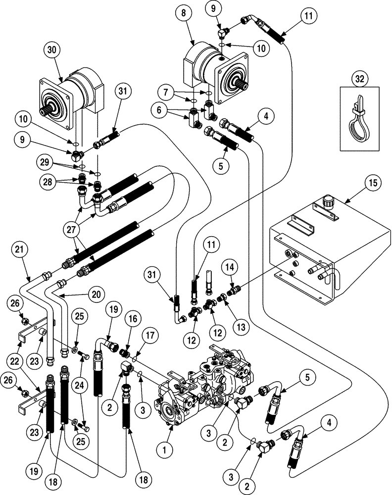
Запчасти Case 6010 (06-02) - HYDROSTATIC SYSTEM - MOTORS (29) - HYDROSTATIC DRIVE

Схема запчастей Case 6010 - (06-02) - HYDROSTATIC SYSTEM - MOTORS (29) - HYDROSTATIC DRIVE
31
28
13
11
32
15
1
12
14
16
22
29
23
26
18
4
2
6
11
25
8
9
5
18
10
3
26
27
2
17
2
20
30
3
7
24
12
15
19
23
3
19
4
21
31
25
9
FIT
1:1
100%

Артикул

Название

Примечание

Количество

1

339407A2

PUMP

Tandem Piston, See figures 6-04 - 6-06

1шт.

326-824

BOLT,Hex, 1/2" - 13 x 1-1/2", Gr 8

2шт.

2

218-5118

ELBOW,90 Degree Elbow, 1-1/16" - 12 Male JIC x 1-5/16" - 12 Male ORB

Includes: 3

3шт.

3

237-6016

O-RING,0.116" Thk x 1.171" ID, -916, Cl 6, 90 Duro

1шт.

4

356019A1

HOSE ASSY.

3110 mm (122-1/2 in), Tandem Pump A Port to Thrust/Pullback Motor B Port

1шт.

5

356020A1

HOSE ASSY.

3265 mm (128-9/16 in), Tandem Pump B Port to Thrust/Pullback Motor A Port

1шт.

6

218-5553

ELBOW,90 Degree Elbow, 1-1/16" - 12 Male JIC x 1-1/16" - 12 Male ORB

90° 1-1/6 fl x or, Includes: 7

2шт.

7

237-6012

O-RING,0.116" Thk x 0.924" ID, -912, Cl 6, 90 Duro

1шт.

8

308606A3

MOTOR, HYDRAULIC

Thrust/Pullback

1шт.

413-1052

BOLT,Hex, 5/8" - 11 x 3-1/4", Gr 5

5/8 x 3-1/4

4шт.

231-14410

NUT,5/8"-11, GB

4шт.

9

218-5105

ELBOW,90 Degree Elbow, 9/16" - 18 Male JIC x 9/16" - 18 Male ORB

Includes 10

2шт.

11

356022A1

HOSE ASSY.

3910 mm (153-15/16 in), Thrust/Pullback Motor Case, Serial Range: Drain-Reservoir

1шт.

12

218-5222

TEE,37 Degree, 9/16"-18, x 9/16"-18, Fem Sw Run

For Attaching Parts, See figure 8-02, Ref 16

2шт.

13

218-786

REDUCER,37 Degree, 3/4"-16, Fem x 9/16"-18 Male

1шт.

14

218-1025

HYD CONNECTOR,3/4"-16, 37 Degree x 3/4"-14, NPTF

3/4 fl x PT

1шт.

15

336493A2

TANK

Hydraulic Oil, See figure 8-10

1шт.

16

218-5077

HYD CONNECTOR,1-1/16" - 12 Male JIC x 1-5/16" - 12 Male ORB

Incl. 17

1шт.

17

237-6016

O-RING,0.116" Thk x 1.171" ID, -916, Cl 6, 90 Duro

1шт.

18

356025A1

HOSE ASSY.,19.05 mm ID x 1500.00 mm, SAE 12

Tandem Pump C Port to Tube for Rotation Motor B Port

1шт.

19

356026A1

HOSE ASSY.

1565 mm (61-5/8 in), Tandem Pump D Port to Tube for Rotation Motor A Port

1шт.

20

356753A1

TUBE

1шт.

21

356754A1

TUBE

1шт.

22

356938A1

BRACKET

Hose Retainer

2шт.

23

256690A1

SPACER

2шт.

24

433-632

CARRIAGE BOLT,Sq Nk, 3/8" - 16 x 2", Gr 5

2шт.

25

496-21041

WASHER,13/32" x 13/16" x .089", HDN

2шт.

26

231-1446

NUT,3/8" - 16, Gr 5

2шт.

27

356021A1

HOSE ASSY.

Rotation Motor A and B Ports to Hydraulic Tubes

2шт.

28

218-5064

HYD CONNECTOR,1-1/16" - 12 Male JIC x 1-1/16" - 12 Male ORB

Incl. 29

2шт.

29

237-6012

O-RING,0.116" Thk x 0.924" ID, -912, Cl 6, 90 Duro

1шт.

30

328148A1

MOTOR

Drill Rotation, See figure 6-08

1шт.

413-820

BOLT,Hex, 1/2" - 13 x 1-1/4", Gr 5

4шт.

496-21053

WASHER,17/32" x 1 1/16" x .134"

Hardened

4шт.

31

356023A1

HOSE ASSY.

6655 mm (262 in), Rotation Motor Case, Serial Range: Drain-Reservoir

1шт.

32

A169433

CABLE TIE,304.8mm L

12 in, Tie, Nylon

1шт.

10

237-6006

O-RING,0.078" Thk x 0.468" ID, -906, Cl 6, 90 Duro

1шт.

Выбрано товаров: 37