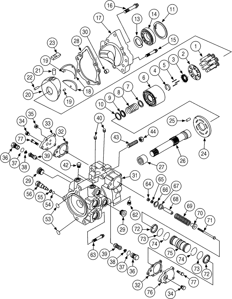
Запчасти Case 6010 (06-05) - PUMP, TANDEM PISTON - HYDROSTATIC, REAR PUMP (29) - HYDROSTATIC DRIVE

Схема запчастей Case 6010 - (06-05) - PUMP, TANDEM PISTON - HYDROSTATIC, REAR PUMP (29) - HYDROSTATIC DRIVE
9
67
44
3
53
34
72
34
39
65
36
30
14
42
19
43
16
5
64
18
24
75
17
21
32
71
35
37
25
54
76
40
77
31
68
62
37
33
7
69
73
28
72
1
29
29
19
56
74
22
15
2
23
13
63
10
70
55
39
4
8
26
36
6
74
20
32
27
11
77
38
66
38
73
FIT
1:1
100%

Артикул

Название

Примечание

Количество

339407A2

PUMP

Includes: 1 - 77, For Additional Parts, See figures 6-04, 6-06

1шт.

140008A1

GASKET KIT

Includes: 28, 32, 37, 53 - 55, 72 - 74, For Additional Parts, See figures 6-04, 6-06

1шт.

115952A2

CYLINDER BLOCK

Consists of: 1 - 10

1шт.

1

NSS

NOT SOLD SEPARAT

Piston

7шт.

2

NSS

NOT SOLD SEPARAT

Retainer

1шт.

3

115942A1

GUIDE

1шт.

4

115943A1

SNAP RING

ring, retaining

1шт.

5

110873A1

PIN,2.38mm OD x 33.53mm L

3шт.

6

115944A2

CYLINDER BLOCK

1шт.

7

115946A1

WASHER

washer

1шт.

8

115948A1

SPRING

1шт.

9

115950A1

WASHER

seat, spring

1шт.

10

NSS

NOT SOLD SEPARAT

Ring, Retaining

1шт.

11

103-21281

SNAP RING,66.92mm ID x 2.36mm W, Int

1шт.

13

100-11137

SNAP RING,#137, Ext

1шт.

14

A29183

BALL BEARING,34.99mm ID x 71.99mm OD x 16.94mm W

1шт.

15

223680A1

SPECIAL BOLT,Torx, 3/8"

3/8 in

1шт.

16

223677A1

SCREW,Torx, 7/16"

7/16 in, special

6шт.

17

H436705

COVER

1шт.

18

193488A1

BEARING LINER

2шт.

19

193494A1

PIN, ROLL

2шт.

178632A1

COVER

Consists of: 20 - 22

1шт.

20

NSS

NOT SOLD SEPARAT

Plate

1шт.

21

N13254

PIN

1шт.

22

38-11612

LOCK PIN,1/4" x 3/4", Slotted

replaces 138-130 1/4" x 3/4", Slotted

1шт.

23

N13224

SLEEVE

retainer

1шт.

24

128929A1

LARGE PLATE

PLATE, LARGE

1шт.

25

138-217

LOCK PIN,3/16" OD x 7/16" L, Slotted

1шт.

26

124175A1

SHAFT

1шт.

27

1277297C1

NEEDLE BEARING

1шт.

28

NSS

NOT SOLD SEPARAT

Gasket, Cover

1шт.

29

9841223

PLUG,1-1/16" - 12 ORB

2шт.

30

N13994

SPACER

1шт.

31

NSS

NOT SOLD SEPARAT

Housing

1шт.

32

NSS

NOT SOLD SEPARAT

Gasket, Cover

2шт.

33

H436065

COVER

1шт.

34

76349

PLUG,9/16" - 18 ORB

2шт.

35

N13260

NUT,Inverted Lock

5/8 NF, special

1шт.

H673227

VALVE

relief

2шт.

H673227

VALVE

relief, Consists of: 36 - 39

1шт.

36

NSS

NOT SOLD SEPARAT

Plug

2шт.

37

NSS

NOT SOLD SEPARAT

O-Ring

2шт.

38

NSS

NOT SOLD SEPARAT

Spring

2шт.

39

NSS

NOT SOLD SEPARAT

Valve, Relief

2шт.

40

NSS

NOT SOLD SEPARAT

Plug

2шт.

42

76349

PLUG,9/16" - 18 ORB

2шт.

43

K608432

STUD,1/2" - 13 x 4-1/2"

1шт.

44

425-108

NUT,1/2" - 13, Gr 5

1шт.

53

NSS

NOT SOLD SEPARAT

O-Ring

2шт.

54

NSS

NOT SOLD SEPARAT

Ring, Backup

1шт.

55

NSS

NOT SOLD SEPARAT

O-Ring

1шт.

56

H436099

VALVE

by-pass

1шт.

62

9672438

PLUG,7/16" - 20 ORB

1шт.

63

166-89

12 PT SCREW,1/2" - 13 x 2", Gr 8

1шт.

64

324604A1

NUT,Lock

3/8 in, special

1шт.

65

425-116

NUT,3/8" - 24, Gr 5

1шт.

66

N13255

RING

retaining

1шт.

67

N13241

GUIDE,1.292" OD

1шт.

68

N13242

SLEEVE

1шт.

69

NSS

NOT SOLD SEPARAT

Spring

1шт.

70

N14666

GUIDE,1.292" OD

1шт.

71

370531A1

SCREW

special

1шт.

H673773

KIT

Consists of: 72, 73.

1шт.

72

N14668

RING, PISTON

2шт.

73

238-5131

O-RING,0.103" Thk x 1.674" ID, -131, Cl 5, 75 Duro

Replaces A61429

2шт.

74

NSS

NOT SOLD SEPARAT

Bearing, Thrust

2шт.

75

H435772

PISTON

1шт.

76

H436053

COVER

1шт.

77

H438321

BOLT,M6 x 1 x 20mm, Cl 10.9

1/4 x 1-1/4; 8

10шт.

Выбрано товаров: 69