Запчасти Case 6010 (06-07) - MOTOR, THRUST/PULLBACK - HYDROSTATIC (29) - HYDROSTATIC DRIVE

Схема запчастей Case 6010 - (06-07) - MOTOR, THRUST/PULLBACK - HYDROSTATIC (29) - HYDROSTATIC DRIVE
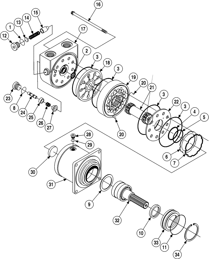
19
20
5
31
18
20
13
9
7
26
27
23
14
1
12
10
15
3
3
32
22
11
8
2
23
3
17
4
30
16
21
3
28
29
6
34
24
33
FIT
1:1
100%

Артикул

Название

Примечание

Количество

308606A3

MOTOR, HYDRAULIC

Thrust/Pullback, Consists of: 1 - 34

1шт.

324603A1

SEAL KIT

Seal, Consists of: 1 - 11

1шт.

1

NSS

NOT SOLD SEPARAT

O-Ring

1шт.

2

NSS

NOT SOLD SEPARAT

O-Ring

1шт.

3

NSS

NOT SOLD SEPARAT

Seal

1шт.

4

NSS

NOT SOLD SEPARAT

Ring, Backup

1шт.

5

NSS

NOT SOLD SEPARAT

O-Ring

1шт.

6

NSS

NOT SOLD SEPARAT

Seal

1шт.

7

NSS

NOT SOLD SEPARAT

Ring, Backup

1шт.

8

NSS

NOT SOLD SEPARAT

O-Ring

1шт.

9

NSS

NOT SOLD SEPARAT

Seal, Face

1шт.

10

324800A2

SEAL

shaft

1шт.

11

NSS

NOT SOLD SEPARAT

O-Ring, End

1шт.

12

282787A1

PLUG

Special

1шт.

13

282788A1

SHIM

1шт.

14

324593A1

SPRING

1шт.

15

282790A1

VALVE POPPET

1шт.

16

324799A1

12 PT SCREW

12 point

9шт.

17

324592A1

CAP

Includes 218-5209 9/16 - 18 Socket Head Plug

1шт.

218-5209

PLUG,Hex, 9/16"-18 ORB

9/16 - 18; Includes 237-6006 O-Ring

1шт.

237-6006

O-RING,0.078" Thk x 0.468" ID, -906, Cl 6, 90 Duro

1шт.

18

324594A1

PLATE

1шт.

19

324595A1

GEAR-SET

1шт.

20

140784A1

BALL

2шт.

21

324599A1

SHAFT

1шт.

22

324597A1

LARGE PLATE

PLATE, LARGE , Balancing

1шт.

23

282804A1

PLUG

Special

1шт.

24

282802A1

PISTON ASSY.

1шт.

25

251511A1

VALVE POPPET

1шт.

26

251506A1

SPRING

1шт.

27

251509A1

RING

Shuttle

1шт.

28

NSS

NOT SOLD SEPARAT

Plug

1шт.

29

NSS

NOT SOLD SEPARAT

O-Ring

1шт.

30

324602A1

SPACER

Drive

1шт.

31

324598A1

BEARING HOUSING

bearing

1шт.

32

324600A1

SHAFT

28T, Splined

1шт.

33

324601A1

RETAINER

Front

1шт.

34

100-21393

SNAP RING,3.938", Int, #393

1шт.

Выбрано товаров: 38