Запчасти Case 6010 (08-05) - HYDRAULICS - CONTROLS, POWER WRENCH AND STAKEDOWN (35) - HYDRAULIC SYSTEMS

Схема запчастей Case 6010 - (08-05) - HYDRAULICS - CONTROLS, POWER WRENCH AND STAKEDOWN (35) - HYDRAULIC SYSTEMS
18
4
29
5
16
12
17
5
7
30
20
33
9
6
35
7
26
7
18
13
10
3
6
24
16
23
22
34
32
21
27
8
7
32
10
9
17
37
4
6
31
13
15
14
6
36
18
18
33
12
2
19
25
5
36
5
2
1
15
31
28
11
3
FIT
1:1
100%

Артикул

Название

Примечание

Количество

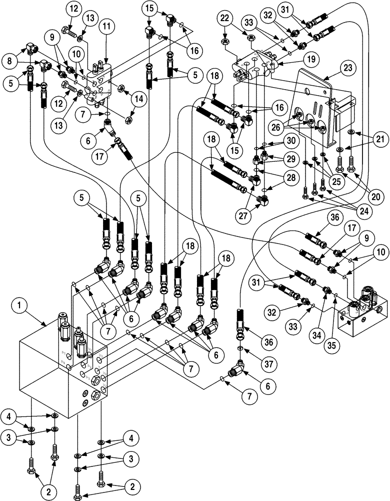
1

336365A1

VALVE

Power Wrench and Stakedown Manifold, See figure 8-26

1шт.

2

413-432

BOLT,Hex, 1/4" - 20 x 2", Gr 5

4шт.

3

492-11031

LOCK WASHER,5/16"

4шт.

4

496-21034

WASHER,11/32" x 11/16" x 0.89", HDN

4шт.

5

356037A1

HOSE ASSY.,6.35 mm ID x 2950.00 mm, SAE 4

Power Wrench and Stakedown Manifold P1, P2, P3, P4, Ports to Power Wrench Control Valve A, B, C, D Ports

4шт.

6

218-5365

ELBOW,45 Degree, 7/16"-20, 37 Degree x 9/16"-18, O-Ring

7/16 fl x 9/16 Or, Includes: 7

10шт.

7

237-6006

O-RING,0.078" Thk x 0.468" ID, -906, Cl 6, 90 Duro

1шт.

8

218-5228

ELBOW,90 Degree, 7/16"-20, 37 Degree x 7/16"-20, 37 Degree Fem Sw

90°, 7/16 fl x sw

2шт.

9

218-5089

HYD CONNECTOR,7/16" - 20 Male JIC x 9/16" - 18 Male ORB

Incl. 10

4шт.

10

237-6006

O-RING,0.078" Thk x 0.468" ID, -906, Cl 6, 90 Duro

1шт.

11

336369A1

VALVE

Power Wrench Control, See figure 8-26

1шт.

12

413-432

BOLT,Hex, 1/4" - 20 x 2", Gr 5

2шт.

13

496-21028

WASHER,.281" x 5/8" x .075", HDN

9/32 x 5/8 x 5/64

2шт.

14

231-1444

NUT,1/4"-20, GB

2шт.

15

218-5283

ELBOW,90 Degree, 7/16"-20, 37 Degree x 9/16"-18, O-Ring

7/16 fl x 9/16 Or, Includes: 16

2шт.

16

237-6006

O-RING,0.078" Thk x 0.468" ID, -906, Cl 6, 90 Duro

1шт.

17

356058A1

HOSE ASSY.,6.35 mm ID x 1930.00 mm, SAE 4

Power Wrench Control Valve Outlet to System Control, Valve T3 Port

1шт.

18

356062A1

HOSE ASSY.,6.35 mm ID x 2185.00 mm, SAE 4

Power Wrench and Stakedown Manifold V1, V2, V3, V4, Ports to Stakedown Control Valve A, B, C, D Ports

4шт.

19

336368A1

VALVE

Stakedown Control, See figure 8-25

1шт.

20

413-432

BOLT,Hex, 1/4" - 20 x 2", Gr 5

2шт.

21

496-21028

WASHER,.281" x 5/8" x .075", HDN

9/32 x 5/8 x 5/64

2шт.

22

231-1444

NUT,1/4"-20, GB

2шт.

23

340942A1

BRACKET

Mounting

1шт.

24

413-620

BOLT,Hex, 3/8" - 16 x 1-1/4", Gr 5

3шт.

25

496-21041

WASHER,13/32" x 13/16" x .089", HDN

3шт.

26

231-1446

NUT,3/8" - 16, Gr 5

3шт.

27

218-5103

90 ELBOW,90 Degree Elbow, 7/16" - 20 Male JIC x 7/16" - 20 Male ORB

90°, 7/16 fl x adj or, Includes: 28

2шт.

28

237-6004

O-RING,0.072" Thk x 0.351" ID, -904, Cl 6, 90 Duro

1шт.

29

218-5321

FITTING

Includes: 28, 30

2шт.

30

237-6006

O-RING,0.078" Thk x 0.468" ID, -906, Cl 6, 90 Duro

Male

1шт.

31

356059A1

HOSE ASSY.

560 mm (22-3/64 in), System Control Valve PW and T4 Ports to Stakedown, Control Valve Inlet and Outlet

2шт.

32

218-5058

HYD CONNECTOR,9/16" - 18 Male JIC x 3/4" - 18 Male ORB

9/16 fl x 3/4 or, Includes: 33

3шт.

33

237-6008

O-RING,0.087" Thk x 0.644" ID, -908, Cl 6, 90 Duro

1шт.

34

218-5057

HYD CONNECTOR,9/16" - 18 JIC x 9/16" - 18 ORB

Incl. 35

1шт.

35

237-6006

O-RING,0.078" Thk x 0.468" ID, -906, Cl 6, 90 Duro

1шт.

36

356063A1

HOSE ASSY.,6.35 mm ID x 2340.00 mm, SAE 4

System Control Valve T2 Port to Power Wrench and, Stakedown Manifold T Port

1шт.

37

H433173

ORIFICE

1.32 mm

1шт.

Выбрано товаров: 37