Запчасти Case 6010 (08-36) - MOTOR, HYDRAULIC - DRILL FLUID, LOW FLOW (35) - HYDRAULIC SYSTEMS

Схема запчастей Case 6010 - (08-36) - MOTOR, HYDRAULIC - DRILL FLUID, LOW FLOW (35) - HYDRAULIC SYSTEMS
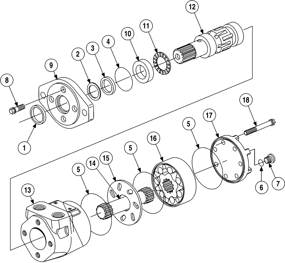
9
7
17
2
5
16
11
4
12
6
1
10
5
18
13
3
15
14
8
5
FIT
1:1
100%

Артикул

Название

Примечание

Количество

338979A1

MOTOR

Low Flow, 13 gpm, High Pressure, Vendor Part No. 146-1105-002, If Used, Consists of: 1 - 18

1шт.

188118A1

SEAL KIT

Consists of: 1 - 6

1шт.

1

365425A1

SEAL

Exclusion

1шт.

2

365426A1

BACK-UP RING

1шт.

3

365428A1

SEAL

Pressure

1шт.

4

365430A1

SEAL

1шт.

5

365436A1

SEAL

3шт.

6

237-6004

O-RING,0.072" Thk x 0.351" ID, -904, Cl 6, 90 Duro

1шт.

7

NSS

NOT SOLD SEPARAT

Plug

1шт.

8

365421A1

SCREW

5/16 NF x 7/8, Torx Head

4шт.

9

365423A1

FLANGE

Mounting

1шт.

10

63779C1

BEARING CUP,27.94mm ID x 42.16mm OD x 10.16mm L

Bearing

1шт.

11

63780C91

THRUST BEARING

1шт.

12

S108187

SHAFT

Splined

1шт.

13

NSS

NOT SOLD SEPARAT

Housing

1шт.

14

365461A1

DRIVE

1шт.

15

365439A1

SPACER

1шт.

16

365462A1

GEROTOR

1шт.

17

365444A1

CAP

Housing

1шт.

18

143717A1

SCREW,Torx Hd, Flg, 5/16" - 24 x 2"

5/16 x 2, Torx Head

7шт.

Выбрано товаров: 20