Запчасти Case 6010 (05-01) - UNDERCARRIAGE - TRACK WITH FAIRFIELD MOTOR, UNDERCARRIAGE ASSYS W/ FAIRFIELD DRIVE MOTOR (48) - TRACKS & TRACK SUSPENSION

Схема запчастей Case 6010 - (05-01) - UNDERCARRIAGE - TRACK WITH FAIRFIELD MOTOR, UNDERCARRIAGE ASSYS W/ FAIRFIELD DRIVE MOTOR (48) - TRACKS & TRACK SUSPENSION
36
10
26
25
15
26
16
24
6
28
9
1
30
14
5
27
39
3
27
21
30
18
25
34
22
4
31
7
11
37
32
35
31
13
2
23
20
29
17
38
24
12
8
14a
19
33
FIT
1:1
100%

Артикул

Название

Примечание

Количество

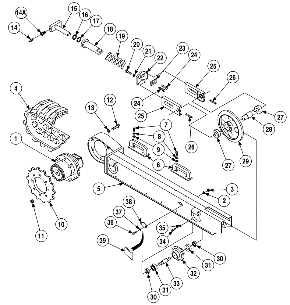
1

TX202604

MOTOR, HYDRAULIC

Track Drive, Complete, See figure 5-06

2шт.

2

496-21053

WASHER,17/32" x 1 1/16" x .134"

Hardened

12шт.

3

231-1448

NUT,1/2"-13, GB

12шт.

341446A1

TRACK CHAIN

Track, Right Hand, Illustrated, Consists of: 4 - 38

1шт.

341447A1

TRACK CHAIN

Track, Left Hand, Not Illustrated, Consists of: 4 - 38

1шт.

4

TX200112

RUBBER

Rubber

1шт.

5

TX440214

FRAME

Track, Right Hand, Illustrated

1шт.

5

TX440213

TRACK CHAIN

Track, Left Hand, Not Illustrated

1шт.

6

TX440210

GUIDE

2шт.

7

413-620

BOLT,Hex, 3/8" - 16 x 1-1/4", Gr 5

4шт.

8

492-11038

LOCK WASHER,3/8"

4шт.

9

496-21041

WASHER,13/32" x 13/16" x .089", HDN

4шт.

10

TX440221

SPROCKET ASSY.

1шт.

11

G49041

WHEEL NUT

9/16 NF

8шт.

12

413-1024

BOLT,Hex, 5/8" - 11 x 1-1/2", Gr 5

6шт.

13

492-11062

BEARING WASHER,5/8"

6шт.

14

219-66

LUBE NIPPLE,1/8"-27 NPT, Dustproof

grease, 1/8 PT x 1

1шт.

14a

D35287

CHECK VALVE,5/8" - 18

check

1шт.

15

TX440204

SHAFT

Tensioner, Also Order: TX440209

1шт.

16

TX401021

SEAL

1шт.

17

TX401022

SEAL

1шт.

18

TX440209

CYLINDER

Track Tension, Also Order: TX440204

1шт.

19

TX401025

COMPRESSION SPRING

1шт.

20

461-33816

HEX SOC SCREW,3/8"-16 x 1"

3/8 x 1, socket

4шт.

21

492-11038

LOCK WASHER,3/8"

4шт.

22

TX440205

FLANGE

1шт.

23

TX440208

LARGE PLATE

PLATE, LARGE

1шт.

24

461-43116

HEX SOC SCREW,Flat Hd, 5/16"-18 x 1"

16 x 1

2шт.

25

TX440212

BRACKET

2шт.

26

TX401026

PIN, ROLL

2шт.

27

TX401024

BALL BEARING,29.995 mm ID x 61.993 mm OD x 15.936 mm

2шт.

28

TX440203

SHAFT

Idler Wheel

1шт.

29

TX440207

WHEEL

Idler

1шт.

30

TX440201

SPACER

Idler Wheel

12шт.

31

TX401023

ROLLER BEARING

roller

12шт.

32

TX440200

FRONT IDLER

Idler

6шт.

33

TX440202

SHAFT

Idler Wheel

6шт.

34

413-512

BOLT,Hex, 5/16" - 18 x 3/4", Gr 5

12шт.

35

492-11031

LOCK WASHER,5/16"

12шт.

36

413-412

BOLT,Hex, 1/4" - 20 x 3/4", Gr 5

If used

2шт.

37

492-11025

LOCK WASHER,1/4"

If used

2шт.

38

TX440215

COVER

Cylinder Tension Adjustment, If Used

1шт.

39

221-587

PIPE FITTING

Welded-On, If Used

1шт.

Выбрано товаров: 43