Запчасти Case 6010 (05-02) - UNDERCARRIAGE - TRACK WITH NACHI MOTOR, UNDERCARRIAGE ASSYS W/ NACHI DRIVE MOTOR (48) - TRACKS & TRACK SUSPENSION

Схема запчастей Case 6010 - (05-02) - UNDERCARRIAGE - TRACK WITH NACHI MOTOR, UNDERCARRIAGE ASSYS W/ NACHI DRIVE MOTOR (48) - TRACKS & TRACK SUSPENSION
20
2
4
16
7
26
21
3
13
31
23
27
28
30
8
27
6
11
14
1
21
26
19
24
25
5
29
12
22
22
8
18
23
15
9
17
7
10
FIT
1:1
100%

Артикул

Название

Примечание

Количество

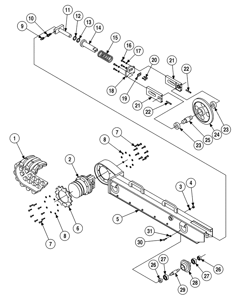
1

TX200112

RUBBER

track

2шт.

2

352423A1

MOTOR, HYDRAULIC

Track Drive, Complete, See figure 5-03 - 5-05

2шт.

3

496-21053

WASHER,17/32" x 1 1/16" x .134"

Hardened

12шт.

4

231-1448

NUT,1/2"-13, GB

12шт.

380471A1

FRAME ASSY

Track, Right Hand, Illustrated, Consists of: 5 - 31

1шт.

380472A1

FRAME ASSY

Track, Left Hand, Not Illustrated, Consists of: 5 - 31

1шт.

5

379527A1

FRAME

Track, Right Hand, Illustrated

1шт.

5

379528A1

FRAME

Track, Left Hand, Not Illustrated

1шт.

6

378664A1

SPROCKET ASSY.

1шт.

7

614-12035

BOLT,Hex, M12 x 1.75 x 35mm, Cl 8.8, Full Thd

18шт.

8

896-11012

WASHER,13.5mm ID x 24mm OD x 3mm Thk

18шт.

9

219-66

LUBE NIPPLE,1/8"-27 NPT, Dustproof

grease, 1/8 PT x 1

1шт.

10

D35287

CHECK VALVE,5/8" - 18

check

1шт.

11

380133A1

TENSIONER

Tensioner, Also Order: TX440209

1шт.

12

TX401021

SEAL

1шт.

13

TX401022

SEAL

1шт.

14

TX440209

CYLINDER

Track Tension, Also Order: 380133A1

1шт.

15

384768A1

COIL SPRING

1шт.

16

461-33816

HEX SOC SCREW,3/8"-16 x 1"

3/8 x 1, socket

4шт.

17

492-11038

LOCK WASHER,3/8"

4шт.

18

TX440205

FLANGE

1шт.

19

TX440208

LARGE PLATE

PLATE, LARGE

1шт.

20

461-43116

HEX SOC SCREW,Flat Hd, 5/16"-18 x 1"

16 x 1

2шт.

21

TX440212

BRACKET

2шт.

22

38-32040

5/16 x 2-1/2

2шт.

23

86276H

BALL BEARING

2шт.

24

TX440207

WHEEL

Idler

1шт.

25

TX440203

SHAFT

Idler Wheel

1шт.

26

TX440201

SPACER

Idler Wheel

12шт.

27

A31187

BEARING, BALL,0.7874" ID x 1.8504" OD x 0.5512"

12шт.

28

TX440200

FRONT IDLER

Idler

6шт.

29

TX440202

SHAFT

Idler Wheel

6шт.

30

413-512

BOLT,Hex, 5/16" - 18 x 3/4", Gr 5

12шт.

31

492-11031

LOCK WASHER,5/16"

12шт.

Выбрано товаров: 34