Запчасти Case 6010 (04-09) - ALTERNATOR - MOUNTING, KUBOTA V20003TE ENGINE (55) - ELECTRICAL SYSTEMS

Схема запчастей Case 6010 - (04-09) - ALTERNATOR - MOUNTING, KUBOTA V20003TE ENGINE (55) - ELECTRICAL SYSTEMS
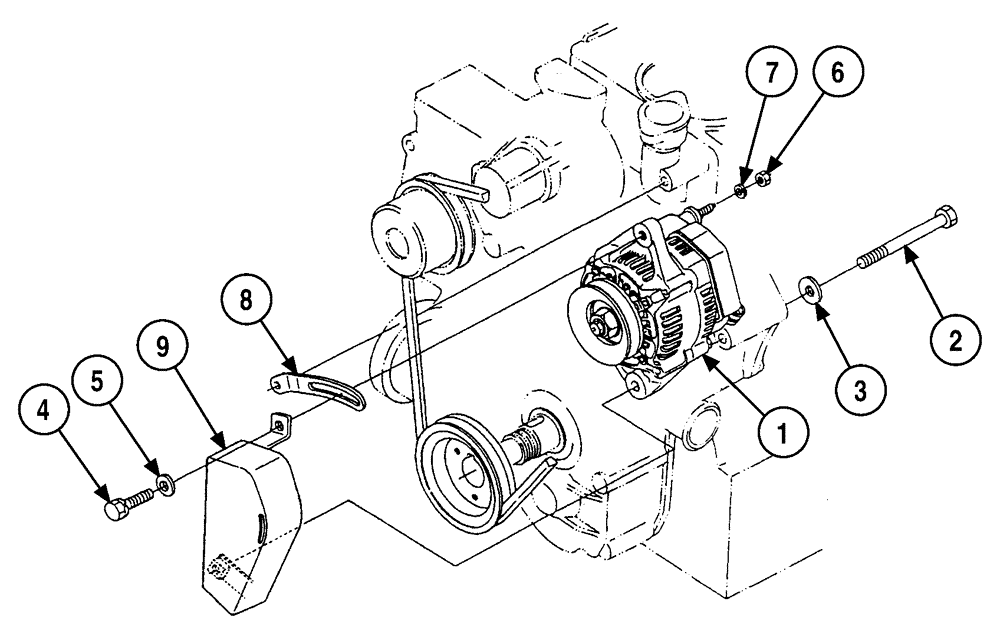
7
4
5
1
6
2
8
9
3
FIT
1:1
100%

Артикул

Название

Примечание

Количество

1

133745A1

ALTERNATOR

See figure 4-07

1шт.

133745A1R

REMAN-ALTERNATOR

Remanufactured ALTERNATOR, 12 volt 40 ampere, N.A. Only

1шт.

133745A1C

CORE-ALTERNATOR

Return Number, N.A. Only

1шт.

2

368624A1

BOLT

1шт.

3

368626A1

WASHER

1шт.

4

126133A1

CAPTIVE WASHER SCREW,Hex

Includes: Spring Washer

1шт.

5

126142A1

WASHER

1шт.

6

1959205C1

NUT

special

1шт.

7

1959206C1

SPRING WASHER

lock

1шт.

8

202530A1

TENSIONER

1шт.

9

368630A1

COVER

1шт.

Выбрано товаров: 11