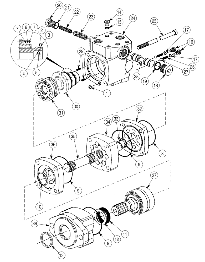
Запчасти Case 6030 (08-04) - MOTOR, HYDRAULIC, TWO-SPEED SPEED (08) - HYDRAULICS

Схема запчастей Case 6030 - (08-04) - MOTOR, HYDRAULIC, TWO-SPEED SPEED (08) - HYDRAULICS
28
13
7
5
12
9
14
34
17
1
15
11
31
30
17
4
8
16
26
2
9
22
20
3
21
37
33
35
6
18
38
10
9
24
27
23
19
32
25
36
7
FIT
1:1
100%

Артикул

Название

Примечание

Количество

400662A1

MOTOR, HYDRAULIC

Drill Fluid, Two Speed, 40 gpm, Vendor Part No. 104-2318-001, If Used, Consists Of 1 - 38

1шт.

413525A1

KIT

Consists Of 1 - 13, 15, 17, 19, 21

1шт.

1

NSS

NOT SOLD SEPARAT

O-Ring

1шт.

2

NSS

NOT SOLD SEPARAT

O-Ring

1шт.

3

NSS

NOT SOLD SEPARAT

Ring, Backup

1шт.

4

NSS

NOT SOLD SEPARAT

O-Ring

1шт.

5

NSS

NOT SOLD SEPARAT

Ring, Backup

1шт.

6

NSS

NOT SOLD SEPARAT

O-Ring

1шт.

7

NSS

NOT SOLD SEPARAT

Ring, Backup

2шт.

8

NSS

NOT SOLD SEPARAT

Seal

1шт.

9

NSS

NOT SOLD SEPARAT

O-Ring

3шт.

10

B50888

Face

1шт.

11

N9431

SEAL

1шт.

12

NSS

NOT SOLD SEPARAT

Ring, Backup

1шт.

13

S300401

SEAL

SPARE PART

1шт.

14

278548

PLUG,Hex, 7/16"-20 ORB

Incl 15

1шт.

15

237-6004

O-RING,0.072" Thk x 0.351" ID, -904, Cl 6, 90 Duro

1шт.

16

S236487

PLUG

Includes 17

2шт.

17

S114499

O-RING

1шт.

18

H436367

PLUG

Includes 19

1шт.

19

NSS

NOT SOLD SEPARAT

O-Ring

1шт.

20

NSS

NOT SOLD SEPARAT

Plug, Includes 21

1шт.

21

NSS

NOT SOLD SEPARAT

O-Ring

1шт.

22

413524A1

SPRING

1шт.

23

413523A1

SPRING

1шт.

24

413521A1

HOUSING

1шт.

25

365384A1

SCREW

4шт.

26

D74394

SPRING

2шт.

27

211-1008

BALL,1/4" Dia

24, CRS, Steel

2шт.

28

413522A1

SPOOL

Control

1шт.

29

S114366

SPRING

2шт.

413525A1

KIT

Includes 17, 19, 21, For Additional Parts, See Page(s) 8-51F

1шт.

30

413516A1

RING

Balance, Includes 2 Roll Pins, Not Serviced Separately

1шт.

31

413515A1

VALVE

1шт.

32

413514A1

PLATE

1шт.

33

S114496

COUPLING

Main

1шт.

34

S300405

GEROTOR

Components Not Serviced Separately

1шт.

35

S300404

DRIVE

1шт.

36

413520A1

PLATE

1шт.

37

365399A1

SHAFT

Output, Splined, Includes Bearing, Not Serviced Separately

1шт.

38

413517A1

HOUSING

1шт.

Выбрано товаров: 41