Запчасти Case CASE (6-108) - TRANSMISSION, PIN 1205066 AND AFTER (06) - POWER TRAIN

Схема запчастей Case CASE - (6-108) - TRANSMISSION, PIN 1205066 AND AFTER (06) - POWER TRAIN
10
13
11
1
19
13
20
17
18
3
13
9
7
14
13
6
6
4
12
2
3
7
18
15
7
8
16
13
5
FIT
1:1
100%

Артикул

Название

Примечание

Количество

H660126

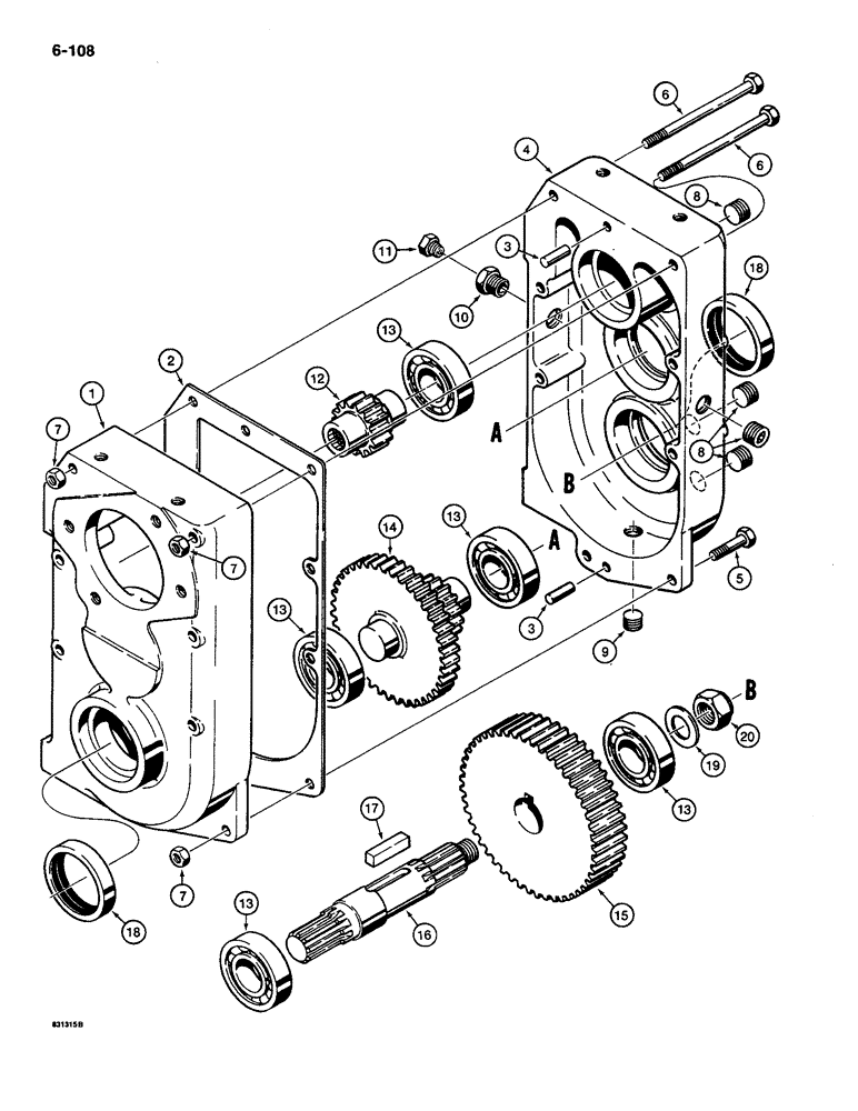
TRANSMISSION

ASSEMBLY - Case manufactured, Includes: Refs. 1-20

1шт.

1

H412866

CASE

HOUSING - transmission, rear

1шт.

2

H413153

GASKET

- housing

1шт.

3

H755272

DOWEL

PIN - 3/8" x 1" long

2шт.

4

H412858

CASE

HOUSING - transmission, front

1шт.

5

113-209

BOLT,Hex, 3/8" - 16 x 1-1/2", Gr 5

2шт.

6

113-2238

BOLT,Hex, 3/8" - 16 x 5-1/4", Gr 5

6шт.

7

230-4216

LOCK NUT,3/8"-16, GA

NUT - hex, self-locking, 3/8" - 16 NC, plated

8шт.

8

221-1844

PLUG,Hex Soc, 1/2"-14

PIPE PLUG - hex socket head, 1/2" NPT

4шт.

9

221-1843

PLUG

PIPE PLUG - hex socket head, 3/8" NPT

1шт.

10

221-1087

REDUCER

BUSHING - pipe

1шт.

11

R11152

FITTING

BREATHER - housing

1шт.

12

H253112

GEAR

AND SHAFT - input

1шт.

13

A26581

BALL BEARING,1.378" ID x 2.8346" OD x 0.6693"

- shafts

5шт.

14

H253153

GEAR

CLUSTER GEAR AND SHAFT - intermediate

1шт.

15

H253146

GEAR

- output reduction

1шт.

16

H253138

SHAFT

- output

1шт.

17

H70045

KEY

- square, 3/8" x 1-3/4" long

1шт.

18

H754226

OIL SEAL

- output shaft

2шт.

19

H224501

WASHER

- 7/8", special

1шт.

20

131-465

LOCK NUT,7/8"-14, G8

NUT - hex, self-locking, 7/8" - 14 NF, plated

1шт.

Выбрано товаров: 0