Запчасти Case CASE (2-22) - CYLINDER HEAD AND COVER (02) - ENGINE

Схема запчастей Case CASE - (2-22) - CYLINDER HEAD AND COVER (02) - ENGINE
12
5
15
16
3
8
18
4
21
9
20
11
11
7
13
1
2
9
10
17
14
6
19
FIT
1:1
100%

Артикул

Название

Примечание

Количество

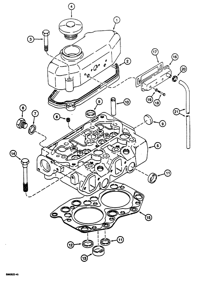
1

N13780

COVER

SPARE PART cylinder head

1шт.

2

N13781

GASKET

, Serial Range: cover-head

1шт.

3

827-10025

BOLT,Hex, M10 x 1.5 x 25mm, Cl 10.9, Full Thd

hex head, plated, 10 mm-1.5 x 25 mm, 10.9

2шт.

4

N9049

CAP

engine oil fill

1шт.

N14199

HEAD (CYLINDER)

ASSEMBLY, Replaces: N13760, Includes: Ref. 5 - 13

1шт.

5

NSS

NOT SOLD SEPARAT

HEAD cylinder

1шт.

6

H411744

PLUG

hex head

1шт.

7

H411033

GASKET

plug

1шт.

8

221-1849

PLUG

hex socket head, 1/8" NPT

1шт.

9

N13761

CAP

PLUG cup type

8шт.

10

H410035

GUIDE

intake and exhaust valves

4шт.

11

N13762

INSERT

exhaust valve seat

2шт.

12

N13764

INSERT

intake valve seat

2шт.

13

N14398

JET

combustion, Replaces: N13763

2шт.

14

N13766

BOLT

cylinder head

9шт.

15

N13765

GASKET

cylinder head

1шт.

16

N13851

BREATHER

SPARE PART cylinder head cover

1шт.

17

N13850

GASKET

breather

1шт.

18

814-8045

BOLT,Hex, M8 x 1.25 x 45mm, Cl 8.8

4шт.

19

H410548

WASHER

SPARE PART special, sealing

4шт.

20

N9501

CLAMP

, Serial Range: hose-breather

1шт.

21

N13852

HOSE

SPARE PART engine breather

1шт.

Выбрано товаров: 22