Запчасти Case CASE (6-12) - DRIVE LINE MOUNTING (06) - POWER TRAIN

Схема запчастей Case CASE - (6-12) - DRIVE LINE MOUNTING (06) - POWER TRAIN
12
2
4
11
8
2
4
14
13
11
3
1
16
9
18
1
15
20
6
5
21
11
17
10
19
3
16
7
FIT
1:1
100%

Артикул

Название

Примечание

Количество

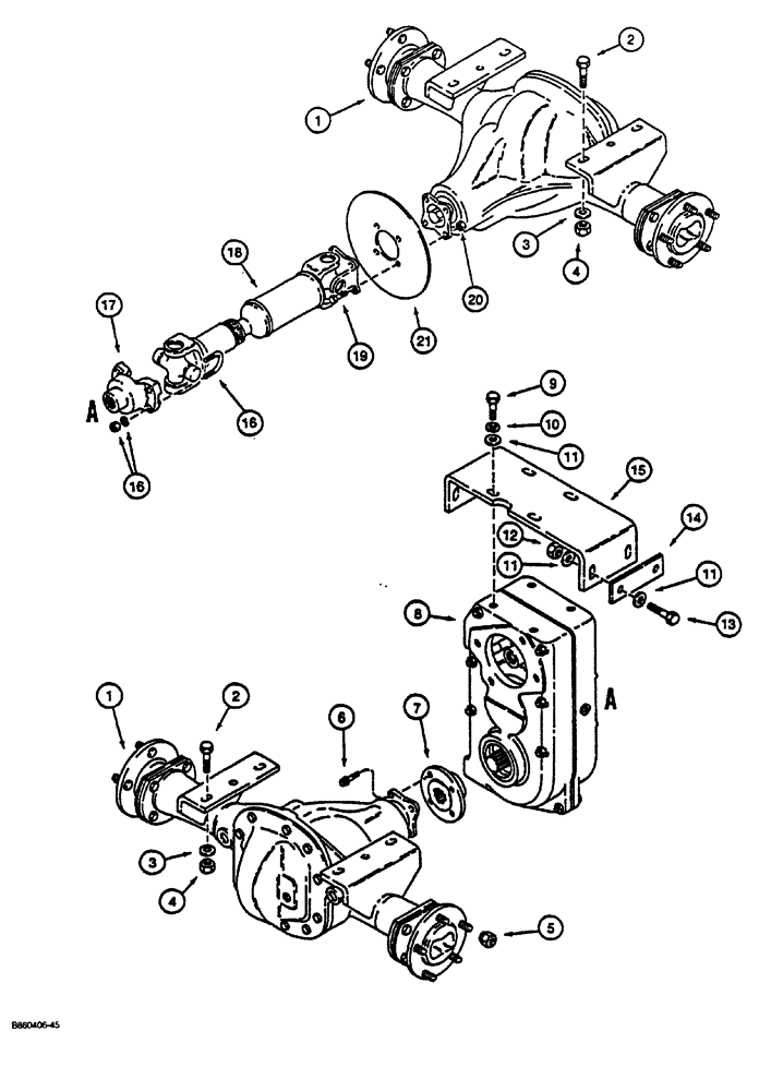
1

H645945

CENTER AXLE

ASSEMBLY, parts list Figures 6-18 and 6-20

2шт.

2

113-410

BOLT,Hex, 1/2" - 13 x 1-1/2", Gr 5, Full Thd

8шт.

3

H274894

WASHER

flat, 17/32" x 1-5/64" x 1/8"

8шт.

4

131-1153

LOCK NUT,1/2"-13, GC

8шт.

5

N4221

WHEEL NUT

wheel

20шт.

6

166-543

12 PT SCREW,Flg, 3/8" - 24 x 3/4", Gr 8

ferry head, 3/8"-24 NF x 3/4", grade 8

4шт.

7

H415497

SHIN

FLANGE companion, to rear axle

1шт.

8

H660126

TRANSMISSION

ASSEMBLY ground drive, parts list Figure 6-14

1шт.

9

113-417

BOLT,Hex, 1/2" - 13 x 1-1/4", Gr 5, Full Thd

4шт.

10

192-23

LOCK WASHER,1/2"

4шт.

11

H274894

WASHER

flat, 17/32" x 1-5/64" x 1/8"

12шт.

12

131-1153

LOCK NUT,1/2"-13, GC

4шт.

13

113-412

BOLT,Hex, 1/2" - 13 x 1-3/4", Gr 5

4шт.

14

H343764

SPACER

SPARE PART transmission mount

2шт.

15

H343715

CROSSMEMBER

BRACKET transmission mount

1шт.

16

H183566

BOLT

U, includes hardware

2шт.

17

H428276

FORK

YOKE transmission to drive shaft

1шт.

18

H588541

DRIVE SHAFT

ASSEMBLY, parts list Figure 6-16

1шт.

19

H264523

BOLT

special, drive shaft to brake disc

4шт.

20

131-1133

NUT,3/8"-24, GC

hex, self-locking, plated, 3/8"-24 NF

4шт.

21

H258095

DISC

brake

1шт.

Выбрано товаров: 21