Запчасти Case CASE (6-14) - TRANSMISSION (06) - POWER TRAIN

Схема запчастей Case CASE - (6-14) - TRANSMISSION (06) - POWER TRAIN
14
2
18
13
9
7
7
8
6
20
12
3
13
8
7
17
13
21
11
18
13
16
8
15
5
10
4
1
13
3
19
FIT
1:1
100%

Артикул

Название

Примечание

Количество

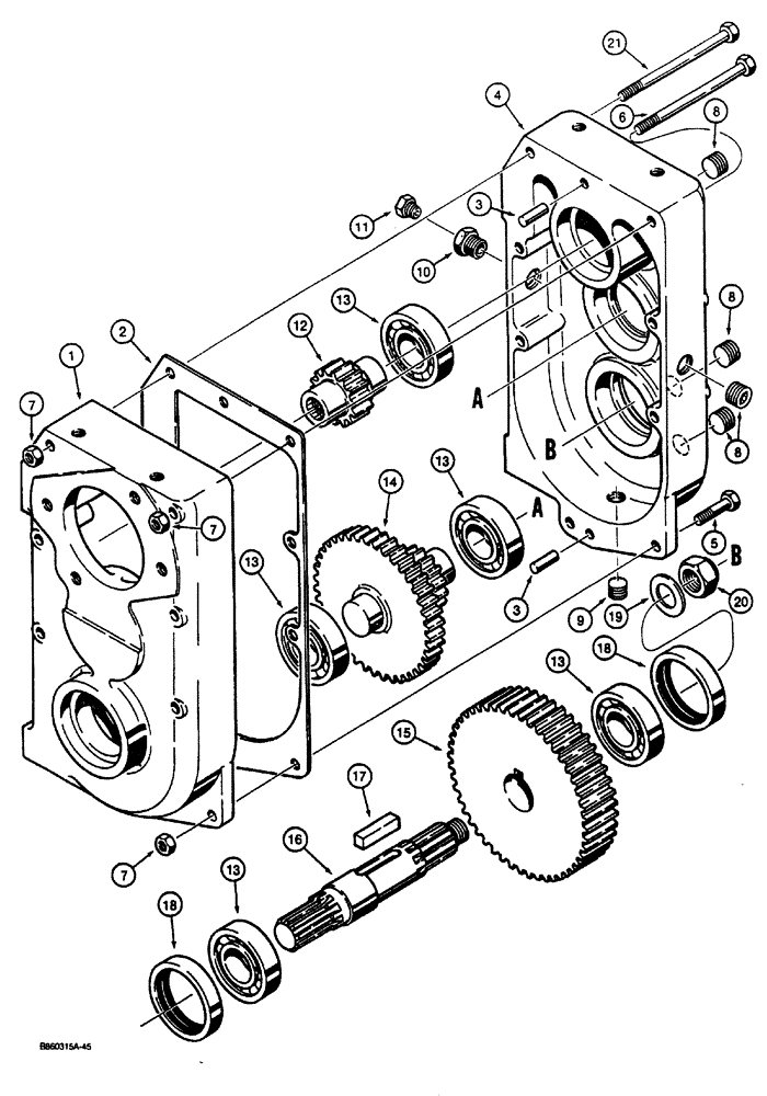
H660126

TRANSMISSION

ASSEMBLY, Case manufactured, Includes: Ref. 1 - 21

1шт.

1

H412866

CASE

HOUSING transmission, rear

1шт.

2

H413153

GASKET

housing

1шт.

3

H755272

DOWEL

PIN, 3/8" x 1" long

2шт.

4

H412858

CASE

HOUSING transmission, front

1шт.

5

113-209

BOLT,Hex, 3/8" - 16 x 1-1/2", Gr 5

2шт.

6

113-2238

BOLT,Hex, 3/8" - 16 x 5-1/4", Gr 5

5шт.

7

230-4216

LOCK NUT,3/8"-16, GA

8шт.

8

221-1844

PLUG,Hex Soc, 1/2"-14

pipe, hex socket head, 1/2" NPT

4шт.

9

221-1843

PLUG

pipe, hex socket head, 3/8" NPT

1шт.

10

221-1087

REDUCER

BUSHING pipe

1шт.

11

R11152

FITTING

BREATHER housing

1шт.

12

H253112

GEAR

SHAFT input

1шт.

13

A26581

BALL BEARING,1.378" ID x 2.8346" OD x 0.6693"

Ball, shafts

5шт.

14

H253153

GEAR

CLUSTER AND SHAFT intermediate

1шт.

15

H253146

GEAR

output reduction

1шт.

16

H253138

SHAFT

output

1шт.

17

H70045

KEY

square, 3/8" x 1-3/4" long

1шт.

18

H754226

OIL SEAL

output shaft

2шт.

19

H224501

WASHER

special, 7/8"

1шт.

20

131-465

LOCK NUT,7/8"-14, G8

hex, self-locking, plated, 7/8"-14 NF

1шт.

21

113-253

BOLT,Hex, 3/8" - 16 x 5", Gr 5

1шт.

Выбрано товаров: 22