Запчасти Case CASE (7-04) - DISC BRAKE CALIPER (07) - BRAKES

Схема запчастей Case CASE - (7-04) - DISC BRAKE CALIPER (07) - BRAKES
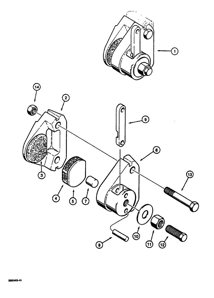
13
8
5
12
3
6
7
4
9
14
11
2
1
10
FIT
1:1
100%

Артикул

Название

Примечание

Количество

1

H638858

CALIPER

ASSEMBLY disc brake, Includes: Ref. 2 - 14

1шт.

2

NSS

NOT SOLD SEPARAT

HOUSING ASSEMBLY caliper, lined, Includes: Ref. 3

1шт.

3

NSS

NOT SOLD SEPARAT

LINING brake, housing

1шт.

Part of Brake Lining Kit P/N H378463

1шт.

4

NSS

NOT SOLD SEPARAT

LINING brake

1шт.

Part of Brake Lining Kit P/N H378463

1шт.

5

NSS

NOT SOLD SEPARAT

PLATE backing

1шт.

Part of Brake Lining Kit P/N H378463

1шт.

6

NSS

NOT SOLD SEPARAT

HOUSING caliper, lever end

1шт.

7

H378489

PIN

caliper

1шт.

8

H378505

PULLEY

PIN grooved, special

1шт.

9

H378521

LEVER

caliper actuating

1шт.

10

195-105

WASHER,7/16"

flat, plated, 7/16"

1шт.

11

129-164

JAM NUT,Hex, 7/16" - 20, Gr 5

1шт.

12

H378513

PIN

SCREW caliper adjusting

1шт.

13

114-213

BOLT,Hex, 3/8" - 24 x 2-1/4", Gr 5

2шт.

14

131-177

LOCK NUT,3/8"-24, GA

hex, plated, 3/8"-24 NF

2шт.

H378463

LINING

KIT brake, Includes: Ref. 3, 4 and 5

1шт.

Выбрано товаров: 18