Запчасти Case CASE (8-04) - BASIC HYDRAULIC CIRCUIT, RESERVOIR TO PUMP AND VALVE (08) - HYDRAULICS

Схема запчастей Case CASE - (8-04) - BASIC HYDRAULIC CIRCUIT, RESERVOIR TO PUMP AND VALVE (08) - HYDRAULICS
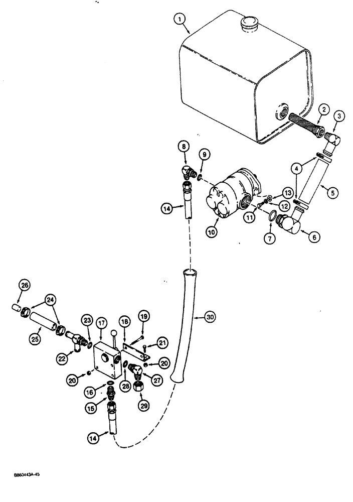
18
10
26
6
20
14
27
19
5
21
12
3
17
23
16
25
20
15
28
22
13
9
4
7
11
30
14
1
2
29
8
24
FIT
1:1
100%

Артикул

Название

Примечание

Количество

1

REF

INSTRUCTION

RESERVOIR ASSEMBLY hydraulic oil, parts list Figure 8-02

1шт.

2

H584631

FILTER ASSY

SCREEN suction

1шт.

3

217-166

STEM,90 Degree Elbow, 1-1/4" Hose Barb x 1" Male NPTF

stem, 90 degree

1шт.

4

214-258

HOSE CLAMP,#28, 1.31" - 2.25", Type F Worm

2шт.

5

H434596

HOSE

reservoir to double pump, 1-1/4" (32 mm) ID x 9" (223 mm) long, cut from H347831 bulk hose, see below

1шт.

6

217-355

FITTING,90 Degree Elbow, 1-1/4" Hose Barb x 1-5/8" - 12 Male ORB

Includes Ref. 7

1шт.

7

218-5011

O-RING,0.118" Thk x 1.475" ID, -920, Cl 6, 90 Duro

stem fitting

1шт.

8

218-5107

90 ELBOW,90 Degree Elbow, 7/8" - 14 Male JIC x 7/8" - 14 Male ORB

Adj., Incl. Ref. 9

1шт.

9

218-5007

O-RING,0.097" Thk x 0.755" ID, -910, Cl 6, 90 Duro

elbow

1шт.

10

H669184

PUMP

ASSEMBLY dual, parts list Figure 5-14

1шт.

11

113-208

BOLT,Hex, 3/8" - 16 x 1-1/4", Gr 5

2шт.

12

192-21

LOCK WASHER,3/8"

2шт.

13

195-525

WASHER,3/8", SAE

2шт.

14

H431809

HYDRAULIC HOSE,15.88 mm ID x 1600.00 mm, SAE 100R2A

Pump to plow control valve

1шт.

15

218-5062

HYD CONNECTOR,7/8"-14, 37 Degree x 7/8"-14, O-Ring

ADAPTER straight

1шт.

16

218-5007

O-RING,0.097" Thk x 0.755" ID, -910, Cl 6, 90 Duro

adapter

1шт.

17

H669168

VALVE

ASSEMBLY control, plow, parts list Figure 8-30

1шт.

18

H426239

ANGLE

BRACKET valve mounting, no longer required

1шт.

19

113-121

BOLT,Hex, 5/16" - 18 x 2", Gr 5

2шт.

20

131-176

LOCK NUT,Prev Torque, Hex, 5/16" - 18, Gr A

Hex

2-4шт.

21

113-102

BOLT,Hex, 5/16" - 18 x 3/4", Gr 5

Use with Ref.18 bracket only

2шт.

22

H431825

FITTING

TEE special, Includes: Ref. 23

1шт.

23

218-5007

O-RING,0.097" Thk x 0.755" ID, -910, Cl 6, 90 Duro

tee

1шт.

24

214-254

HOSE CLAMP,#12, 0.69" - 1.25", Type F Worm

hose, used on tractors without plow

2шт.

25

REF

INSTRUCTION

HOSE, 3/4" (19 mm) ID x 4-1/2" (114 mm) long, used on tractors without plow, cut from D55911 bulk hose, see below

1шт.

26

H269449

PLUG

hose, used on tractors without plow

1шт.

27

218-5123

ELBOW,90 Degree Elbow, 1-1/16" - 12 Male JIC x 7/8" - 14 Male ORB

ELBOW adjustable, 90 degree, Includes: Ref. 28

1шт.

28

218-5007

O-RING,0.097" Thk x 0.755" ID, -910, Cl 6, 90 Duro

elbow

1шт.

29

218-335

CAP,37 Degree, 1 1/16"-12

Hex, Used on tractors without plow

1шт.

30

D131814

SLEEVE

hose protection

1шт.

H347831

HOSE

SPARE PART bulk, 1-1/4" (32 mm) ID x 23" (584 mm) long, use to make Ref. 5

1шт.

D55911

HOSE

bulk, 3/4" (19 mm) ID x 28" (711 mm) long, use to make Ref. 25

1шт.

Выбрано товаров: 32