Запчасти Case CASE (9-20) - TRENCHER SPROCKET BOOM AND MOUNTING (09) - CHASSIS

Схема запчастей Case CASE - (9-20) - TRENCHER SPROCKET BOOM AND MOUNTING (09) - CHASSIS
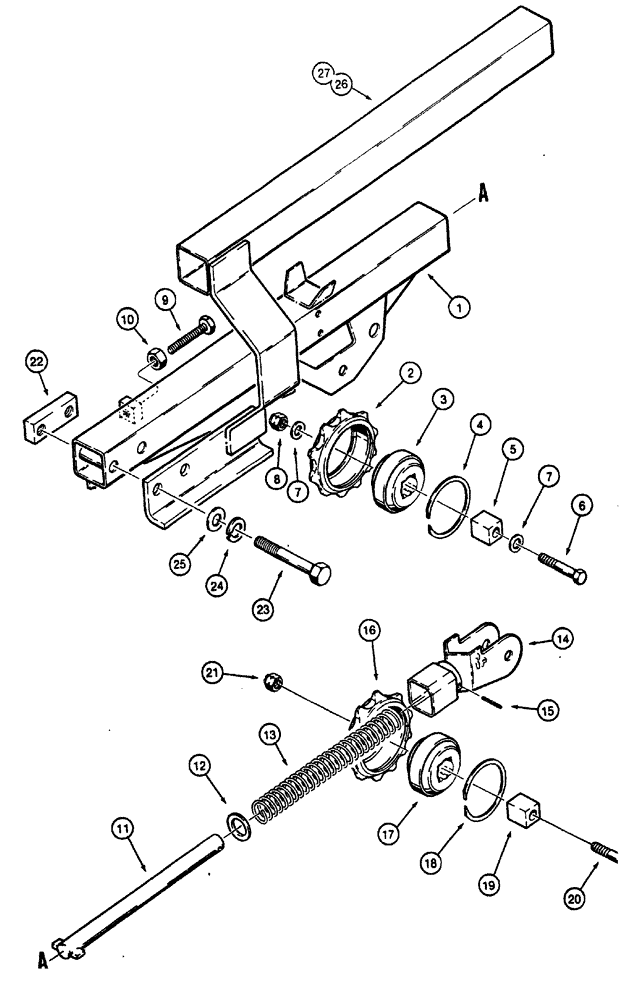
9
25
1
2
19
14
5
7
23
18
11
4
21
8
16
10
22
17
20
3
7
27
13
12
24
15
6
26
FIT
1:1
100%

Артикул

Название

Примечание

Количество

1

H564377

BOOM

sprocket type, 12" (305 mm), if used

1шт.

1

H564849

BOOM

sprocket type, 24" (610 mm), if used

1шт.

2

H33563

DRIVE SPROCKET

boom, intermediate

1шт.

3

H747139

BALL BEARING

sprocket

1шт.

4

H33837

RING

retaining, bearing

1шт.

5

H232645

BUSHING

square, sprocket bearing

1шт.

6

113-601

BOLT,Hex, 5/8" - 11 x 3", Gr 5

1шт.

7

195-108

WASHER,5/8"

flat, plated, 5/8"

2шт.

8

131-1130

LOCK NUT,5/8"-11, GA

1шт.

9

H42473

ADJUSTMENT SCREW,Spcl, 1/2" - 13 x 3 3/4", Gr 5

adjusting

1шт.

10

129-145

JAM NUT,Jam, 1/2"-13, G5

1шт.

11

H509349

TUBE

SHAFT spring, end sprocket

1шт.

12

H34199

WASHER

spring retaining

1шт.

13

H56713

VALVE SPRING

end sprocket

1шт.

14

H33829

BRACKET

end sprocket mounting

1шт.

15

138-177

LOCK PIN,3/8" x 2", Slotted

Bracket

1шт.

16

H33563

DRIVE SPROCKET

end

1шт.

17

H747139

BALL BEARING

end sprocket

1шт.

18

H33837

RING

retaining, bearing

1шт.

19

H232645

BUSHING

square, sprocket bearing

1шт.

20

113-601

BOLT,Hex, 5/8" - 11 x 3", Gr 5

1шт.

21

131-1130

LOCK NUT,5/8"-11, GA

1шт.

22

H306191

PLATE ASSY.

lock, boom pivot, Serial Range: bracket-boom

1шт.

23

113-619

BOLT,Hex, 5/8" - 11 x 4-1/2", Gr 5

2шт.

24

192-25

LOCK WASHER,5/8"

2шт.

25

195-541

WASHER,5/8", SAE

2шт.

26

REF

INSTRUCTION

GUARD digging chain, used with 24" (610 mm) boom, machinery item, order from machinery price list

1шт.

27

REF

INSTRUCTION

GUARD digging chain, used with 36" (914 mm) boom, machinery item, order from machinery price list

1шт.

Выбрано товаров: 28