Запчасти Case CASE (9-24) - HYDRA-BORER MOUNTING (09) - CHASSIS

Схема запчастей Case CASE - (9-24) - HYDRA-BORER MOUNTING (09) - CHASSIS
22
19
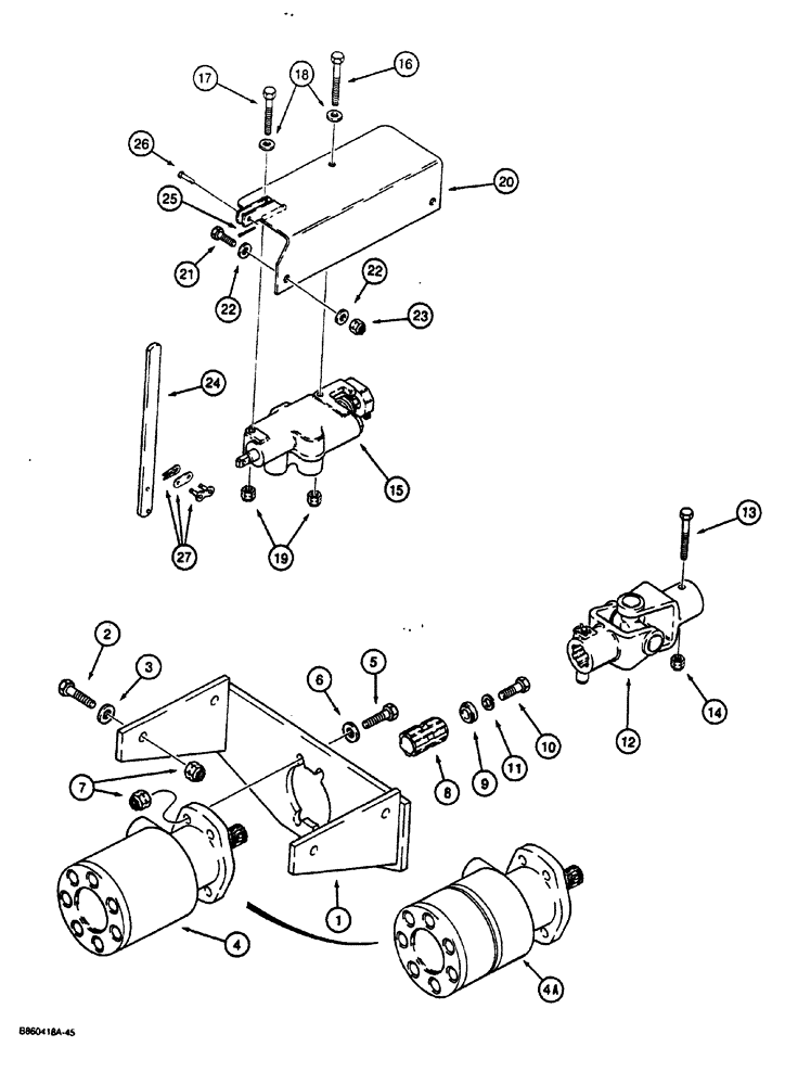
1
20
17
25
12
8
23
14
27
9
4
18
24
2
15
3
6
7
4a
13
16
21
22
11
5
10
26
FIT
1:1
100%

Артикул

Название

Примечание

Количество

1

H632448

MOUNTING PARTS

SPARE PART motor, Hydra-Borer

1шт.

2

113-412

BOLT,Hex, 1/2" - 13 x 1-3/4", Gr 5

4шт.

3

195-533

WASHER,1/2", SAE

4шт.

4

D120048

MOTOR, HYDRAULIC

ASSEMBLY, Hydra-Borer, parts list Figure 8-24, no longer available, order Ref. 4A assembly for service

1шт.

4a

H673156

MOTOR, HYDRAULIC

ASSEMBLY, Hydra-Borer, parts list Figure 8-26

1шт.

5

113-412

BOLT,Hex, 1/2" - 13 x 1-3/4", Gr 5

4шт.

6

196-15

WASHER,17/32" x 1 1/6" x .134"

flat, hardened, plated, 1/2"

4шт.

7

131-1182

LOCK NUT,1/2"-13, GA

hex, self-locking, plated, 1/2"-13 NC

8шт.

8

H312314

ADAPTER

splined, motor shaft

1шт.

9

H435886

RETAINER

adapter, Replaces: H314054

1шт.

10

114-400

BOLT,Hex, 1/2" - 20 x 1-1/4", Gr 5

BOLT hex head, plated, 1/2"-20 NF x 2-1/4"

1шт.

11

192-23

LOCK WASHER,1/2"

1шт.

12

H511113

JOINT

ASSEMBLY universal, Hydra-Borer drive, parts list Figure 9-26

1шт.

13

113-2259

BOLT,Hex, 3/8" - 16 x 2-1/2", Gr 2

1шт.

14

230-4216

LOCK NUT,3/8"-16, GA

1шт.

15

H544718

LOCK VALVE

ASSEMBLY control, Hydra-Borer, parts list Figure 8-20

1шт.

16

113-111

BOLT,Hex, 5/16" - 18 x 2-1/2", Gr 5

1шт.

17

113-110

BOLT,Hex, 5/16" - 18 x 2-1/4", Gr 5

1шт.

18

195-521

WASHER,5/16", SAE

2шт.

19

131-176

LOCK NUT,Prev Torque, Hex, 5/16" - 18, Gr A

Hex

2шт.

20

H664730

SUPPORT

BRACKET valve mounting

1шт.

21

113-207

BOLT,Hex, 3/8" - 16 x 1", Gr 5

2шт.

22

195-525

WASHER,3/8", SAE

4шт.

23

230-4216

LOCK NUT,3/8"-16, GA

2шт.

24

H377325

LEVER

valve control

1шт.

25

132-328

COTTER PIN,1/16" x 1/2"

1шт.

26

H35279

AXLE PIN,4.72mm OD x 23.76mm L

clevis, special, 3/16" x 57/64" long

1шт.

27

B12505

LINK

connector, complete

1шт.

Выбрано товаров: 28