Запчасти Case CASE (2-02) - RADIATOR, FAN AND MOUNTING (02) - ENGINE

Схема запчастей Case CASE - (2-02) - RADIATOR, FAN AND MOUNTING (02) - ENGINE
30
37
12
31
4
25
15
37
28
19
13
22
2
8
27
12
34
34
24
9
30
9
17
37
11
14
33
29
36
3
29
37
6
30
7
6
13
18
30
8
6
33
6
1
32
10
20
16
5
26
23
36
35
28
21
35
FIT
1:1
100%

Артикул

Название

Примечание

Количество

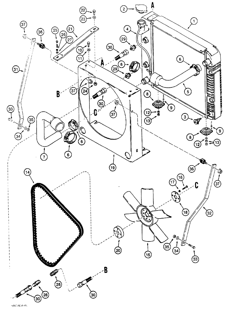
H428201

RADIATOR

SPARE PART ASSEMBLY engine cooling, with integral engine oil cooler, no longer available order H434602 radiator assembly for service, Includes: Ref. 1 - 4

1шт.

H434602

RADIATOR

ASSEMBLY engine cooling, with integral engine oil cooler, Includes: Ref. 1 - 4

1шт.

1

NSS

NOT SOLD SEPARAT

RADIATOR engine cooling, with integral engine oil cooler

1шт.

2

F23120

CAP

radiator, used with H428201 radiator assembly only

1шт.

2

80889R91

COVER

CAP radiator, used with H434602 radiator assembly only

1шт.

3

A27862

COCK, DRAIN

VALVE

1шт.

4

REF

INSTRUCTION

HOSE overflow, 5/16" (8 mm) ID x 19" (483 mm) long, cut from A172261 bulk, see below

1шт.

5

H430223

RADIATOR HOSE,31.70 mm ID, 42.00 mm ID x 90.00 mm, SAE 20R4

Upper

1шт.

6

214-256

HOSE CLAMP,#20, 0.81" - 1.75", Type F Worm

hose

4шт.

7

H425694

RADIATOR HOSE,31.70 mm ID, 42.00 mm ID x 242.00 mm, SAE 20R4

Lower

1шт.

8

H433370

ANCHOR

MOUNT radiator

2шт.

9

151-539

RIVET,Pop, 3/16" x .450"

pop, 3/16"

8шт.

10

113-102

BOLT,Hex, 5/16" - 18 x 3/4", Gr 5

2шт.

11

195-521

WASHER,5/16", SAE

2шт.

12

195-525

WASHER,3/8", SAE

2шт.

13

87016560

JAM NUT,Jam, 3/8"-16, G5

4шт.

14

N13884

BELT

Fan, Engine

1шт.

15

H412197

FAN

engine cooling

1шт.

16

814-8030

BOLT,Hex, M8 x 1.25 x 30mm, Cl 8.8, Full Thd

4шт.

17

892-1108

LOCK WASHER,M8

4шт.

18

H412205

PLATE

fan

1шт.

19

H422477

GUARD

SHROUD fan

1шт.

20

H421404

FAN

SPACER

1шт.

21

H422493

BRACKET

SPARE PART radiator support, top, no longer required, replaced with Ref. 31 - 37 for service

1шт.

22

113-102

BOLT,Hex, 5/16" - 18 x 3/4", Gr 5

1шт.

23

H426775

WASHER

flat, hardened, plated

1шт.

24

131-1215

LOCK NUT,5/16"-18, GC

1шт.

25

814-10020

BOLT,Hex, M10 x 1.5 x 20mm, Cl 8.8, Full Thd

1шт.

26

892-1110

LOCK WASHER,M10

1шт.

27

196-1

WASHER,13/32" x 13/16" x .089", HDN

flat, hardened, plated 3/8"

1шт.

28

H423517

CONNECTOR, ELEC

CONNECTOR straight, special

2шт.

29

218-1025

HYD CONNECTOR,3/4"-16, 37 Degree x 3/4"-14, NPTF

straight

2шт.

30

H431510

HYDRAULIC HOSE,9.52 mm ID x 1050.00 mm, SAE 100R6

Engine oil cooler, Upper and lower

2шт.

31

H436006

SUPPORT

radiator, left-hand side

1шт.

32

H436122

SUPPORT

SPARE PART STRAP radiator, right-hand side

1шт.

33

113-207

BOLT,Hex, 3/8" - 16 x 1", Gr 5

2шт.

34

196-1

WASHER,13/32" x 13/16" x .089", HDN

flat, hardened, 3/8"

2шт.

35

131-1216

LOCK NUT,3/8"-16, GC

2шт.

36

H359216

MOUNTING PARTS

radiator bracket

2шт.

37

131-931

FLANGE NUT,Flg, USR, 5/16"-18

hex, flange type, special locking, 5/16" NC

4шт.

A172261

HOSE,7.92mm ID x 1820mm L, SAE 30R6

Bulk, Use to make Ref. 4

1шт.

Выбрано товаров: 41