Запчасти Case CASE (9-34) - PLOW BLADE MOUNTING FRAME, GEARBOX AND LINKS (09) - CHASSIS

Схема запчастей Case CASE - (9-34) - PLOW BLADE MOUNTING FRAME, GEARBOX AND LINKS (09) - CHASSIS
9
10
16
27
26
23
13
7
3
8
11
13
7
9
20
11
21
14
10
17
24
9
8
11
11
28
1
19
6
8
7
13
2
22
4
5
25
9
13
10
15
10
18
8
12
FIT
1:1
100%

Артикул

Название

Примечание

Количество

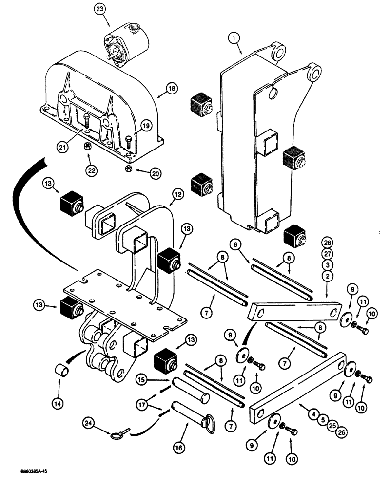
1

REF

INSTRUCTION

FRAME ASSEMBLY plow lift, see Figure 9-32

1шт.

2

H421842

BAR

LINK lift frame to blade mounting frame, right-hand upper, used on models, Serial Range: -JAF0003587

1шт.

3

H421859

BAR

LINK lift frame to blade mounting frame, left-hand upper, used on models, Serial Range: -JAF0003587

1шт.

4

H421826

GUIDE

LINK lift frame to blade mounting frame, right-hand lower, used on models, Serial Range: -JAF0003587

1шт.

5

H421834

GUIDE

LINK lift frame to blade mounting frame, left-hand lower, used on models, Serial Range: -JAF0003587

1шт.

6

H421867

SHAFT

link mounting, upper links at lift frame only, Replaces: H421875

1шт.

7

H421867

SHAFT

link mounting

3шт.

8

H430264

KEY

shaft retaining

8шт.

9

H165720

WASHER

shaft retaining

8шт.

10

113-424

BOLT,Hex, 1/2" - 13 x 1", Gr 5, Full Thd

8шт.

11

192-23

LOCK WASHER,1/2"

8шт.

12

H614461

FRAME ASSY

blade and gearbox mounting, Includes: Ref. 13 and 14

1шт.

13

H235077

BUSHING

rubber, link attaching

4шт.

14

H418954

BUSHING

blade attaching

4шт.

15

H393843

PIN

blade attaching, upper

1шт.

16

H651000

PIN

blade attaching, lower

1шт.

17

132-313

COTTER PIN,1/4" x 2"

No longer required, order Ref. 24 for service

2шт.

18

H530204

GEAR WHEEL

BOX ASSEMBLY plow, parts list Figure 9-54

1шт.

19

113-233

BOLT,Hex, 3/8" - 16 x 1-3/4", Gr 5

Outer mounting holes

4шт.

20

230-4216

LOCK NUT,3/8"-16, GA

Outer mounting holes

4шт.

21

113-509

BOLT,Hex, 9/16" - 12 x 2", Gr 5

Inner mounting holes

6шт.

22

131-1218

LOCK NUT,9/16"-12, GC

Inner mounting holes

6шт.

23

H672064

MOTOR, HYDRAULIC

ASSEMBLY plow, parts list Figure 8-32, gearbox drive parts and plow motor mounting on Figure 9-54

1шт.

24

A30338

PIN

blade attaching pin

2шт.

25

H435952

BAR

LINK lift frame to blade mounting frame, right-hand lower, used on models with, Start Serial: JAF0003587

1шт.

26

H435953

BAR

LINK lift frame to blade mounting frame, left-hand lower, used on models with, Start Serial: JAF0003587

1шт.

27

H421826

GUIDE

LINK lift frame to blade mounting frame, right-hand upper, used on models with, Start Serial: JAF0003587

1шт.

28

H421834

GUIDE

LINK lift frame to blade mounting frame, left-hand upper, used on models with, Start Serial: JAF0003587

1шт.

Выбрано товаров: 28