Запчасти Case CASE (9-54) - PLOW GEARBOX ASSEMBLY AND MOTOR MOUNTING (09) - CHASSIS

Схема запчастей Case CASE - (9-54) - PLOW GEARBOX ASSEMBLY AND MOTOR MOUNTING (09) - CHASSIS
33
13
19
27
9
17
30
3
4
13
31
10
8
33
24
26
5
11
21
16
28
7
25
18
1
19
12
6
22
2
17
29
32
23
15
14
20
FIT
1:1
100%

Артикул

Название

Примечание

Количество

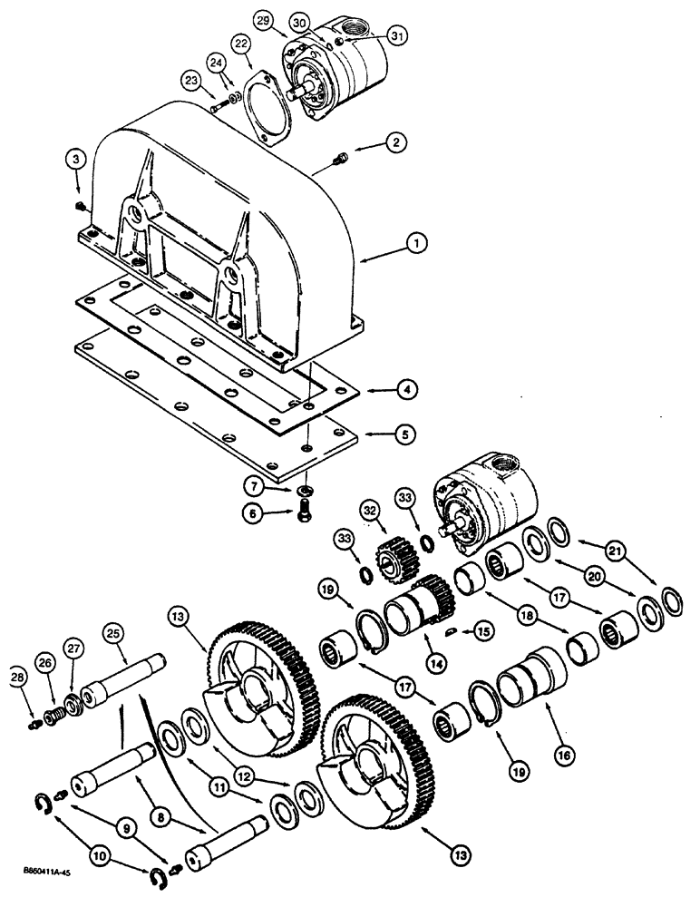
H530204

GEAR WHEEL

BOX ASSEMBLY plow, Includes: Ref. 1 - 28

1шт.

1

H113209

CASE

HOUSING gearbox assembly

1шт.

2

L33264

BREATHER

housing

1шт.

3

221-849

PLUG,Hex Soc, 1/8"-27

hex socket head, non-plated, drain, 1/8" NPT

1шт.

4

H113266

GASKET

GASKET housing to cover plate

1шт.

5

H113274

PLATE

cover, bottom

1шт.

6

113-207

BOLT,Hex, 3/8" - 16 x 1", Gr 5

2шт.

7

192-21

LOCK WASHER,3/8"

2шт.

8

H113258

PIN

SPARE PART gear and shaft retaining, no longer used, order Ref. 25 - 28 for service

2шт.

9

219-8

LUBE NIPPLE,1/4" - 28 NPTF

Used with Ref. 8 pin only

2шт.

10

A21145

SNAP RING,1.25, Int, #125

1.25", Int, #125, shaft

2шт.

11

H159160

WASHER

SHIM, 1/16" (1.5 mm) thick

2шт.

12

H126201

WASHER

thrust, hardened, 3/32" (2.5 mm) thick, used with Ref. 8 pin only

1шт.

13

H113217

GEAR

drive and driven

2шт.

14

H113225

HUB

SHAFT pinion, drive gear

1шт.

15

H120550

KEY

pinion shaft, gear retaining

1шт.

16

H113233

HUB

CARRIER driven gear

1шт.

17

H748210

NEEDLE BEARING,Needle, 31.75mm ID x 44.45mm OD x 31.75mm W

needle, pinion shaft and carrier

4шт.

18

H369496

SPACER

needle bearings

2шт.

19

F40807

SNAP RING,#225, Ext

Ring, Snap, , gear #225, Ext

2шт.

20

H113241

BEARING WASHER

SHIM, 1/8" (3.5 mm) thick, next to needle bearing

1шт.

21

H357517

BEARING WASHER

SHIM, 1/32" (0.8 mm) thick, do not use next to needle bearing

1шт.

22

H32375

GASKET

motor

1шт.

23

113-348

BOLT

hex head, plated, 7/16"-14 NC x 1-1/2"

2шт.

24

195-529

WASHER,7/16", SAE

4шт.

25

H436788

PIN

gear and shaft retaining

2шт.

26

D136218

SCREW

locating

2шт.

27

H436789

WASHER

special

2шт.

28

219-17

LUBE NIPPLE,3/16" NPTF

2шт.

29

H672064

MOTOR, HYDRAULIC

ASSEMBLY plow drive, parts list Figure 8-32

1шт.

30

193-97

LOCK WASHER,Ext Tooth, 7/16"

2шт.

31

131-1129

LOCK NUT,7/16"-14, GA

hex, self-locking, plated, 7/16"-14 NC

2шт.

32

H113282

GEAR

drive, plow gearbox

1шт.

33

A27521

SNAP RING,#68, Ext

gear #68, Ext

2шт.

Выбрано товаров: 34