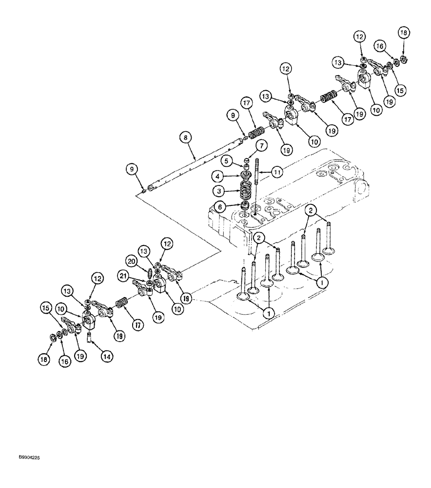
Запчасти Case MAXI-SNEAKER (02-026) - VALVE MECHANISM AND ROCKER ARM, KUBOTA V1505-B ENGINE, KUBOTA V1505-B ENGINE (02) - ENGINE

Схема запчастей Case MAXI-SNEAKER - (02-026) - VALVE MECHANISM AND ROCKER ARM, KUBOTA V1505-B ENGINE, KUBOTA V1505-B ENGINE (02) - ENGINE
10
12
9
19
17
8
19
14
13
13
13
19
18
1
12
19
16
10
5
4
15
11
1
13
19
17
12
19
17
2
6
12
9
2
21
20
3
10
15
10
19
16
7
18
19
FIT
1:1
100%

Артикул

Название

Примечание

Количество

1

125320A1

HYDRAULIC VALVE

intake

4шт.

2

125321A1

HYDRAULIC VALVE

exhaust

4шт.

3

125322A1

SPRING

valve

8шт.

4

125323A1

RETAINER

RETAINER valve spring

8шт.

5

1959278C1

SPACER

KEEPER valve spring

8шт.

6

125324A1

SEAL

valve stem

8шт.

7

1959280C1

PLUG

valve

8шт.

125325A1

SHAFT

SHAFT ASSEMBLY rocker arm, Includes: Ref. 8 and 9

1шт.

8

NSS

NOT SOLD SEPARAT

SHAFT rocker

1шт.

9

125326A1

SCREEN

set

2шт.

10

125327A1

BRACKET

rocker arm

4шт.

11

125328A1

STUD

bracket

4шт.

12

1959288C1

NUT

hex, 7 mm

4шт.

13

1959289C1

WASHER

flat, 7.5 x 15 x 1.6 mm

4шт.

14

1959290C1

SET SCREW

set, special, rocker arm

1шт.

15

125329A1

WASHER

rocker arm

2шт.

16

125330A1

WASHER

rocker arm

2шт.

17

125331A1

SPRING

rocker arm

3шт.

18

125332A1

CIRCLE-CUTTER BLOCK

external

2шт.

125333A1

ROCKER ARM

ARM ASSEMBLY, Includes: Ref. 19 - 21

8шт.

19

NSS

NOT SOLD SEPARAT

ARM rocker

1шт.

20

125334A1

ADJUSTMENT SCREW

adjusting

1шт.

21

125335A1

NUT

adjusting screw

1шт.

Выбрано товаров: 23