Запчасти Case MAXI-SNEAKER (08-036) - PLOW HYDRAULIC CIRCUIT, STEERING, PLOW AND PLOW MOTOR CONTROL VALVE, P75 PLOW (08) - HYDRAULICS

Схема запчастей Case MAXI-SNEAKER - (08-036) - PLOW HYDRAULIC CIRCUIT, STEERING, PLOW AND PLOW MOTOR CONTROL VALVE, P75 PLOW (08) - HYDRAULICS
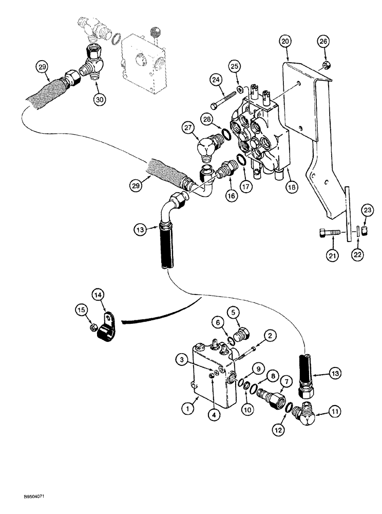
20
3
8
9
25
29
24
1
14
28
17
13
7
15
26
6
2
12
27
29
30
4
11
23
16
21
13
22
18
5
10
FIT
1:1
100%

Артикул

Название

Примечание

Количество

1

H674732

SLIDE VALVE

ASSEMBLY control, steering and attachment lift, parts list Figure 05-010

1шт.

2

413-432

BOLT,Hex, 1/4" - 20 x 2", Gr 5

2шт.

3

H426767

WASHER

flat, 9/32 x 5/8 x 3/64 inch

2шт.

4

232-4114

LOCK NUT,1/4"-20, GC

2шт.

5

76349

PLUG,9/16" - 18 ORB

Incl. Ref. 6

2шт.

H347906

FITTING

VALVE ASSEMBLY, power beyond, Includes: Ref. 7 - 10

1шт.

7

NSS

NOT SOLD SEPARAT

BODY adapter

1шт.

8

238-5114

O-RING,0.103" Thk x 0.612" ID, -114, Cl 5, 75 Duro

1шт.

9

238-5014

O-RING,0.07" Thk x 0.489" ID, -14, Cl 5, 75 Duro

1шт.

10

D37070

SEAL,13.16mm ID x 15.85mm OD x 1.25mm Thk

backup

1шт.

11

218-5117

ELBOW,90 Degree Elbow, 7/8" - 14 Male JIC x 3/4" - 16 Male ORB

ELBOW, 90 degree, 7/8-14 flare x 3/4-16 inch adj. O-ring boss, Includes: Ref. 12

1шт.

12

237-6008

O-RING,0.087" Thk x 0.644" ID, -908, Cl 6, 90 Duro

1шт.

13

178344A1

HOSE

steering and attachment lift control valve to plow control valve, 2135 mm (84 inch) long

1шт.

14

D88052

CLAMP,25.4mm ID, 10.31mm Bolt Hole, P Type

P type, attaches to lockout valve mounting bolt, 1 inch ID

1шт.

15

232-4115

LOCK NUT,5/16"-18, GC

1шт.

16

218-5062

HYD CONNECTOR,7/8"-14, 37 Degree x 7/8"-14, O-Ring

ADAPTER straight, 7/8-14 inch flare x O-ring boss, Includes: Ref. 17

1шт.

17

237-6010

O-RING,0.097" Thk x 0.755" ID, -910, Cl 6, 90 Duro

1шт.

18

220409A1

VALVE

ASSEMBLY control, plow lift and swing, parts list Figure 08-042

1шт.

19

127447A1

DECAL

plow control pattern, lift and swing, not shown, see Figure 09-064 for decals

1шт.

20

177568A1

SUPPORT

mounting, plow control valve

1шт.

21

413-824

BOLT,Hex, 1/2" - 13 x 1-1/2", Gr 5

2шт.

22

H274894

WASHER

flat, special

2шт.

23

232-4118

NUT,1/2"-13, GC

2шт.

24

413-544

BOLT,Hex, 5/16" - 18 x 2-3/4", Gr 5

2шт.

25

496-11034

WASHER,11/32" x 11/16" x 1/16", HDN

2шт.

26

232-4115

LOCK NUT,5/16"-18, GC

2шт.

27

218-5123

ELBOW,90 Degree Elbow, 1-1/16" - 12 Male JIC x 7/8" - 14 Male ORB

ELBOW, 90 degree, 1-1/16-12 flare x 7/8-14 inch adj. O-ring boss, Includes: Ref. 28

1шт.

28

237-6010

O-RING,0.097" Thk x 0.755" ID, -910, Cl 6, 90 Duro

1шт.

29

183290A1

HOSE

plow lift and swing control valve to tee, 457 mm (18 inch) long

1шт.

30

218-5221

TEE,37 Degree, 1 1/16"-12 x 1 1/16"-12, Fem Sw Run

1шт.

6

237-6006

O-RING,0.078" Thk x 0.468" ID, -906, Cl 6, 90 Duro

1шт.

Выбрано товаров: 31