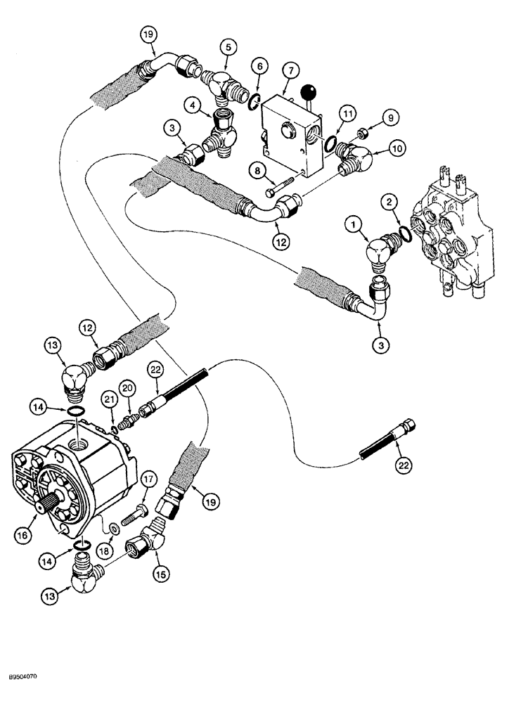
Запчасти Case MAXI-SNEAKER (08-040) - PLOW HYDRAULIC CIRCUIT, PLOW MOTOR SUPPLY AND RETURN LINES, P75 PLOW (08) - HYDRAULICS

Схема запчастей Case MAXI-SNEAKER - (08-040) - PLOW HYDRAULIC CIRCUIT, PLOW MOTOR SUPPLY AND RETURN LINES, P75 PLOW (08) - HYDRAULICS
14
3
11
22
15
18
19
4
12
1
22
21
12
10
13
2
19
3
7
6
16
17
20
8
5
9
14
13
FIT
1:1
100%

Артикул

Название

Примечание

Количество

1

218-5123

ELBOW,90 Degree Elbow, 1-1/16" - 12 Male JIC x 7/8" - 14 Male ORB

ELBOW, 90 degree, 1-1/16-12 flare x 7/8-14 inch adj O-ring boss, Includes: Ref. 2

1шт.

2

237-6010

O-RING,0.097" Thk x 0.755" ID, -910, Cl 6, 90 Duro

1шт.

3

183290A1

HOSE

power lift and swing control valve to tee, 457 mm (18 inch) long

1шт.

4

218-5221

TEE,37 Degree, 1 1/16"-12 x 1 1/16"-12, Fem Sw Run

Includes: Ref. 6

1шт.

5

218-5594

TEE,37 Degree, 1 1/16"-12, 7/8"-14 O-Ring Run, 1 1/16"-12

TEE, 1-1/16-12 flare branch x flare x 7/8-14 inch adj. O-ring, Includes: Ref. 6

1шт.

6

237-6010

O-RING,0.097" Thk x 0.755" ID, -910, Cl 6, 90 Duro

1шт.

7

H675047

VALVE

ASSEMBLY control, plow motor, parts list Figure 08-030

1шт.

8

413-532

BOLT,Hex, 5/16" - 18 x 2", Gr 5

2шт.

9

232-4115

LOCK NUT,5/16"-18, GC

2шт.

10

218-5123

ELBOW,90 Degree Elbow, 1-1/16" - 12 Male JIC x 7/8" - 14 Male ORB

ELBOW, 90 degree, 1-1/16-12 flare x 7/8-14 inch adj. O-ring boss, Includes: Ref. 11

1шт.

11

237-6010

O-RING,0.097" Thk x 0.755" ID, -910, Cl 6, 90 Duro

1шт.

12

183287A1

HOSE

control valve to upper port of plow motor, 1143 mm (45 inch) long

1шт.

13

218-5118

ELBOW,90 Degree Elbow, 1-1/16" - 12 Male JIC x 1-5/16" - 12 Male ORB

Adj. O-ring boss, Includes: Ref. 14

2шт.

14

237-6016

O-RING,0.116" Thk x 1.171" ID, -916, Cl 6, 90 Duro

1шт.

15

218-5175

ELBOW,45 Degree Elbow, 1-1/16" - 12 Male JIC x 1-1/16" - 12 Female JIC

ELBOW, 45 degree, 1-1/16-12 inch flare x swivel

1шт.

16

142714A1

MOTOR

ASSEMBLY plow, parts list Figure 08-048

1шт.

17

413-824

BOLT,Hex, 1/2" - 13 x 1-1/2", Gr 5

2шт.

18

H274894

WASHER

flat, special

2шт.

19

183288A1

HOSE

plow motor to control valve, 1143 mm (45 inch) long

1шт.

20

218-5057

HYD CONNECTOR,9/16" - 18 JIC x 9/16" - 18 ORB

Incl. Ref. 21

1шт.

22

H362418

HOSE

plow motor case drain, 1219 mm (48 inch) long

1шт.

21

237-6006

O-RING,0.078" Thk x 0.468" ID, -906, Cl 6, 90 Duro

1шт.

Выбрано товаров: 22