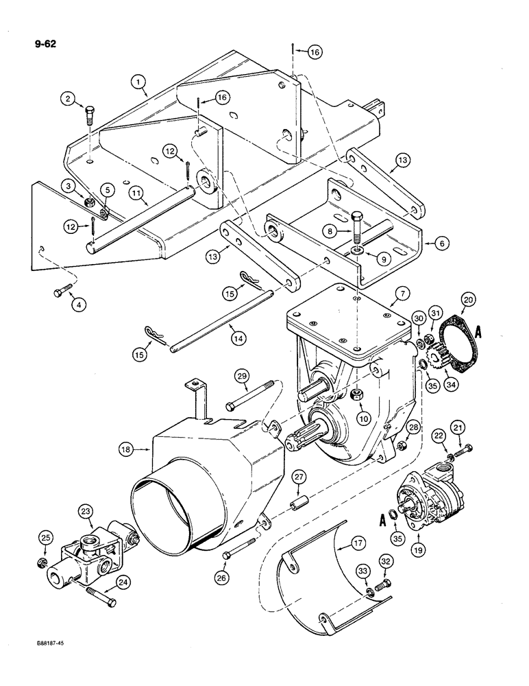
Запчасти Case MAXI-SNEAKER C (9-62) - HYDRA-BORER GEARBOX AND MOTOR MOUNTING (09) - CHASSIS/ATTACHMENTS

Схема запчастей Case MAXI-SNEAKER C - (9-62) - HYDRA-BORER GEARBOX AND MOTOR MOUNTING (09) - CHASSIS/ATTACHMENTS
FIT
1:1
100%

Артикул

Название

Примечание

Количество

1

H644468

BRACKET

FRAME - Hydra-Borer mounting

1шт.

2

113-208

BOLT,Hex, 3/8" - 16 x 1-1/4", Gr 5

6шт.

3

230-4216

LOCK NUT,3/8"-16, GA

NUT - hex, self-locking, 3/8" - 16 NC, plated

6шт.

4

113-104

BOLT,Hex, 5/16" - 18 x 1-1/4", Gr 5

2шт.

5

131-176

LOCK NUT,Prev Torque, Hex, 5/16" - 18, Gr A

NUT - hex, self-locking, 5/16" - 18 NC, plated

2шт.

6

H553388

CHANNEL

BRACKET - Hydra-Borer gearbox mounting

1шт.

7

H666875

GEARBOX ASSY

GEARBOX ASSEMBLY - Hydra-Borer, parts list Figure 9-64

1шт.

8

113-441

BOLT,Hex, 1/2" - 13 x 2-1/4", Gr 5

Hex, 1/2"-13 x 2 1/4", G5

4шт.

9

R24718

WASHER

- flat, 1/2", hardened

4шт.

10

131-1182

LOCK NUT,1/2"-13, GA

NUT - hex, self-locking, 1/2" - 13 NC, plated

4шт.

11

H175448

SHAFT

PIN - pivot, Serial Range: bracket-frame

1шт.

12

132-307

COTTER PIN,1/4" x 1 3/4"

PIN, Split (Cotter), 1/4" x 1 3/4"

2шт.

13

H175430

LINK

- mounting bracket to Hydra-Borer frame

2шт.

14

H175414

PIN

- pivot, bracket

1шт.

15

H32292

PIN

- hair

2шт.

16

132-310

COTTER PIN,1/8" x 1"

PIN, SPLIT (COTTER), 1/8" x 1"

2шт.

17

H645838

SHIELD

- Hydra-Borer

1шт.

18

H645788

GUARD

- Hydra-Borer

1шт.

19

H654814

MOTOR

ASSEMBLY - Hydra-Borer drive, parts list Figure 8-44

1шт.

20

H32375

GASKET

- motor

1шт.

21

113-312

BOLT,Hex, 7/16" - 14 x 1-1/4", Gr 5

2шт.

22

192-22

LOCK WASHER,7/16"

WASHER, LOCK, 7/16"

2шт.

23

H511113

JOINT

U-JOINT ASSEMBLY - Hydra-Borer attachment, parts list Figure 9-70

1шт.

24

113-2259

BOLT,Hex, 3/8" - 16 x 2-1/2", Gr 2

1шт.

25

230-4216

LOCK NUT,3/8"-16, GA

NUT - hex, self-locking, 3/8" - 16 NC, plated

1шт.

26

113-119

BOLT,Hex, 5/16" - 18 x 2-3/4", Gr 5

1шт.

27

H217174

SPACER

-, Serial Range: gearbox-guard

1шт.

28

131-176

LOCK NUT,Prev Torque, Hex, 5/16" - 18, Gr A

NUT - hex, self-locking, 5/16" - 18 NC, plated

1шт.

29

113-259

BOLT,Hex, 3/8" - 16 x 4-1/2", Gr 5

1шт.

30

195-525

WASHER,3/8", SAE

- flat, 3/8", plated

1шт.

31

230-4216

LOCK NUT,3/8"-16, GA

NUT - hex, self-locking, 3/8" - 16 NC, plated

1шт.

32

113-207

BOLT,Hex, 3/8" - 16 x 1", Gr 5

Included with H666875 gearbox Hex, 3/8"-16 x 1", G5, Full Thd

2шт.

33

192-21

LOCK WASHER,3/8"

WASHER, LOCK, , Included with H666875 gearbox 3/8"

2шт.

34

H426023

SPUR

GEAR - pinion, included with H666875 gearbox

1шт.

35

A27521

SNAP RING,#68, Ext

RING, Snap, , gear #68, Ext

2шт.

Выбрано товаров: 35