Запчасти Case MAXI-SNEAKER C (5-14) - DIRECTIONAL CONTROLS, STEERING, FORWARD AND REVERSE, USED ON MODELS WITH P.I.N. JAF0021856 AND AFTER (05) - STEERING

Схема запчастей Case MAXI-SNEAKER C - (5-14) - DIRECTIONAL CONTROLS, STEERING, FORWARD AND REVERSE, USED ON MODELS WITH P.I.N. JAF0021856 AND AFTER (05) - STEERING
FIT
1:1
100%

Артикул

Название

Примечание

Количество

1

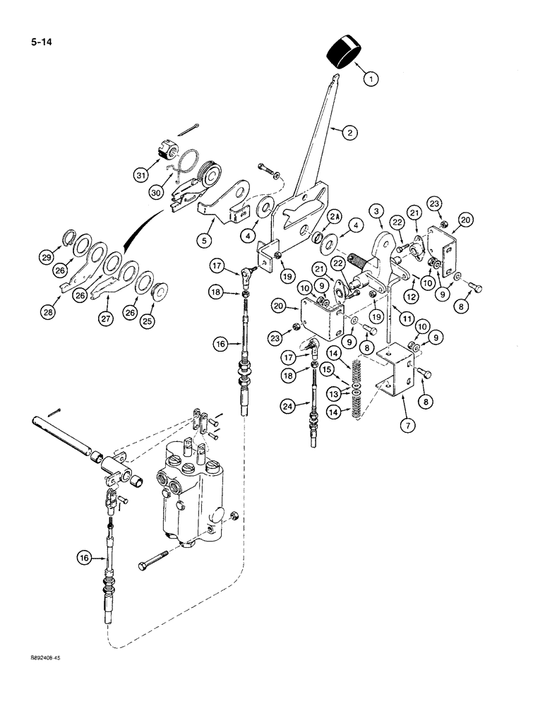
A177435

BALL KNOB

KNOB - directional control handle

1шт.

2

H673672

HANDLE

- directional control, Includes: Ref. 2A

1шт.

2a

H433184

BEARING

BUSHING - directional control handle

1шт.

3

H435855

PIVOT

BELLCRANK - drive control

1шт.

4

H433170

WASHER

- flat, nylon, special

2шт.

5

H436230

LARGE PLATE

PLATE - centering

1шт.

7

H433356

CHANNEL

BRACKET - steering spring retention

1шт.

8

113-102

BOLT,Hex, 5/16" - 18 x 3/4", Gr 5

Hex, 5/16"-18 x 3/4", G5, Full Thd

6шт.

9

H426775

WASHER

- flat, 5/16" bolt size, hardened, plated

10шт.

10

131-176

LOCK NUT,Prev Torque, Hex, 5/16" - 18, Gr A

NUT - hex, self-locking, 5/16" - 18 NC, plated

6шт.

11

H433355

ROD

- centering

1шт.

12

132-329

COTTER PIN,1/16" x 3/4"

1/16" x 3/4"

1шт.

13

195-518

WASHER,1/4", SAE

- flat, 1/4", plated

2шт.

14

H196717

VALVE SPRING

SPRING - steering control

2шт.

15

132-320

COTTER PIN,3/32" x 3/4"

PIN, SPLIT (COTTER), 3/32" x 3/4"

2шт.

16

H556290

CONTROL

CABLE - steering

1шт.

17

H358374

PIVOT,1/4" - 28 x 1-1/3"

JOINT - ball, 1/4" - 28 NF

2шт.

18

425-154

JAM NUT,Jam, 1/4"-28, G5

2шт.

19

131-1168

LOCK NUT,1/4"-28, GA

NUT, LOCK, 1/4"-28, GA

2шт.

20

H429845

ANGLE

BRACKET - bellcrank mounting

2шт.

21

H755785

FLANGED BEARING,15.88mm ID

BEARING - flange

2шт.

22

113-3

BOLT,Hex, 1/4" - 20 x 3/4", Gr 5

4шт.

23

131-1180

LOCK NUT,1/4"-20, GA

NUT, LOCK, 1/4"-20, GA

4шт.

24

H644401

CABLE

- ground drive, for connecttion at ground drive pump, see Figure 6-16

1шт.

H673263

MOUNTING PARTS

MOUNT ASSEMBLY - neutral start switch, Includes: Ref. 25-29

1шт.

25

H435800

HUB

- bracket

1шт.

26

H257915

SHIM,0.813mm Thk

Bracket 0.813mm Thk

3шт.

27

H436226

CONTACT PLATE

PLATE - switch contact

1шт.

28

H436227

PLATE

- switch mounting

1шт.

29

F62020

SNAP RING,#125, Ext

RING, Snap, #125, Ext

1шт.

30

H436231

SPRING

- mount assembly

1шт.

31

129-287

SLOTTED NUT,3/4"-10, G5

1шт.

Выбрано товаров: 32