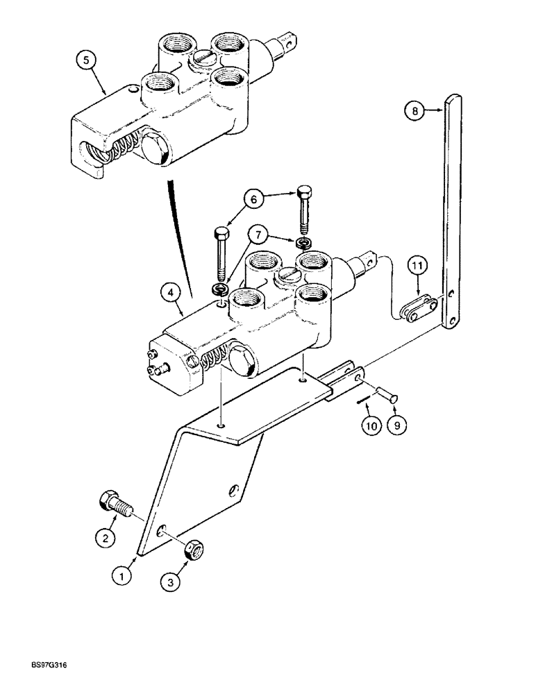
Запчасти Case TF300 (9-68) - HYDRA-BORER CONTROL VALVE MOUNTING (09) - CHASSIS/ATTACHMENTS

Схема запчастей Case TF300 - (9-68) - HYDRA-BORER CONTROL VALVE MOUNTING (09) - CHASSIS/ATTACHMENTS
9
3
8
11
5
2
10
1
7
4
6
FIT
1:1
100%

Артикул

Название

Примечание

Количество

1

H504050

SUPPORT

BRACKET - mounting, valve

1шт.

2

413-832

BOLT,Hex, 1/2" - 13 x 2", Gr 5

2шт.

3

230-4218

LOCK NUT,1/2"-13, GA

NUT - hex, self-locking, 1/2 inch NC

2шт.

4

H544718

LOCK VALVE

VALVE ASSEMBLY - control, one spool, 2 position detent Hydra-Borer, if used, (See Figure 8-38)

1шт.

5

107110A1

VALVE

ASSEMBLY - control, one spool, 3 position spring centered Hydra-Borer, if used, (See Figure 8-40)

1шт.

6

413-536

BOLT,Hex, 5/16" - 18 x 2-1/4", Gr 5

- hex, 5/16 NC x 2-1/4 inch

2шт.

7

492-11031

LOCK WASHER,5/16"

WASHER, LOCK, 5/16"

2шт.

8

H71415

LEVER

- control valve

1шт.

9

H35279

AXLE PIN,4.72mm OD x 23.76mm L

PIN - clevis, 3/16 x 57/64 inch

1шт.

10

432-48

COTTER PIN,1/16" x 1/2"

PIN, SPLIT (COTTER), 1/16" x 1/2"

1шт.

11

241-1315

LINK, CONNECTING

LINK - connecting, single pitch, No. 50, 5/8 inch pitch, control valve, Serial Range: spool-lever

1шт.

Выбрано товаров: 11