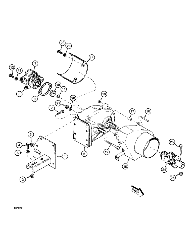
Запчасти Case TF300 (9-70) - HYDRA-BORER GEARBOX AND MOTOR MOUNTING (09) - CHASSIS/ATTACHMENTS

Схема запчастей Case TF300 - (9-70) - HYDRA-BORER GEARBOX AND MOTOR MOUNTING (09) - CHASSIS/ATTACHMENTS
17
3
7
16
8
13
9
3
15
6
1
23
4
5
18
21
25
24
26
20
10
12
22
19
14
11
2
FIT
1:1
100%

Артикул

Название

Примечание

Количество

1

H529842

SUPPORT

BRACKET - mounting, Hydra-Borer

1шт.

2

413-832

BOLT,Hex, 1/2" - 13 x 2", Gr 5

4шт.

3

230-4218

LOCK NUT,1/2"-13, GA

NUT - hex, self-locking, 1/2 inch NC

6шт.

4

413-820

BOLT,Hex, 1/2" - 13 x 1-1/4", Gr 5

- hex, 1/2 NC x 1-1/4 inch

2шт.

5

495-21050

WASHER,7/16"

- flat, 1/2 x 1-1/4 x 5/64 inch

2шт.

6

H666875

GEARBOX ASSY

GEARBOX ASSEMBLY - Hydra-Borer (See Figure 9-72)

1шт.

7

REF

INSTRUCTION

MOTOR ASSEMBLY - Hydra-Borer drive, (See Figures 8-42 and 8-44)

1шт.

8

221-84

REDUCER,Hex, 1/4" x 1/8" NPT

- pipe, 1/4 male x 1/8 inch female

1шт.

9

H32375

GASKET

- motor

1шт.

10

H426023

SPUR

GEAR - input pinion, included with H666875 gearbox

1шт.

11

100-1168

SNAP RING,#68, Ext

Ring, Snap, #68, Ext

2шт.

12

413-720

BOLT,Hex, 7/16" - 14 x 1-1/4", Gr 5

- hex, 7/16 NC x 1-1/4 inch

2шт.

13

492-11044

LOCK WASHER,7/16"

WASHER, LOCK, 7/16"

2шт.

14

H645838

SHIELD

- Hydra-Borer shaft

1шт.

15

H645788

GUARD

- Hydra-Borer

1шт.

16

413-544

BOLT,Hex, 5/16" - 18 x 2-3/4", Gr 5

- hex, 5/16 NC x 2-3/4 inch

1шт.

17

H217174

SPACER

-, Serial Range: gearbox-guard

1шт.

18

230-4215

NUT,5/16"-18, GA

NUT - hex, self-locking, 5/16 inch NC

1шт.

19

413-672

BOLT,Hex, 3/8" - 16 x 4-1/2", Gr 5

- hex, 3/8 NC x 4-1/2 inch

1шт.

20

495-11041

WASHER,0.406" ID x 0.812" OD x 0.065" W

(Flat, 13/32 x 13/16 x 1/16") 3/8", SAE

1шт.

21

230-4216

LOCK NUT,3/8"-16, GA

NUT - hex, self-locking, 3/8 inch NC

1шт.

22

413-616

BOLT,Hex, 3/8" - 16 x 1", Gr 5

- hex, 3/8 NC x 1 inch, Included with H666875 gearbox

2шт.

23

492-11038

LOCK WASHER,3/8"

included with H666875 gearbox 3/8"

2шт.

24

H511113

JOINT

U-JOINT ASSEMBLY - Hydra-Borer attachment (See Figure 9-78)

1шт.

25

413-640

BOLT,Hex, 3/8" - 16 x 2-1/2", Gr 5

- hex, 3/8 NC x 2-1/2 inch

1шт.

26

230-4216

LOCK NUT,3/8"-16, GA

NUT - hex, self-locking, 3/8 inch NC

2шт.

Выбрано товаров: 0