Запчасти Case TF300 (9-72) - HYDRA-BORER GEARBOX ASSEMBLY (09) - CHASSIS/ATTACHMENTS

Схема запчастей Case TF300 - (9-72) - HYDRA-BORER GEARBOX ASSEMBLY (09) - CHASSIS/ATTACHMENTS
28
17
2
10
15
19
19
18
23
22
5
14
16
11
1
9
30
32
27
3
29
3
25
29
21
13
6
18
20
31
4
7
24
8
17
26
12
FIT
1:1
100%

Артикул

Название

Примечание

Количество

H666875

GEARBOX ASSY

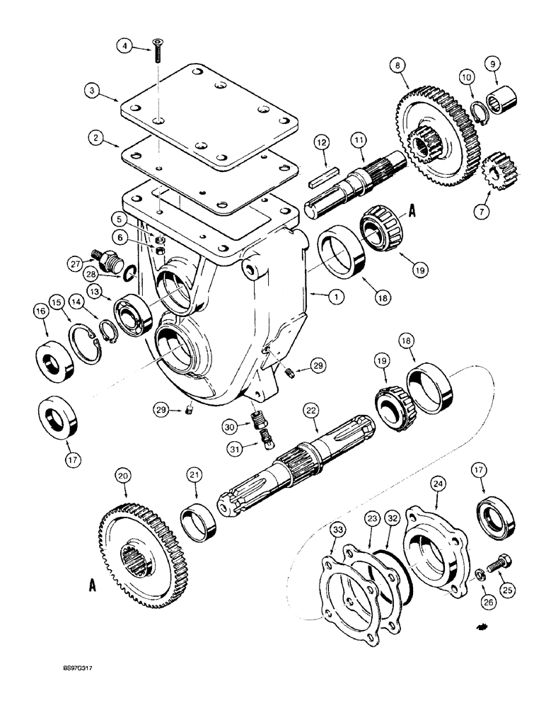
GEARBOX ASSEMBLY - Hydra-Borer, Includes: Ref. 1 - 33

1шт.

1

H424234

HOUSING

- gearbox

1шт.

2

H425991

GASKET

- cover plate

1шт.

3

H426015

PLATE

- cover, bottom

1шт.

4

61-42520

HEX SOC SCREW,Flat Hd, 1/4"-20 x 1 1/4"

BOLT - hex socket, 1/4 NC x 1-1/4 inch

4шт.

5

492-11025

LOCK WASHER,1/4"

WASHER, LOCK, 1/4"

4шт.

6

425-104

NUT,1/4"-20, Cl 5

- hex, 1/4 inch NC

4шт.

7

H426023

SPUR

GEAR - input pinion, mounts on motor shaft

1шт.

8

H425967

GEAR

- reduction, counter

1шт.

9

A28210

BEARING, NEEDLE,1" ID x 1.25" OD x 1"

BEARING - needle, counter shaft

1шт.

10

100-11100

SNAP RING,#100, Ext

Ring, Snap, , counter shaft, gear #100, Ext

1шт.

11

H668020

SHAFT

COUNTERSHAFT - reducton gear

1шт.

12

T25070

KEY

- square, 1/4 x 2 inch

1шт.

13

ST213

BALL BEARING,30 mm ID x 62 mm OD x 16 mm

BEARING - ball, counter shaft, output end

1шт.

14

101-11118

SNAP RING,#118, 1.121", Ext

RING - external retaining, No. 118, bearing and shaft retaining

1шт.

15

100-21244

SNAP RING,2.44", Int, #244

Ring, Snap, , Brg 2.44", Int, #244

1шт.

16

H759050

SEAL

- oil, counter shaft, output end

1шт.

17

H759068

SEAL

- oil, output shaft

2шт.

18

165964R1

BEARING CUP

CUP - tapered roller bearing

2шт.

19

560953R91

BEARING ASSY,1.375" ID x 2.875" OD x 0.9688"

CONE - tapered roller bearing

2шт.

20

H425975

GEAR

- output

1шт.

21

H425959

SPACER

- output gear

1шт.

22

H425983

SHAFT

- output

1шт.

23

H426031

GASKET

SHIM - cover

1шт.

24

H426007

BEARING CAP

COVER - bearing retaining

1шт.

25

413-616

BOLT,Hex, 3/8" - 16 x 1", Gr 5

- hex, 3/8 NC x 1 inch

4шт.

26

492-11038

LOCK WASHER,3/8"

4шт.

27

H425942

PLUG

STUD - anchor

1шт.

28

237-6010

O-RING,0.097" Thk x 0.755" ID, -910, Cl 6, 90 Duro

10-1, 90 Duro, .755" ID x .097" Thk

1шт.

29

86539484

PIPE PLUG,Sq Hd, 1/8"-27, NTPF

PLUG - square, 1/8 inch PT

2шт.

30

221-85

REDUCER,Hex, 3/8" x 1/8" NPT

- pipe, 3/8 male x 1/8 inch female, reducing,to 1/8" NPT

1шт.

31

152127H1

BREATHER,1/8"-27, Short

- 1/8 inch PT

1шт.

32

238-5152

O-RING,0.103" Thk x 3.237" ID, -152, Cl 5, 75 Duro

1шт.

33

220795A1

SHIM

-

2шт.

Выбрано товаров: 34