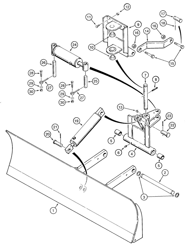
Запчасти Case TF300B (09-23) - MOUNTING BACKFILL BLADE AND CYLINDERS (09) - CHASSIS/ATTACHMENTS

Схема запчастей Case TF300B - (09-23) - MOUNTING BACKFILL BLADE AND CYLINDERS (09) - CHASSIS/ATTACHMENTS
21
19
26
9
27
5
28
15
29
18
1
30
11
6
5
8
7
16
17
24
29
4
10
22
1
25
14
30
2
28
27
3
20
12
23
16
FIT
1:1
100%

Артикул

Название

Примечание

Количество

1

H558320

BLADE

1шт.

2

H434372

SHAFT

1шт.

3

103-16125

SNAP RING,#125, Ext

2шт.

4

H586198

PIVOT

Includes 5

1шт.

5

H127852

BUSHING

2шт.

6

219-1

LUBE NIPPLE,1/8" - 27 NPTF

1шт.

7

H182527

AXLE PIN

1шт.

8

38-12436

3/8 x 2-1/4

1шт.

9

H608026

SUPPORT

Includes 10

1шт.

10

H179077

BUSHING

2шт.

11

413-824

BOLT,Hex, 1/2" - 13 x 1-1/2", Gr 5

2шт.

12

230-4218

LOCK NUT,1/2"-13, GA

2шт.

13

219-55

LUBE NIPPLE,90 Degree Elbow, 1/8" - 27 NPTF

2шт.

14

H252684

LINK

2шт.

15

413-1640

BOLT,Hex, 1" - 8 x 2-1/2", Gr 5

4шт.

16

230-42116

LOCK NUT,1"-8, GA

4шт.

17

H37978

AXLE PIN

1 x 2-1/4

4шт.

18

432-1228

COTTER PIN,3/16" x 1 3/4"

4шт.

19

REF

INSTRUCTION

Cylinder Assy, Lift, See Page(s) 8-19

1шт.

20

H65011

AXLE PIN,25.3mm OD x 75.41mm L

1шт.

21

432-1628

COTTER PIN,1/4" x 1 3/4"

1шт.

22

H71621

RETAINER

1шт.

23

432-1628

COTTER PIN,1/4" x 1 3/4"

1шт.

24

REF

INSTRUCTION

Cylinder Assy, Angle, See Page(s) 8-21

1шт.

25

H56960

PIN

1шт.

26

H236448

PIN

1шт.

27

H313981

PIN

2шт.

28

413-624

BOLT,Hex, 3/8" - 16 x 1-1/2", Gr 5

2шт.

29

495-11041

WASHER,0.406" ID x 0.812" OD x 0.065" W

(13/32 x 13/16 x 1/16")

2шт.

30

230-4216

LOCK NUT,3/8"-16, GA

2шт.

Выбрано товаров: 30