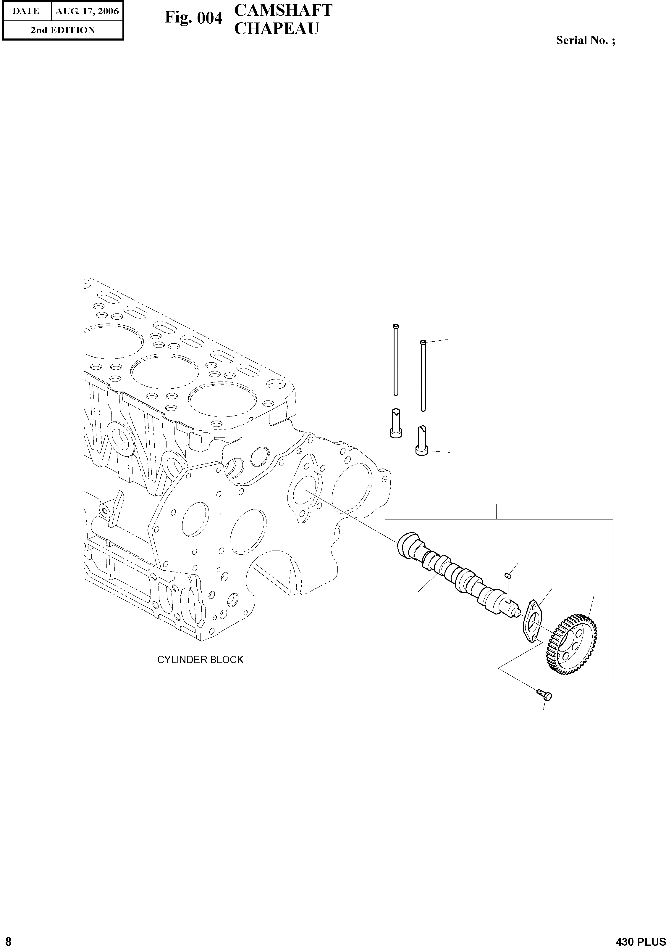
Запчасти Doosan Daewoo CAMSHAFT ENGINE PARTS

1
4B
2
4
3
4A
4D
4C
FIT
1:1
100%

Артикул

Название

Примечание

Количество

-

K1019168

CAMSHAFT

SC: D

-2шт.

1

K1019169

TAPPET;VALVE

desc: TRINGLERIE

8шт.

2

K1019170

ROD;PUSH

desc: TIGE

8шт.

3

K1019171

SCREW

desc: VIS

2шт.

4

K1019398

CAMSHAFT

SC: D

1шт.

4A

K1019129

KEY;SQUARE

desc: . CLEF CARREE

1шт.

4B

K1019172

CAMSHAFT

desc: . EQUIPAGE MOBILE

1шт.

4C

K1019173

GEAR;CAMSHAFT

desc: . PIGNON

1шт.

4D

K1019174

PLATE

desc: . PLAT

1шт.

Выбрано товаров: 0