Качественные детали и логистика
Оригинальные и аналоговые запчасти с доставкой по России, Казахстану и Беларуси
©2022 PartSell ООО "Система" ИНН 2463123282 ОГРН 1212400004838
Центральный офис: г. Красноярск, Академика Киренского, д.87, пом.4
Телефон: 8 (800) 777-65-74 Email: zakaz@partsell.ru
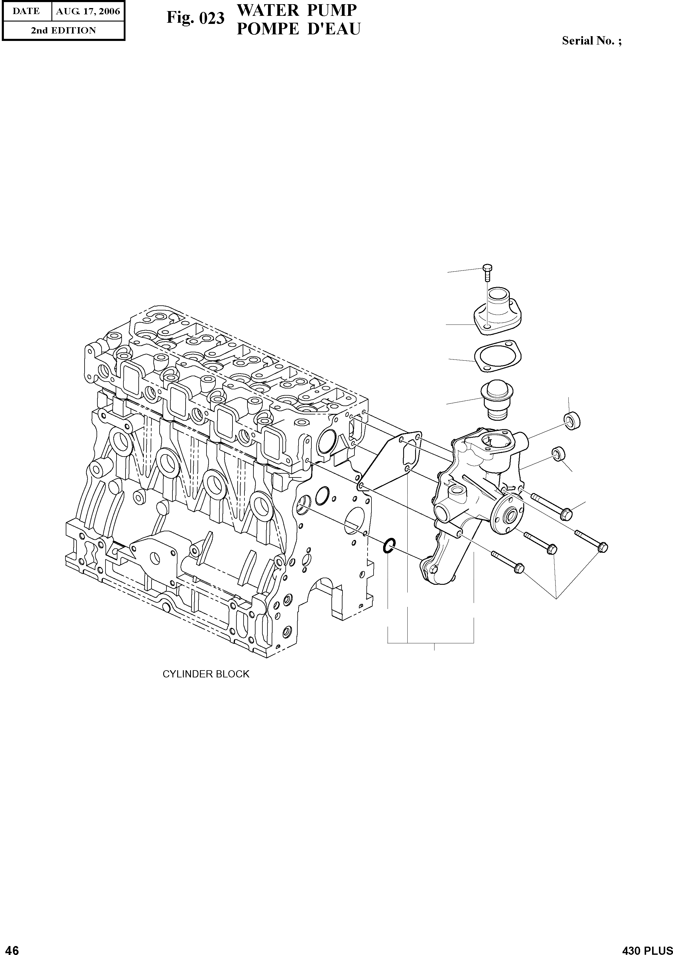
WATER PUMP
№
Артикул
Название
Примечание
Количество
-
K1019347
SC: D
-2шт.
1
K1019348
KIT;WATER PUMP
desc: KIT DE POMPE D'EAU
1шт.
1A
K1019349
PUMP;WATER
desc: . POMPE D'EAU
1B
K1019350
SEAL;O-RING
desc: . JOINT
1C
K1019351
GASKET;WATER PUMP
desc: . JOINT DE POMPE A EAU(INTERIEUR)
2
K1019352
SCREW
desc: VIS
3шт.
3
K1019234
4
K1019353
PLUG;PIPE
desc: BOUCHON
5
K1019354
6
K1019345
PIPE;WATER OUTLET
desc: CONDUITE
7
K1019404
GASKET;THERMOSTAT
desc: JOINT
8
K1019346
2шт.
9
K1019181
THERMOSTAT
desc: THERMOSTAT
Выбрано товаров: 0