Качественные детали и логистика
Оригинальные и аналоговые запчасти с доставкой по России, Казахстану и Беларуси
©2022 PartSell ООО "Система" ИНН 2463123282 ОГРН 1212400004838
Центральный офис: г. Красноярск, Академика Киренского, д.87, пом.4
Телефон: 8 (800) 777-65-74 Email: zakaz@partsell.ru
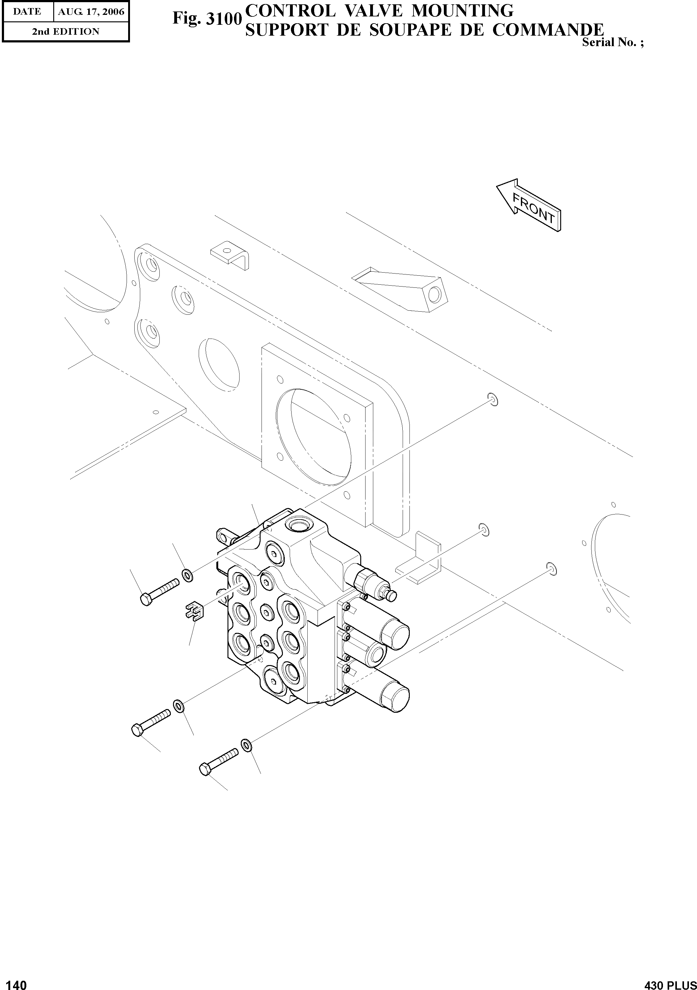
CONTROL VALVE MOUNTING
№
Артикул
Название
Примечание
Количество
-
K1020510
CONT.VALVE MTG
SC: D
-2шт.
1
K1019991
VALVE;CONTROL
desc: VANNE DE COMMANDE
1шт.
2
S0556363
BOLT
desc: BOULON A 6 PANS
3шт.
3
K1023146
WASHER;HARDENED
desc: RONDELLE
4
K1020154
RESTRICTOR
desc: RESTRICTEUR
Выбрано товаров: 0