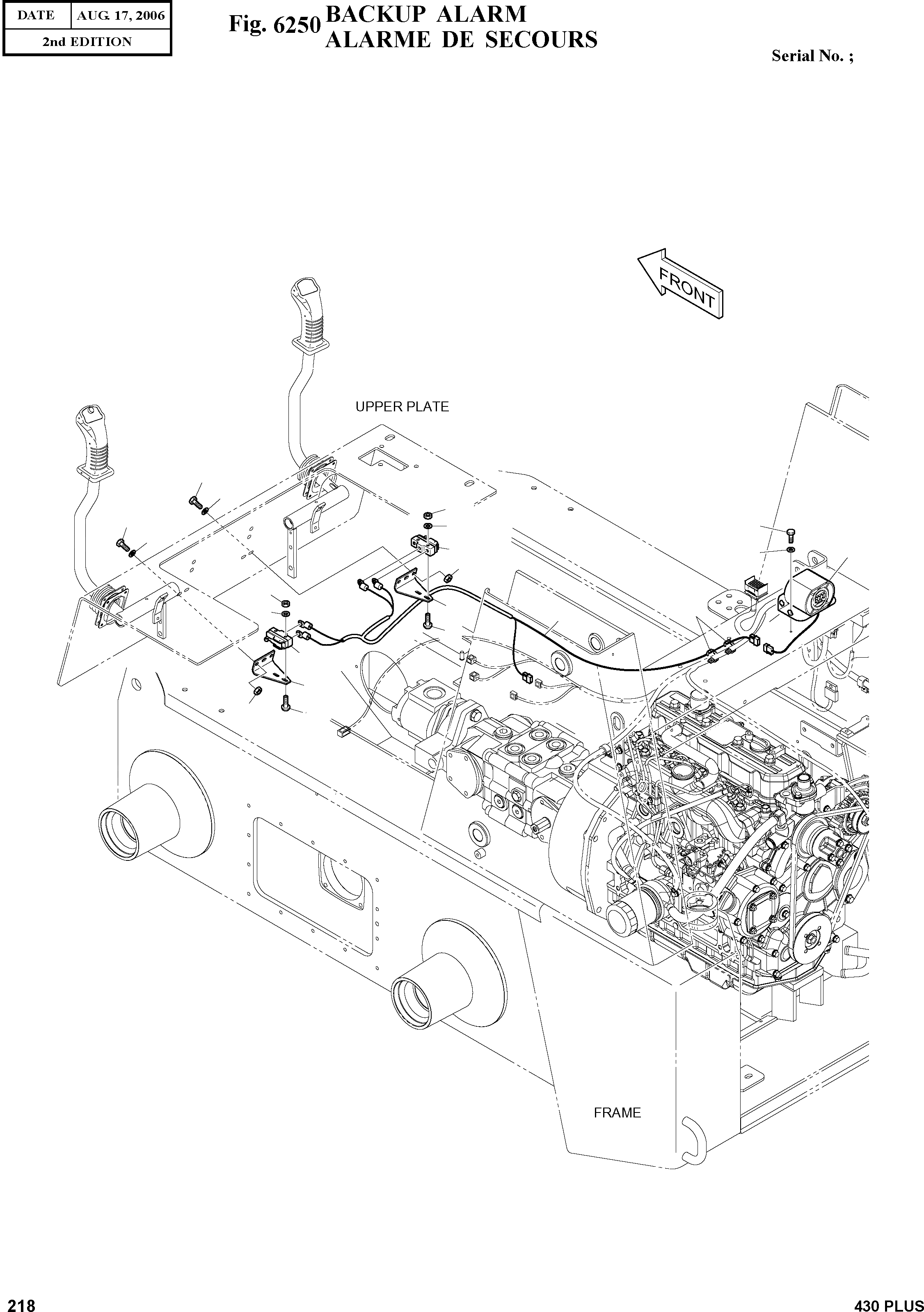
Запчасти Doosan Daewoo BACKUP ALARM OPTIONAL PARTS

2
3
6
2
2
7
3
10
9
3
4
6
12
8
7
1
5
9
8
4
5
FIT
1:1
100%

Артикул

Название

Примечание

Количество

-

K1023403

BACKUP ALARM ASS'Y

SC: D

-2шт.

1

K1020768

HARNESS;BACKUP

desc: FAISCEAU

1шт.

2

S0504663

BOLT

desc: BOULON A 6 PANS

6шт.

3

DS0401171

WASHER;HARDENED

desc: RONDELLE

6шт.

4

S4016333

NUT

desc: ECROU

4шт.

5

S3450403

SCREW

desc: VIS

4шт.

6

S4010033

NUT

desc: ECROU

4шт.

7

S5000003

WASHER

desc: RONDELLE

4шт.

8

K1019897

BRACKET

desc: SUPPORT

2шт.

9

K1023015

SWITCH;LIMIT

desc: INTERRUPTEUR

2шт.

10

K1023019

ALARM;SMART

desc: ALARME

1шт.

12

K1022971

CLIP;BAND

desc: ATTACHE

2шт.

Выбрано товаров: 0