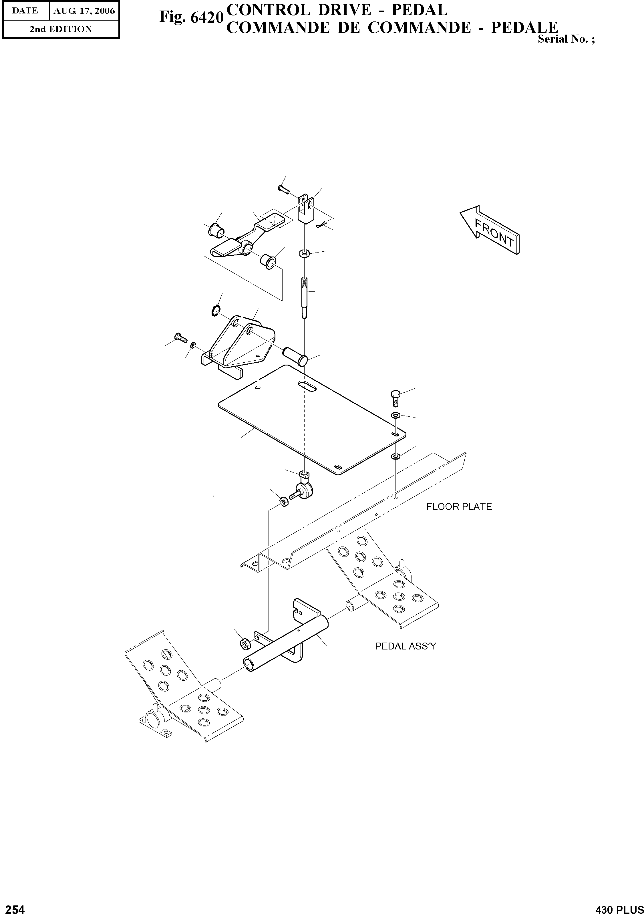
Запчасти Doosan Daewoo CONTROL DRIVE - PEDAL OPTIONAL PARTS

23
24
37
30
22
37
29
38
32
31
39
36
40
46
21
41
47
33
35
34
2
FIT
1:1
100%

Артикул

Название

Примечание

Количество

-

K1020734

CHANGEOVER

SC: D

-2шт.

2

K1020733

PEDAL;MIDDLE

desc: PEDALE

1шт.

21

K1023146

WASHER;HARDENED

desc: RONDELLE

3шт.

22

S180333H

PIN

desc: GOUJON

1шт.

23

S5760301

PIN

desc: GOUJON

1шт.

24

K1019832

YOKE

desc: ETRIER

1шт.

29

S4016733

NUT;WELD

desc: ECROU

1шт.

30

K1020731

PEDAL ASS'Y

desc: PEDALE

1шт.

31

K1021697

BRACKET;PEDAL

desc: SUPPORT

1шт.

32

K1020346

ROD

desc: TIGE

1шт.

33

2138-9008

JOINT;BALL

desc: JOINT SPHERIQUE

1шт.

34

K1019800

NUT;LOCK

desc: ECROU

1шт.

35

K1023123

NUT

desc: ECROU

1шт.

36

K1020190

PIN

desc: GOUJON

1шт.

37

K1019981

SPACER

desc: DOUILLE D'ECARTEMENT

2шт.

38

S6500200

RING

desc: BAGUE

1шт.

39

S0512063

BOLT

desc: BOULON A 6 PANS

2шт.

40

S5100603

WASHER;SPRING

desc: RONDELLE ELASTIQUE

2шт.

41

K1021701

PLATE

desc: PLAQUE

1шт.

46

S0508663

BOLT

desc: BOULON A 6 PANS

3шт.

47

K1023144

WASHER

desc: RONDELLE

2шт.

Выбрано товаров: 21