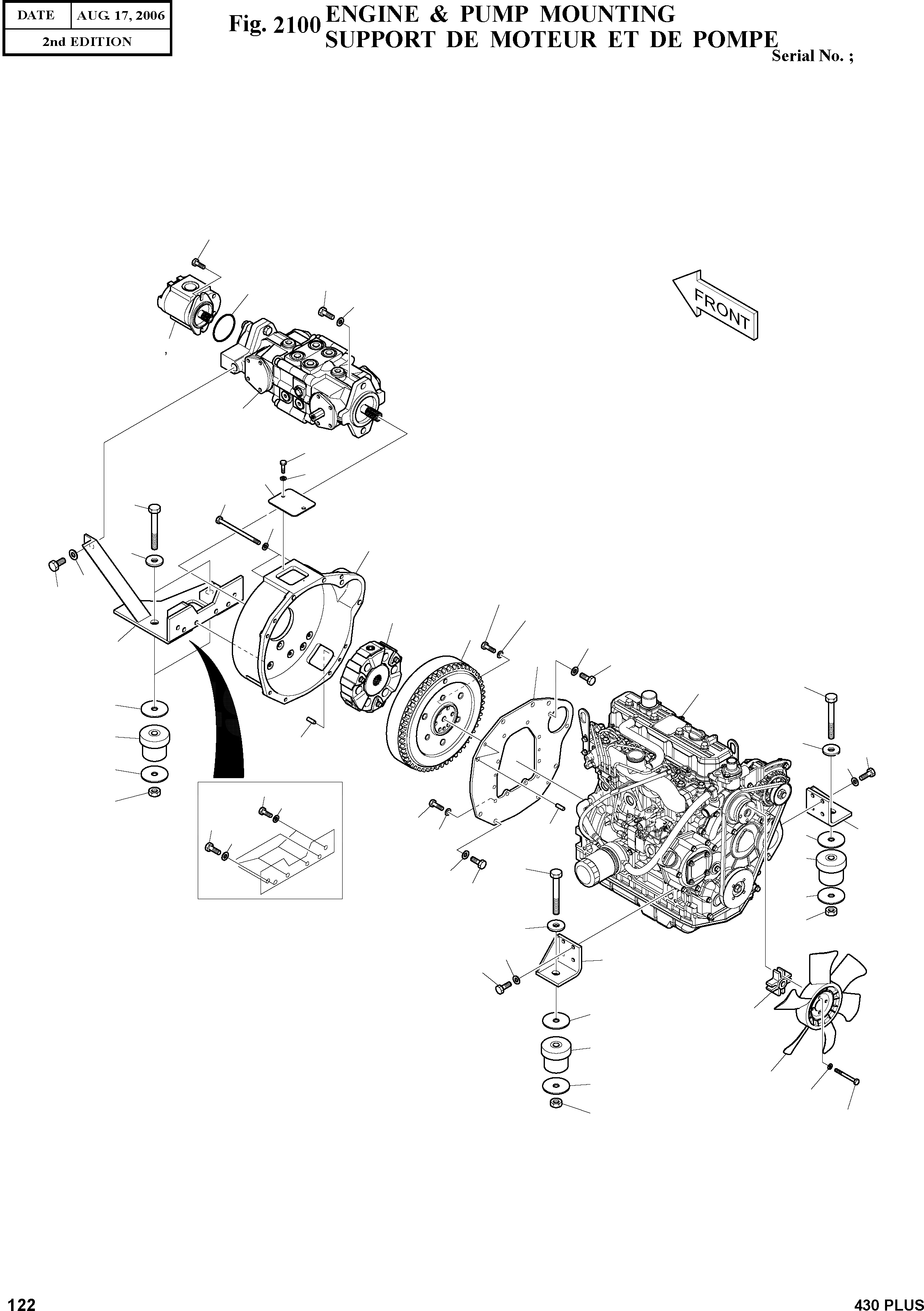
Запчасти Doosan Daewoo ENGINE & PUMP MOUNTING UNDER STRUCTURE

27A
29
5
28
9
27
1
8
11
4
6
18
10
2
22
9
23
35
26
3
36
9
16
37
38
18
13
25
17
22
12
19
26
25
19
26
20
19
19
12
25
15
21
26
17
18
10
7
25
20
22
26
14
19
25
34
17
30
25
33
20
32
FIT
1:1
100%

Артикул

Название

Примечание

Количество

-

K1021300

ENGINE & PUMP ASS'Y

SC: D

-2шт.

1

K1022689

PUMP;HST

desc: POMPE DE HST

1шт.

2

K1022363

HOUSING;FLYWHEEL

desc: BOITIER

1шт.

3

K1022343

COUPLING;PUMP

desc: ACCOUPLEMENT

1шт.

4

K1022332

PLATE

desc: PLAQUE

1шт.

5

K1023112

BOLT

desc: BOULON A 6 PANS

2шт.

6

S0562453

BOLT

desc: BOULON A 6 PANS

2шт.

7

S0515063

BOLT

desc: BOULON A 6 PANS

6шт.

8

S0504363

BOLT

desc: BOULON A 6 PANS

2шт.

9

K1023145

WASHER;HARDENED

desc: RONDELLE

5шт.

10

DS0401100

WASHER;HARDENED

desc: RONDELLE

8шт.

11

DS0401171

WASHER;HARDENED

desc: RONDELLE

2шт.

12

K1022329

PIN;DOWEL

desc: GOUJON

2шт.

13

K1022355

ENGINE ASS'Y

desc: ENSEMBLE MOTEUR

1шт.

14

K1021317

BRACKET(L.H)

desc: SUPPORT

1шт.

15

K1021319

BRACKET(R.H)

desc: SUPPORT

1шт.

16

K1022338

BRACKET

desc: SUPPORT

1шт.

17

K1019666

RUBBER;MOUNT

desc: CAOUTCHOUC

4шт.

18

S0522453

BOLT

desc: BOULON A 6 PANS

4шт.

19

S0512063

BOLT

desc: BOULON A 6 PANS

24шт.

20

K1023120

NUT;LOCK

desc: ECROU

4шт.

21

K1023136

WASHER;HARDENED

desc: RONDELLE

2шт.

22

2114-1816A

WASHER;HARD

desc: RONDELLE

4шт.

23

K1023104

BOLT

desc: BOULON A 6 PANS

1шт.

25

DS0401119

WASHER;HARDENED

desc: RONDELLE

8шт.

26

K1023147

WASHER;HARDENED

desc: RONDELLE

28шт.

27

K1022504

PUMP;GEAR

desc: POMPE A ENGRENAGE

1шт.

27A

K1022688

SEAL KIT

desc: . KIT D'ETANCHEITE

1шт.

28

K1022682

O-RING;SEAL

desc: JOINT TORIQUE

1шт.

29

K1022505

SCREW

desc: VIS

2шт.

30

K1022359

FAN;COOLING

desc: VENTILATEUR

1шт.

32

S0556163

BOLT

desc: BOULON A 6 PANS

4шт.

33

K1023146

WASHER;HARDENED

desc: RONDELLE

4шт.

34

K1022362

SPACER;FAN

desc: BAGUE D'ECARTEMENT

1шт.

35

S0758263

BOLT

desc: BOULON A 6 PANS

6шт.

36

K1022354

FLYWHEEL

desc: VOLANT

1шт.

37

K1022396

PLATE;BACK

desc: PLAQUE

1шт.

38

S0515263

BOLT

desc: BOULON A 6 PANS

2шт.

Выбрано товаров: 38