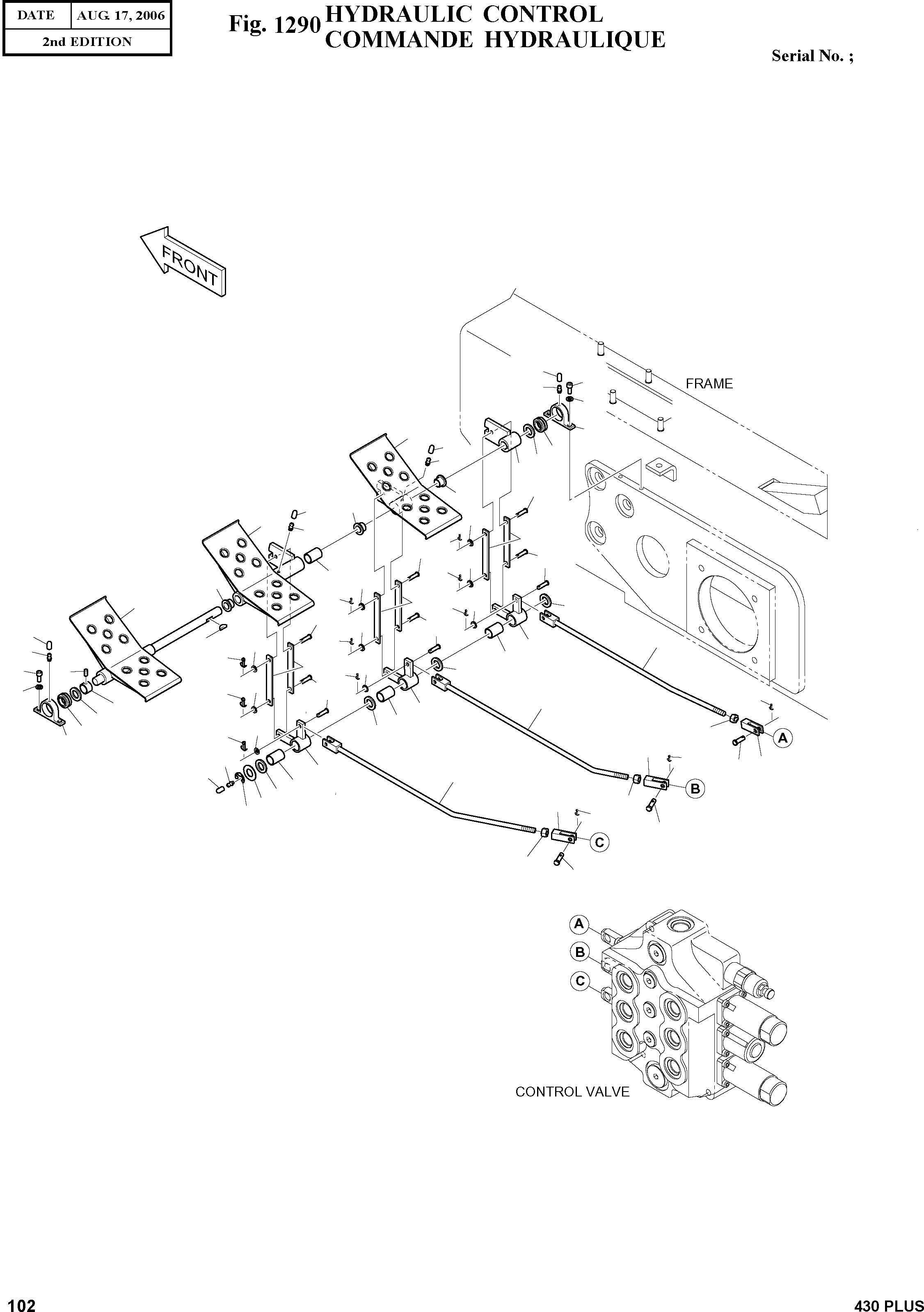
Запчасти Doosan Daewoo HYDRAULIC CONTROL UPPER STRUCTURE

25
12
19
21
11
3
25
26
19
8
4
20
28
28
25
21
2
19
13
22
20
20
21
22
9
21
28
22
21
13
1
22
8
20
21
20
25
15
22
5
21
14
19
22
27
21
13
12
8
7
22
21
20
22
21
22
16
6
14
8
27
21
29
22
8
26
11
24
19
22
24
23
25
17
14
27
8
24
29
10
18
22
23
29
23
FIT
1:1
100%

Артикул

Название

Примечание

Количество

-

K1020292

CONTROL;HYD

SC: D

-2шт.

1

K1020298

PEDAL

desc: PEDALE

1шт.

2

K1020300

PEDAL

desc: PEDALE

1шт.

3

K1019968

PEDAL

desc: PEDALE

1шт.

4

K1019969

PLATE

desc: PLAQUE

1шт.

5

K1019762

KEY;WOODRUFF

desc: CLAVETTE WOODRUFF

1шт.

6

K1019763

COLLAR

desc: COLLIER

1шт.

7

K1023127

SCREW;SET

desc: VIS

1шт.

8

K1019765

SPACER

desc: DOUILLE D'ECARTEMENT

4шт.

9

K1019766

BUSHING

desc: DOUILLE

1шт.

10

DS0401113

WASHER

desc: RONDELLE

1шт.

11

K1019807

BOSS

desc: PATRON

2шт.

12

S2208863

BOLT

desc: BOULON A 6 PANS

4шт.

13

K1019772

LINK

desc: PIECE DE JONCTION

6шт.

14

K1019767

LINK

desc: PIECE DE JONCTION

3шт.

15

K1020493

ROD

desc: TIGE

1шт.

16

K1020495

ROD

desc: TIGE

1шт.

17

K1020497

ROD

desc: TIGE

1шт.

18

K1019736

RING;RETAINING

desc: RONDELLE DE RETENUE

1шт.

19

K1019735

NIPPLE;GREASE

desc: GRAISSEUR

5шт.

20

S5760232

PIN

desc: GOUJON

9шт.

21

K1023146

WASHER;HARDENED

desc: RONDELLE

13шт.

22

S180333H

PIN

desc: GOUJON

12шт.

23

S5760301

PIN

desc: GOUJON

3шт.

24

K1019832

YOKE

desc: ETRIER

3шт.

25

K1019808

CAP;GREASE NIPPLE

desc: CHAPEAU

5шт.

26

K1022261

BEARING;SPHERICAL

desc: PALIER

2шт.

27

K1019773

BUSHING

desc: DOUILLE

3шт.

28

K1022262

BUSHING

desc: DOUILLE

3шт.

29

S4016733

NUT

desc: ECROU

3шт.

Выбрано товаров: 0