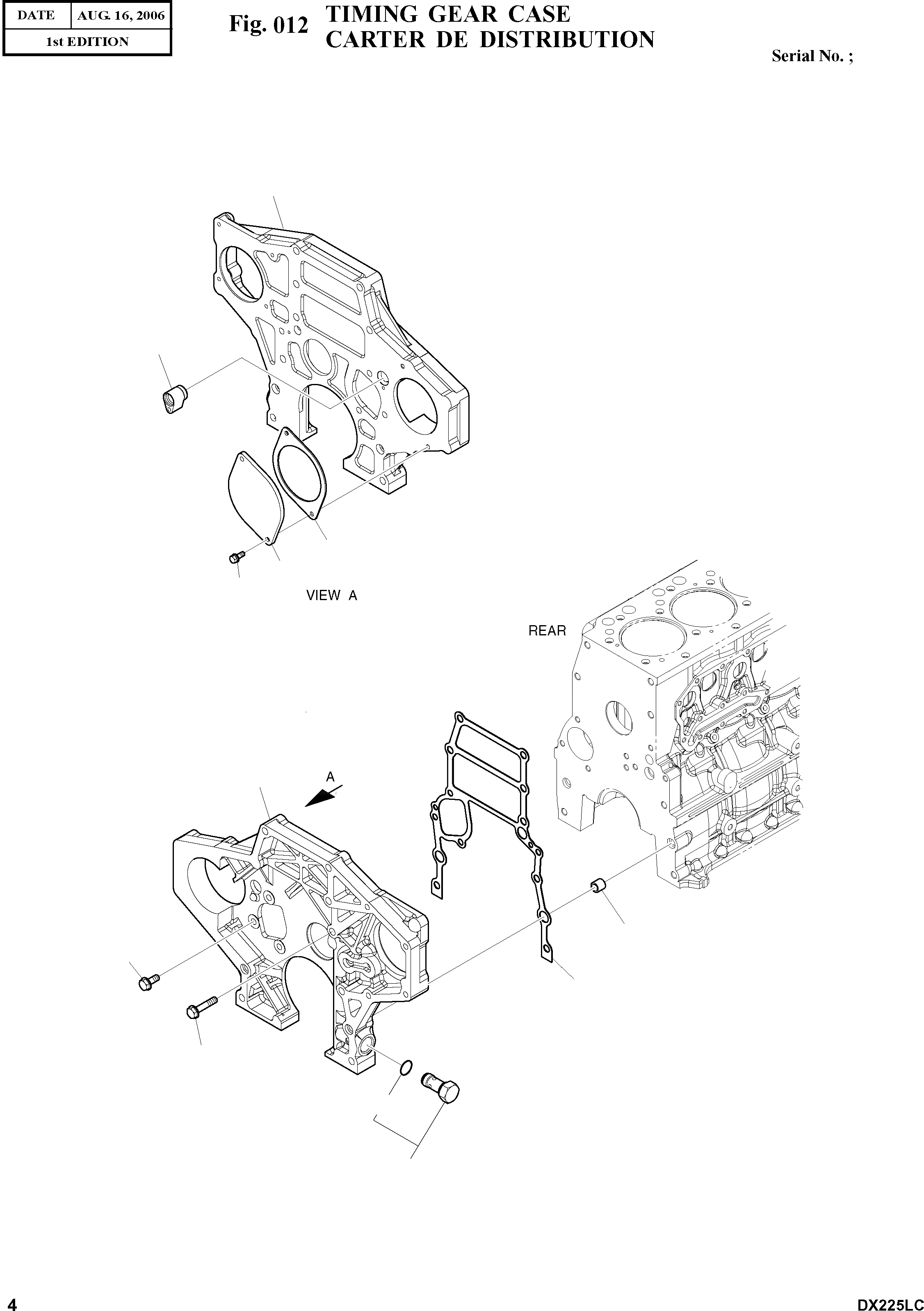
Запчасти Doosan Daewoo TIMING GEAR CASE ENGINE PARTS

1
6
10
9
11
1
2
4
3
5
8
7
FIT
1:1
100%

Артикул

Название

Примечание

Количество

1

65.01304-0029

CASE;TIMING GEAR

desc: CARTER

1шт.

2

65.91710-0016

RING;STOPPER

desc: RESSORT

2шт.

3

65.01903-0034

GASKET

desc: JOINT

1шт.

4

65.90020-0063B

BOLT;HEX M10X25

desc: BOULON A 6 PANS

3шт.

5

65.90020-0080

BOLT;COLLARED HEX

desc: BOULON A 6 PANS

1шт.

6

65.98130-0241

ADAPTER

desc: ADAPTEUR

1шт.

7

65.05401-5032

RELIEF VALVE ASS'Y

desc: SOULAGEMENT VANNE

1шт.

8

65.96501-0074

O-RING

desc: . JOINT TORIQUE

1шт.

9

65.91601-0011

COVER

desc: COUVERCLE

1шт.

10

65.38901-0018A

GASKET;PTO

desc: JOINT

1шт.

11

06.01943-3318

BOLT ASS'Y M12X1.5X35

desc: BOULON A 6 PANS

2шт.

Выбрано товаров: 11