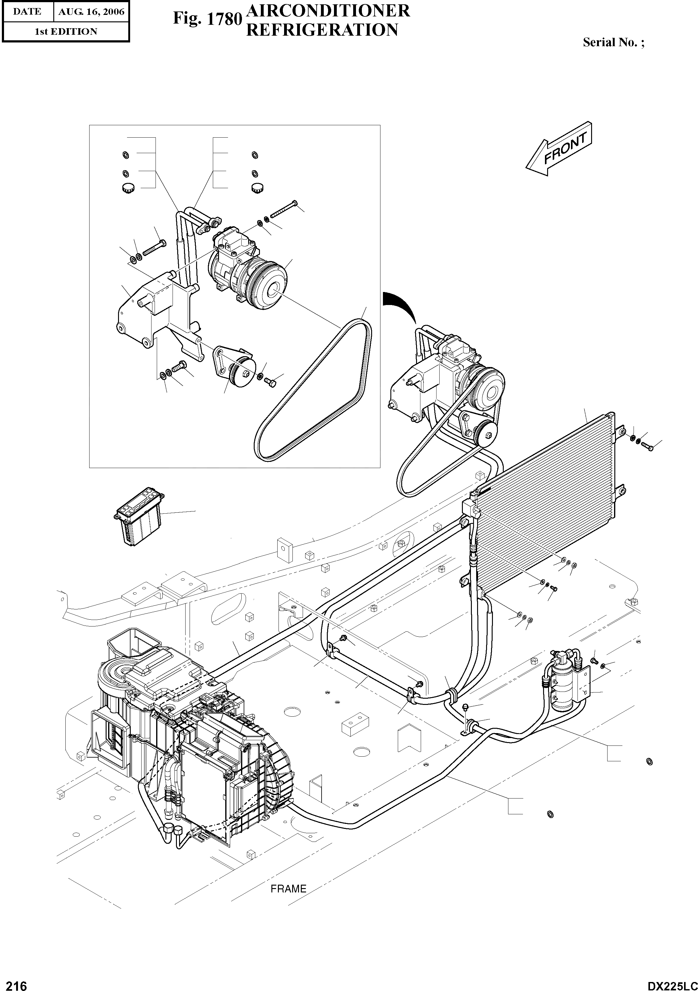
Запчасти Doosan Daewoo AIRCONDITIONER BODY PARTS

26A
26B
26
27
13
6
7
14
15
8
12
28A
5
33
18
17
9
10
11
16
19
22
21
20
1
29A
25
24
23
27
3
32
4
31
30
32
2
26
32
30
30
28
29
26C
27A
27B
27C
36
35
34
36
35
34
FIT
1:1
100%

Артикул

Название

Примечание

Количество

-

K1008716C

ASSEMBLY;AIR CONDITIONER

SC: D

-2шт.

1

543-00107

CONTROL PANEL;AIR CON

desc: PANNEAU

1шт.

2

2204-6039A

RECEIVER DRIER

desc: RESERVOIR DESSICATEUR

1шт.

3

S0508666

BOLT

desc: BOULON

2шт.

4

S5102503

WASHER;SPRING

desc: RONDELLE ELASTIQUE

2шт.

5

K1008482B

BRACKET;COMPRESSOR

desc: SUPPORT

1шт.

6

S0558966

BOLT

desc: BOULON

1шт.

7

S5102603

WASHER;SPRING

desc: RONDELLE ELASTIQUE

1шт.

8

S5010613

WASHER;PLAIN

desc: RONDELLE PLATE

1шт.

9

S0786366

BOLT

desc: BOULON

2шт.

10

S5102703

WASHER;SPRING

desc: RONDELLE ELASTIQUE

2шт.

11

S5010713

WASHER

desc: RONDELLE

2шт.

12

2208-6013B

COMPRESSOR

desc: COMPRESSEUR

1шт.

13

S0557166

BOLT

desc: BOULON

4шт.

14

S5102503

WASHER;SPRING

desc: RONDELLE ELASTIQUE

4шт.

15

S5010513

WASHER

desc: RONDELLE

4шт.

16

2107-6006

PULLEY ASS'Y;IDLE

desc: POULIE

1шт.

17

S0512066

BOLT

desc: BOULON

2шт.

18

S5102603

WASHER;SPRING

desc: RONDELLE ELASTIQUE

2шт.

19

520-00004

CONDENSER;AIR CON

desc: CONDENSER;AIRCON

1шт.

20

S0509366

BOLT

desc: BOULON

4шт.

21

S5102503

WASHER;SPRING

desc: RONDELLE ELASTIQUE

4шт.

22

2114-1058D29

WASHER

desc: RONDELLE

4шт.

23

S0504666

BOLT

desc: BOULON

1шт.

24

S5010303

WASHER

desc: RONDELLE

1шт.

25

2114-1058D52

WASHER

desc: RONDELLE

1шт.

26

K1008516B

HOSE;DISCHARGE

desc: TUYAU FLEXIBLE

1шт.

26A

2180-6088

O-RING;DISCHARGE(COMP)

desc: . JOINT TORIQUE

1шт.

26B

K1011384

O-RING(CONDENSER)

desc: . JOINT TORIQUE

1шт.

26C

1.161-00018

CAP;CHECK PORT

desc: . CHAPEAU

1шт.

27

K1008517A

HOSE;SUCTION

desc: TUYAU FLEXIBLE

1шт.

27A

2180-6086

O-RING;SUCTION(COMP)

desc: . JOINT TORIQUE

1шт.

27B

K1011385

O-RING(EVAPORATOR)

desc: . JOINT TORIQUE

1шт.

27C

1.161-00019

CAP;CHECK PORT

desc: . CHAPEAU

1шт.

28

K1008518B

HOSE;LIQUID(1)

desc: TUYAU FLEXIBLE

1шт.

28A

K1011388

O-RING

desc: . JOINT TORIQUE

2шт.

29

K1001280C

HOSE;LIQUID(2)

desc: TUYAU FLEXIBLE

1шт.

29A

K1011388

O-RING

desc: . JOINT TORIQUE

2шт.

30

124-00208D3

CLIP

desc: CLIP

3шт.

31

124-00209D1

CLIP

desc: CLIP

1шт.

32

K1001029

BOLT

desc: BOULON

4шт.

33

2106-1019D25

V-BELT;POLY 4PK-1210L

desc: COURROIE

1шт.

34

S4012303

NUT

desc: ECROU

2шт.

35

S5102303

WASHER;SPRING

desc: RONDELLE ELASTIQUE

2шт.

36

S5000313

WASHER;PLAIN

desc: RONDELLE PLATE

2шт.

Выбрано товаров: 0