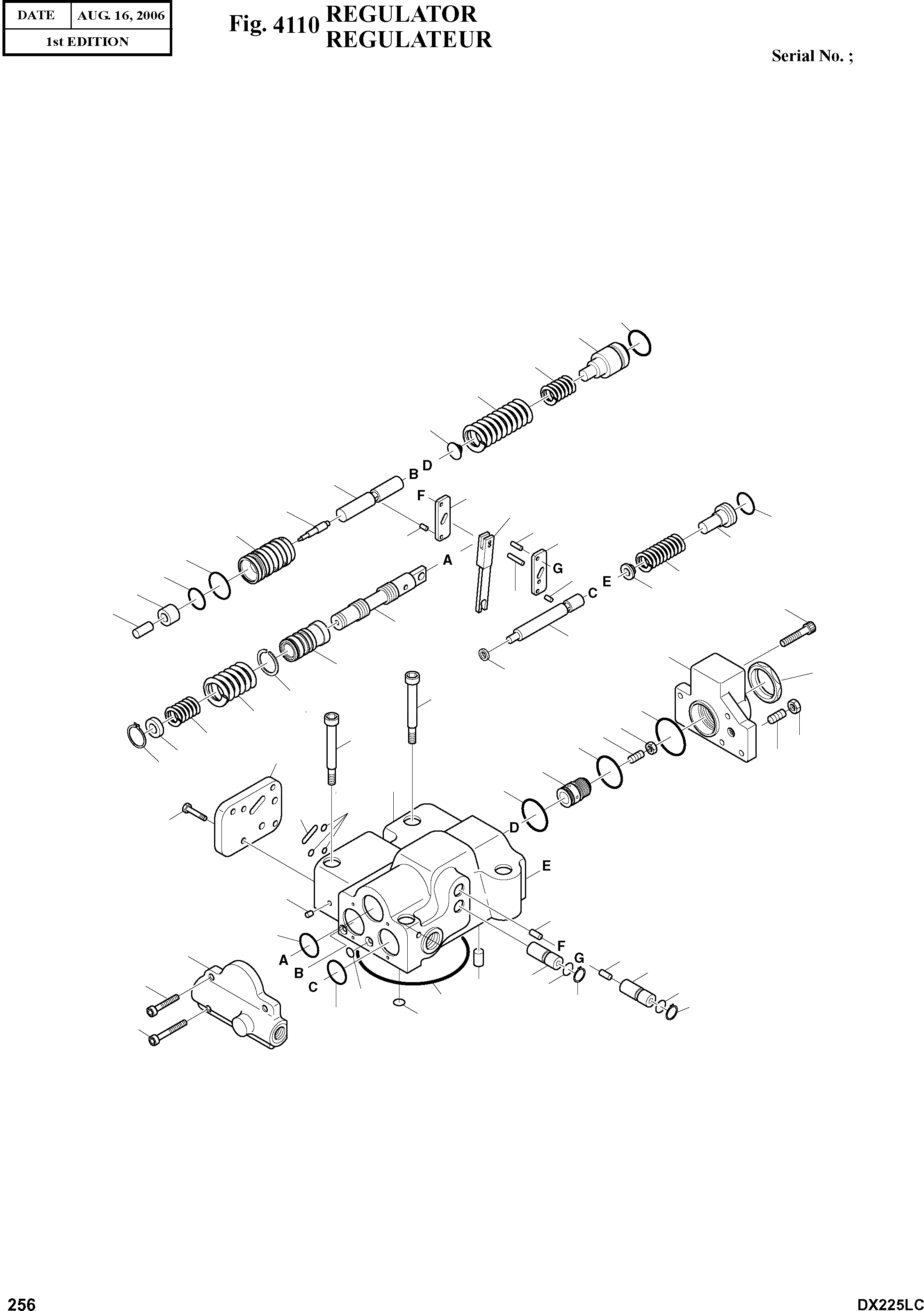
Запчасти Doosan Daewoo REGULATOR HYDRAULIC PARTS

732
627
626
625
624
623
612
621
611
728
874
622
613
876
645
733
732
876
646
631
644
897
438
898
652
643
629
651
630
730
412
836
763
655
801
925
413
654
801
756
656
653
924
628
814
601
756
722
735
438
496
875
734
875
641
614
615
438
755
887
755
725
708
858
858
730
724
436
FIT
1:1
100%

Артикул

Название

Примечание

Количество

-

K9001833

REGULATOR ASS'Y

desc: REDUCTEUR

2шт.

412

S2209661

BOLT;SOCKET

desc: BOULON DE PLOT

2шт.

413

S2210071

BOLT;SOCKET

desc: BOULON DE PLOT

2шт.

436

S2205261

BOLT;SOCKET

desc: BOULON DE PLOT

2шт.

438

S2204861

BOLT;SOCKET

desc: BOULON DE PLOT

10шт.

496

181-00318

PLUG

desc: BOUCHON

5шт.

601

1.402-00055

CASING(A)

SC: D

1шт.

611

1.357-00014

LEVER;FEEDBACK(A)

SC: D

1шт.

612

1.357-00005

LEVER 1(A)

SC: D

1шт.

613

1.357-00008

LEVER 2(B)

SC: D

1шт.

614

1.181-00136

PLUG;CENTER(A)

SC: D

1шт.

615

1.181-00090

PLUG;ADJUST(A)

SC: D

1шт.

621

1.409-00189

PISTON;COMPEN

SC: D

1шт.

622

1.402-00036

CASE;PISTON

SC: D

1шт.

623

1.428-00208

ROD;COMPEN

SC: D

1шт.

624

1.131-00165

SEAT;SPRING(C)

SC: D

1шт.

625

1.131-00143

SPRING;OUTER

SC: D

1шт.

626

1.131-00139

SPRING;INNER

SC: D

1шт.

627

K9001834

RING;ADJUST(C)

SC: D

1шт.

628

K9001835

SCREW;ADJUST(C)

SC: D

1шт.

629

K9001836

COVER C(A)

SC: D

1шт.

630

1.121-00044

NUT;LOCK

SC: D

1шт.

631

K9001837

SLEEVE;PF

SC: D

1шт.

641

K9001838

COVER;PILOT

SC: D

1шт.

643

1.409-00204

PISTON;PILOT

SC: D

1шт.

644

1.131-00170

SEAT;SPRING(Q)

SC: D

1шт.

645

1.115-00171

RING;ADJUST(Q)

SC: D

1шт.

646

1.131-00157

SPRING;PILOT

SC: D

1шт.

651

1.425-00001

SLEEVE

SC: D

1шт.

652

1.424-00038

SPOOL(A)

SC: D

1шт.

653

1.131-00166

SEAT;SPRING

SC: D

1шт.

654

1.131-00160

SPRING;RETURN

SC: D

1шт.

655

1.131-00172

SPRING;SET

SC: D

1шт.

656

1.430-00017

COVER

SC: D

1шт.

708

S8010755

O-RING

SC: K

1шт.

722

S8000061

O-RING

SC: K

3шт.

724

S8000085

O-RING

SC: K

9шт.

725

S8000111

O-RING

SC: K

1шт.

728

S8000181

O-RING

SC: K

1шт.

730

S8000221

O-RING

SC: K

1шт.

732

S8000161

O-RING

SC: K

1шт.

733

S8000201

O-RING

SC: K

1шт.

734

S8010251

O-RING

SC: K

1шт.

735

S8002721

O-RING

SC: K

1шт.

755

S8000111

O-RING

SC: K

2шт.

756

S8000261

O-RING

SC: K

1шт.

763

S8010351

O-RING

SC: K

1шт.

801

S4012533

NUT

desc: ECROU

2шт.

814

S6500100

RING;SNAP

desc: BAGUE

1шт.

836

1.115-00366

RING;STOP

SC: D

1шт.

858

S6510150

RING;SNAP

desc: BAGUE

2шт.

874

1.123-00007

PIN

desc: GOUPILLE

1шт.

875

1.123-00012

PIN(A)

SC: D

2шт.

876

1.123-00014

PIN(A)

SC: D

2шт.

887

1.123-00009

PIN

SC: D

1шт.

897

1.123-00016

PIN(A)

SC: D

1шт.

898

K9001839

PIN

SC: D

1шт.

924

S3524008

SCREW;SET

desc: VIS

1шт.

925

120-00199

SCREW;ADJUST(Qi)

desc: VIS

1шт.

Выбрано товаров: 59