Запчасти Doosan Daewoo ENGINE MOUNTING BODY PARTS

27
25
17
18
41
3
30
18
1
27
27
25
25
25
26
17
17
18
19
30
41
19
25
3
18
26
27
25
26
25
17
19
19
25
26
FIT
1:1
100%

Артикул

Название

Примечание

Количество

-

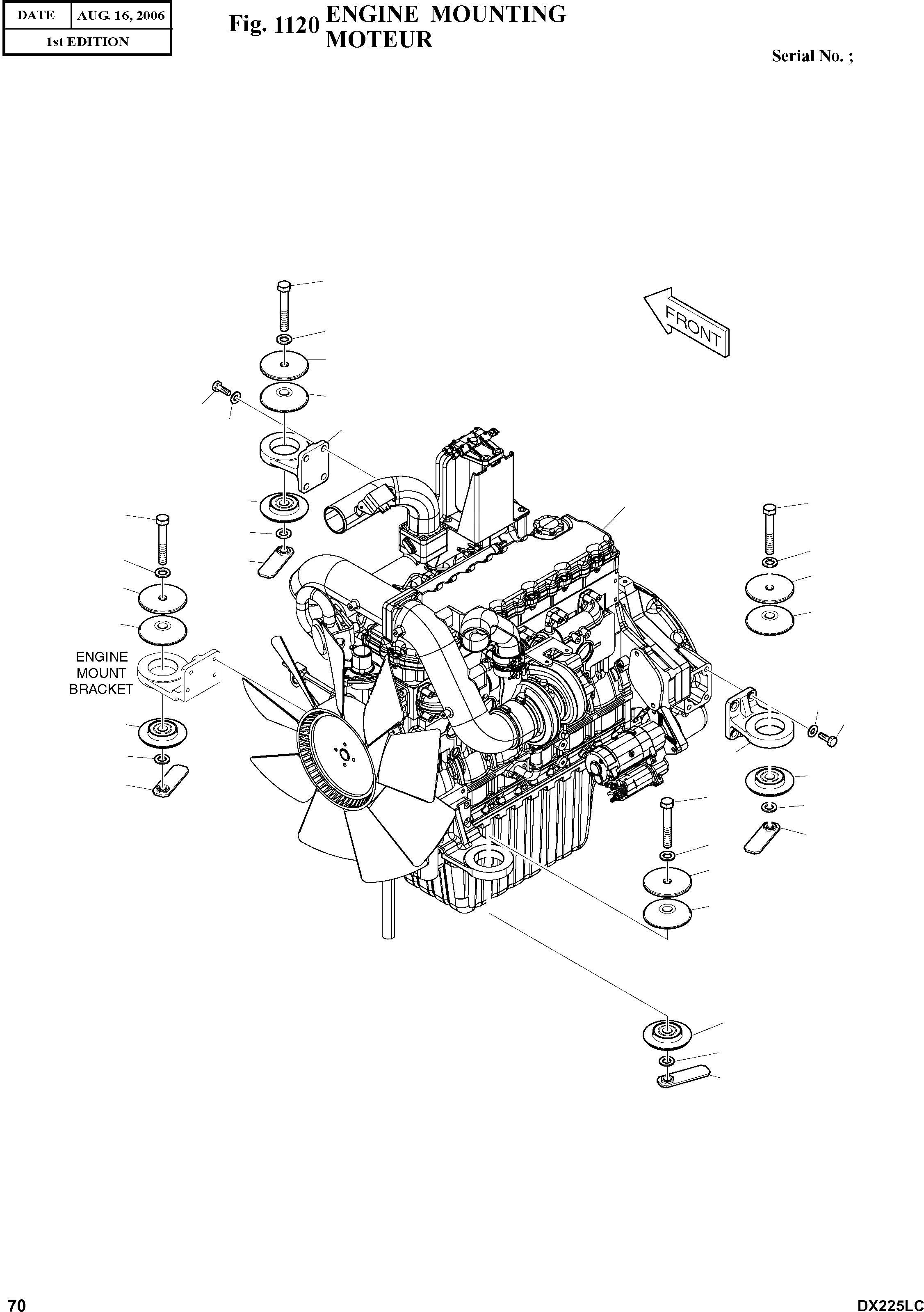
K1015513C

ENGINE ASS'Y

SC: D

-2шт.

1

K1015516

ENGINE

desc: MOTEUR

1шт.

3

K1005228

BRACKET;ENGINE MOUNT

desc: SUPPORT

2шт.

17

2114-1929

WASHER

desc: RONDELLE

4шт.

18

161-00548

RUBBER;E/G MOUNT

desc: CAOUTCHOUC

4шт.

19

161-00550

RUBBER;E/G MOUNT

desc: CAOUTCHOUC

4шт.

25

2114-9012A

WASHER;HARD

desc: RONDELLE ELASTIQUE

8шт.

26

195-02643C

SUPPORT;NUT

desc: SUPPORT

4шт.

27

S0771466

BOLT

desc: BOULON

4шт.

30

S5102903

WASHER;SPRING

desc: RONDELLE ELASTIQUE

8шт.

41

S0521566

BOLT

desc: BOULON

8шт.

Выбрано товаров: 11