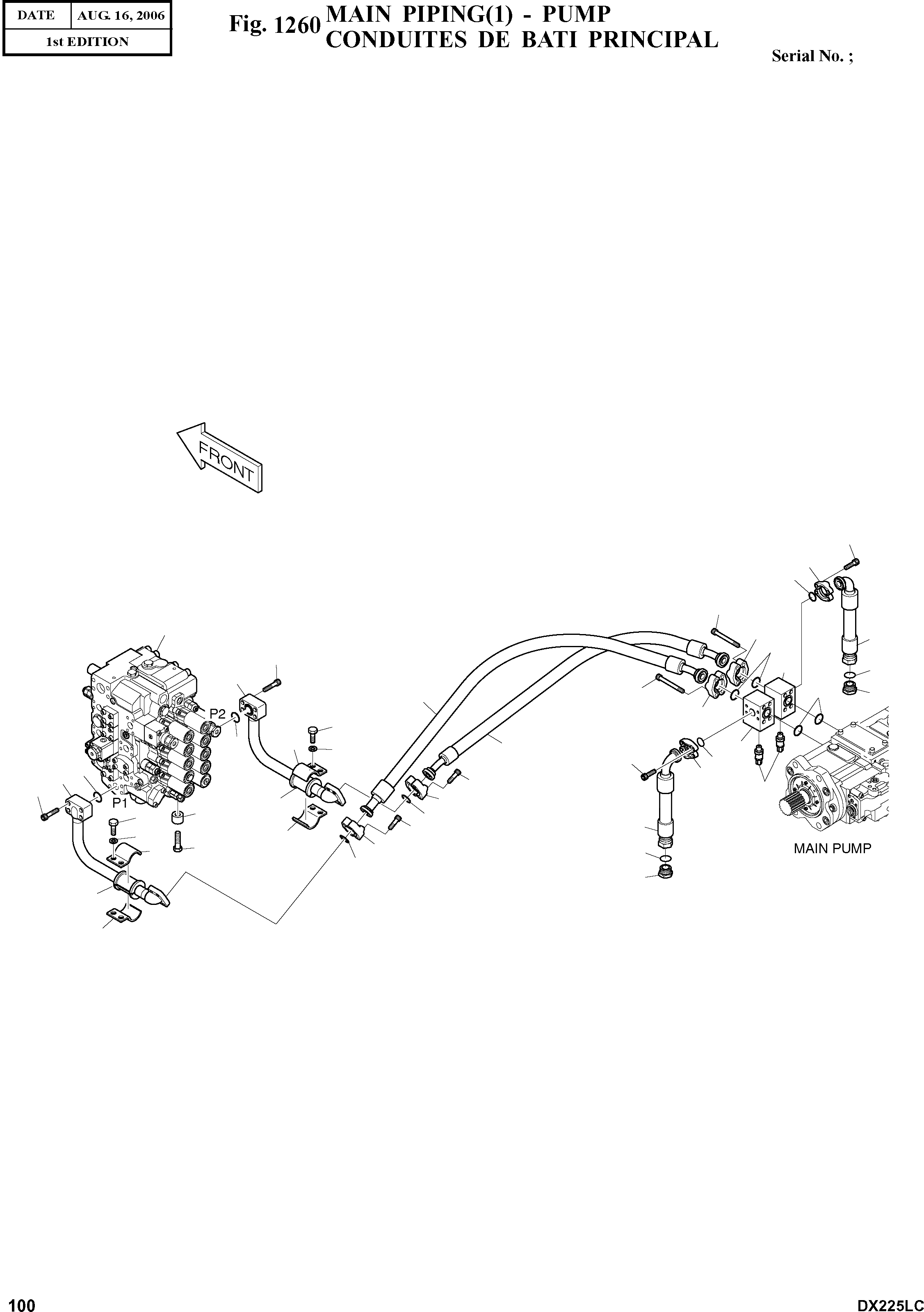
Запчасти Doosan Daewoo MAIN PIPING(1) - PUMP BODY PARTS

50
29
59
72
1
28
74
59
51
71
75
2
59
76
20
72
28
45
34
59
21
56
70
50
59
59
29
3
47
41
51
28
35
36
45
59
73
47
34
56
46
28
34
75
59
76
35
34
FIT
1:1
100%

Артикул

Название

Примечание

Количество

-

400-01461L

MAIN PIPING(1)

SC: D

-2шт.

1

K1025391

CONTROL VALVE

desc: PANNEAU

1шт.

2

140-01484B

PIPE

desc: TUYAU

1шт.

3

140-01485B

PIPE

desc: TUYAU

1шт.

20

DS2097005

HOSE

desc: TUYAU FLEXIBLE

1шт.

21

DS2097012

HOSE

desc: TUYAU FLEXIBLE

8шт.

28

2181-9081

FLANGE;SPLIT

desc: BRIDE

8шт.

29

2181-9078

FLANGE;SPLIT

desc: BRIDE

4шт.

34

124-00218

CLAMP

desc: ATTACHE

4шт.

35

161-00281

RUBBER

desc: CAOUTCHOUC

2шт.

36

114-00425

SPACER

desc: ENTRETOISE

4шт.

41

2547-9045

SENSOR;PRESSURE

desc: CAPTEUR

2шт.

45

S0562766

BOLT

desc: BOULON

4шт.

46

S0565466

BOLT

desc: BOULON

4шт.

47

S2215466

BOLT;SOCKET

desc: BOULON DE PLOT

8шт.

50

S2212266

BOLT;HEX

desc: BOULON A 6 PANS

8шт.

51

S2215766

BOLT;HEX

desc: BOULON A 6 PANS

8шт.

56

S5102803

WASHER;SPRING

desc: RONDELLE ELASTIQUE

4шт.

59

2180-1026D19

O-RING

desc: JOINT TORIQUE

10шт.

70

K1006396A

BLOCK

desc: BLOC

1шт.

71

K1007164A

BLOCK

desc: BLOC

1шт.

72

S2217066

BOLT;SOCKET

desc: BOULON DE PLOT

8шт.

73

DS2018100

HOSE

desc: TUYAU FLEXIBLE

1шт.

74

DS2018100

HOSE

desc: TUYAU FLEXIBLE

1шт.

75

S8030161

O-RING

desc: JOINT TORIQUE

2шт.

76

2181-2218D6

PLUG

desc: BOUCHON

2шт.

Выбрано товаров: 26