Качественные детали и логистика
Оригинальные и аналоговые запчасти с доставкой по России, Казахстану и Беларуси
©2022 PartSell ООО "Система" ИНН 2463123282 ОГРН 1212400004838
Центральный офис: г. Красноярск, Академика Киренского, д.87, пом.4
Телефон: 8 (800) 777-65-74 Email: zakaz@partsell.ru
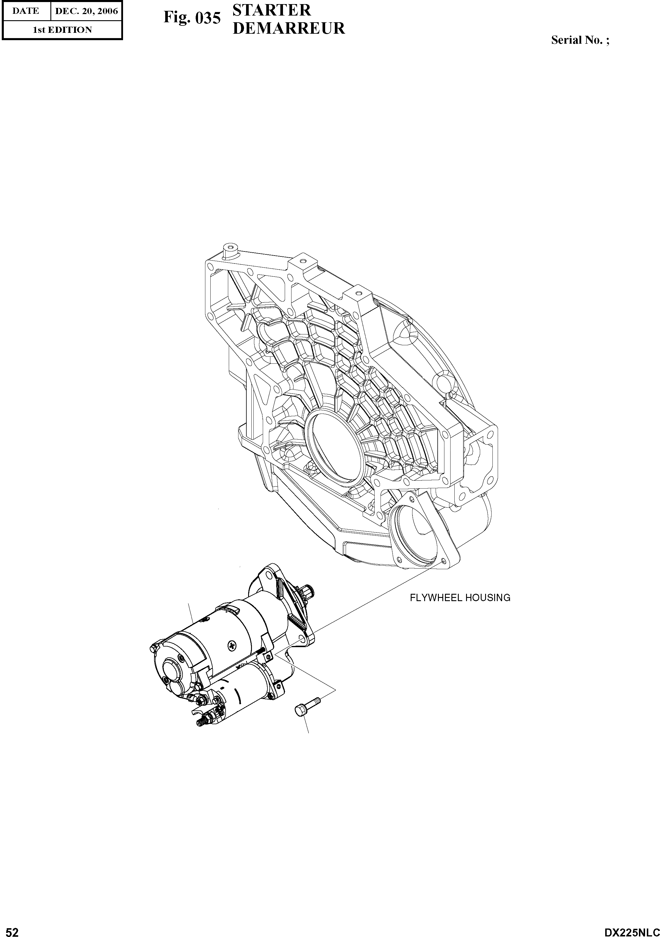
STARTER
№
Артикул
Название
Примечание
Количество
1
65.26201-7075A
desc: D'MARREUR
1шт.
2
06.01953-3318
BOLT ASS'Y M12X1.5X35
desc: BOULON
3шт.
Выбрано товаров: 0