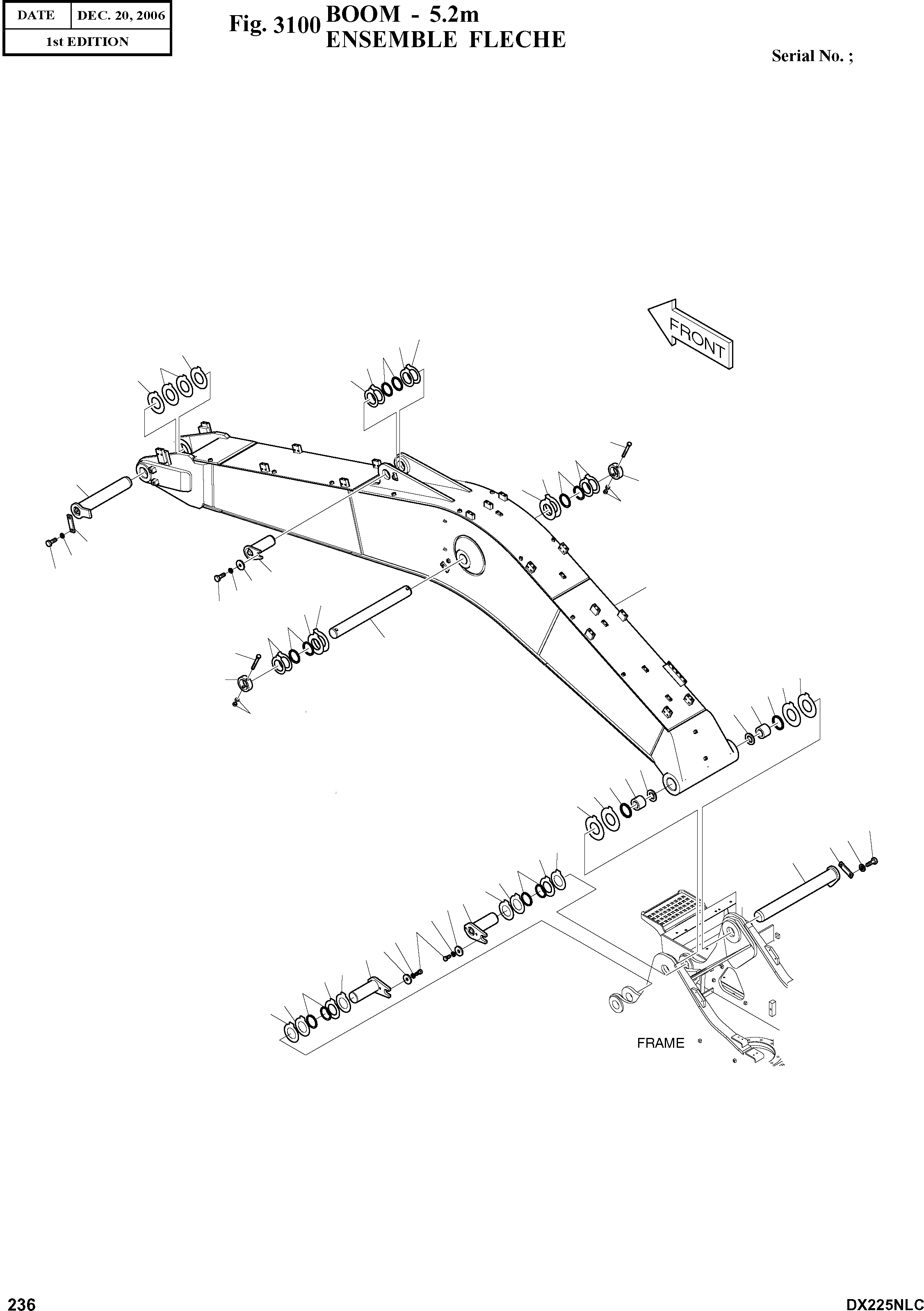
Запчасти Doosan Daewoo BOOM - 5.2M FRONT PARTS

1A
1A
23
13
12
11
27
13
12
23
8
26
11
25
5
24
7
9
14
18
17
6
1
16
24
18
25
17
11
26
4
8
22
7
12
10
9
10
12
22
17
18
14
23
13
2
11
13
23
3
16
18
17
18
16
3
23
13
11
13
23
1B
1B
FIT
1:1
100%

Артикул

Название

Примечание

Количество

-

K1011444B

BOOM ASS'Y

SC: D

-2шт.

1

K1011445B

BOOM SUB ASS'Y-5.2m

desc: FLECHE

1шт.

1A

K1000732

BUSHING

desc: . DOUILLE

2шт.

1B

2180-1106BD6

SEAL;DUST

desc: . BAGUE D'ETANCHEITE

2шт.

2

2123-2180E

PIN

desc: GOUPILLE

1шт.

3

123-00409

PIN

desc: GOUPILLE

2шт.

4

K1007253

PIN

desc: GOUPILLE

1шт.

5

2123-2185E

PIN

desc: GOUPILLE

1шт.

6

2123-2187C

PIN

desc: GOUPILLE

1шт.

7

2116-1531A

STOPPER

desc: CHAPEAU

2шт.

8

S0567066

BOLT

desc: BOULON

2шт.

9

S4012933

NUT

desc: ECROU

4шт.

10

2180-1106BD6

SEAL;DUST

desc: BAGUE D'ETANCHEITE

2шт.

11

2180-1106BD24

SEAL;DUST

desc: BAGUE D'ETANCHEITE

10шт.

12

DS7752018

SHIM

desc: ENTERTOISE

4шт.

13

DS7752012

SHIM

desc: ENTERTOISE

6шт.

14

621-03710A

PLATE;STOPPER

desc: TAQUET D'ARRET

2шт.

16

2116-1060D6

STOPPER

desc: CHAPEAU

3шт.

17

S0521366

BOLT

desc: BOULON

7шт.

18

S5102903

WASHER;SPRING

desc: RONDELLE ELASTIQUE

7шт.

22

DS7752028

SHIM 2.0t

desc: CALE

2шт.

23

DS7752013

SHIM 1.6t

desc: ANNEAU D'ENTRETOISE

6шт.

24

DS7752026

SHIM 1.0t

desc: ANNEAU D'ENTRETOISE

2шт.

25

DS7752027

SHIM 1.6t

desc: ANNEAU D'ENTRETOISE

2шт.

26

DS7752025

SHIM 1.0t

desc: ANNEAU D'ENTRETOISE

4шт.

27

DS7752017

SHIM 1.0t

desc: ANNEAU D'ENTRETOISE

2шт.

Выбрано товаров: 26