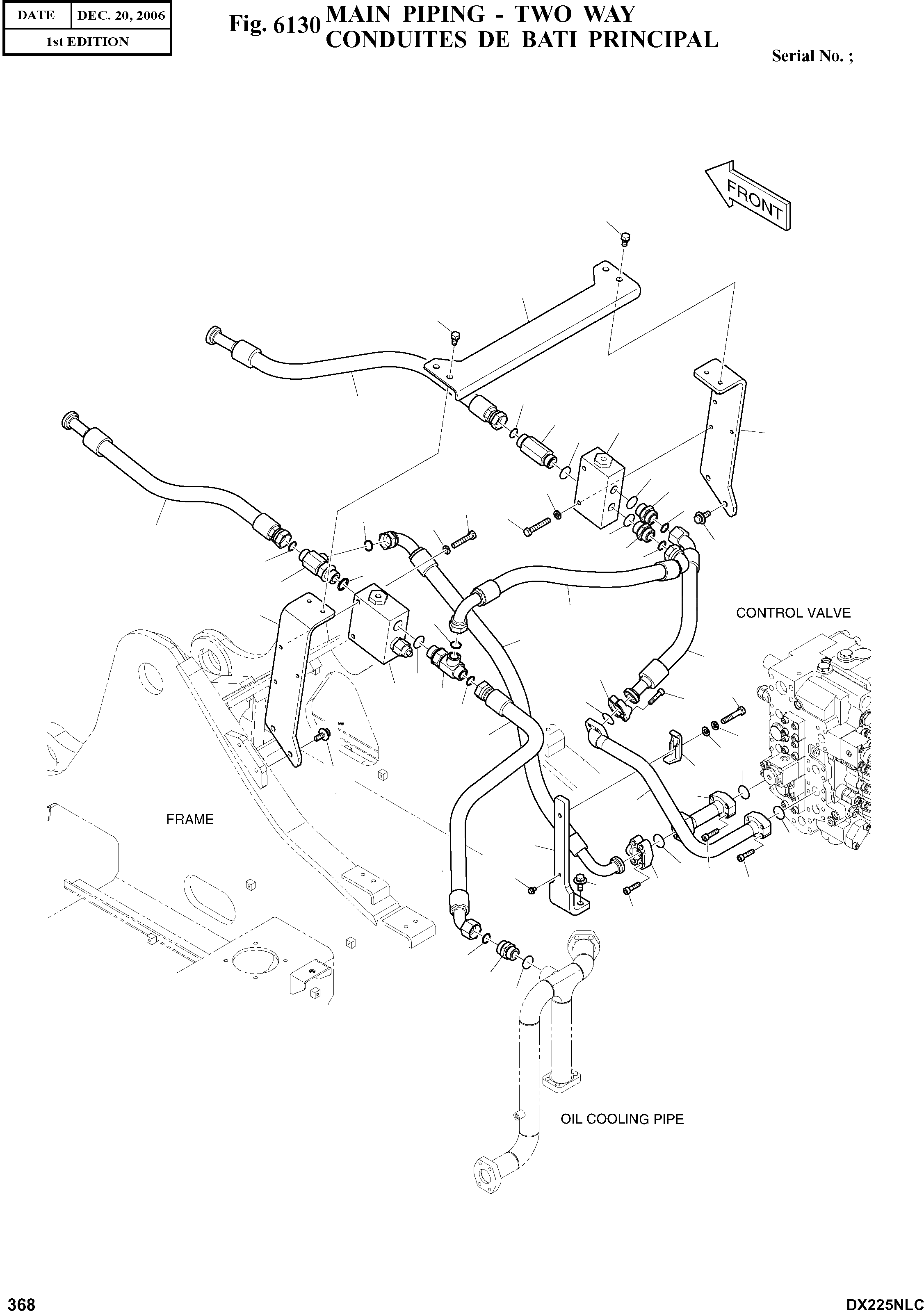
Запчасти Doosan Daewoo MAIN PIPING - TWO WAY OPTIONAL PARTS

43
42
43
19
52
15
2
57
18
18
14
26
19
23
24
19
26
51
18
59
14
19
19
18
16
41
58
56
12
13
20
55
1
22
17
60
21
56
53
26
27
17
59
28
7
6
17
3
17
25
21
21
20
8
21
56
54
55
FIT
1:1
100%

Артикул

Название

Примечание

Количество

-

K1014074C

MAIN PIPING-TWO WAY

SC: D

-2шт.

1

426-00248A

VALVE;SELECT

desc: VANNE

1шт.

2

426-00249A

VALVE;SELECT

desc: VANNE

1шт.

3

195-03438A

BRACKET

desc: SUPPORT

1шт.

6

140-02011A

PIPE

desc: TUYAU

1шт.

7

K1000009A

PIPE

desc: TUYAU

1шт.

8

DS0025020

BOLT;SET

desc: BOULON

2шт.

12

DS2026095

HOSE

desc: TUYAU FLEXIBLE

1шт.

13

DS2082010

HOSE

desc: TUYAU FLEXIBLE

1шт.

14

2181-4133D6

ADAPTER

desc: ADAPTEUR

2шт.

15

DS2232107

ADAPTER

desc: ADAPTEUR

1шт.

16

2181-2293D4

TEE

desc: TE

1шт.

17

2180-1026D19

O-RING

desc: JOINT TORIQUE

4шт.

18

S8000291

O-RING

desc: JOINT TORIQUE

4шт.

19

S8030161

O-RING

desc: JOINT TORIQUE

5шт.

20

2181-9078

FLANGE;SPLIT

desc: BRIDE

4шт.

21

S2212466

BOLT;SOCKET

desc: BOULON

16шт.

22

S0561066

BOLT

desc: BOULON

1шт.

23

S0561466

BOLT

desc: BOULON

2шт.

24

S0561266

BOLT

desc: BOULON

2шт.

25

K1001029

BOLT

desc: BOULON

1шт.

26

S5102703

WASHER;SPRING

desc: RONDELLE ELASTIQUE

5шт.

27

S5010713

WASHER;PLAIN

desc: RONDELLE PLATE

1шт.

28

2124-1026D3

CLAMP

desc: COLLIER

1шт.

41

DS2021080

HOSE

desc: TUYAU FLEXIBLE

1шт.

42

K1000358A

BRACKET

desc: SUPPORT

1шт.

43

DS0025019

BOLT;SET

desc: BOULON

4шт.

51

DS2016055

HOSE

desc: TUYAU FLEXIBLE

1шт.

52

DS2016055

HOSE

desc: TUYAU FLEXIBLE

1шт.

53

DS2012387

HOSE

desc: TUYAU FLEXIBLE

1шт.

54

2181-4133D6

ADAPTER

desc: ADAPTEUR

1шт.

55

S8000291

O-RING

desc: JOINT TORIQUE

2шт.

56

S8030161

O-RING

desc: JOINT TORIQUE

3шт.

57

195-03436B

BRACKET

desc: SUPPORT

1шт.

58

195-03435B

BRACKET

desc: SUPPORT

1шт.

59

DS0025020

BOLT;SET

desc: BOULON

4шт.

60

2181-2293D4

TEE

desc: TE

1шт.

Выбрано товаров: 37