Качественные детали и логистика
Оригинальные и аналоговые запчасти с доставкой по России, Казахстану и Беларуси
©2022 PartSell ООО "Система" ИНН 2463123282 ОГРН 1212400004838
Центральный офис: г. Красноярск, Академика Киренского, д.87, пом.4
Телефон: 8 (800) 777-65-74 Email: zakaz@partsell.ru
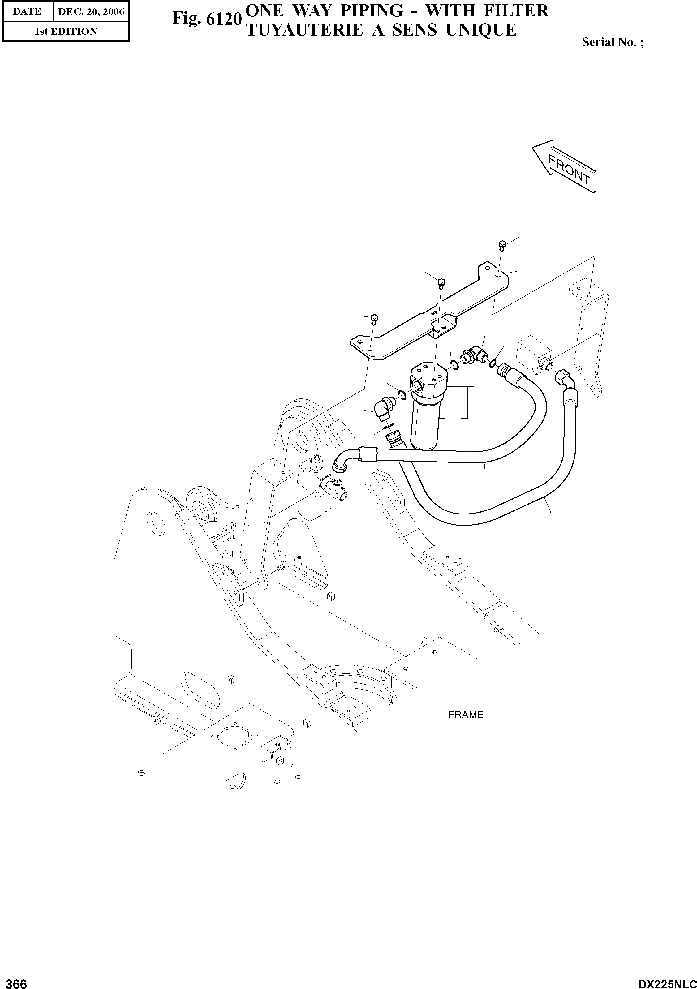
ONE WAY PIPING - WITH FILTER
№
Артикул
Название
Примечание
Количество
-
K1014120A
ONE WAY PIPING-WITH FILTER
SC: D
-2шт.
1
471-00114
FILTER;BREAKER
desc: FILTRE
1шт.
1A
474-00046
ELEMENT;BREAKER FILTER
desc: . ELEMENT
2
2181-2815D1
ELBOW
desc: COUDE
2шт.
3
K1024052
BRACKET
desc: SUPPORT
4
DS2012217
HOSE
desc: TUYAU FLEXIBLE
5
DS2013220
6
DS0025021
BOLT;SET
desc: BOULON
4шт.
7
DS0025018
8
S8030161
O-RING
desc: JOINT TORIQUE
9
S8000291
Выбрано товаров: 0