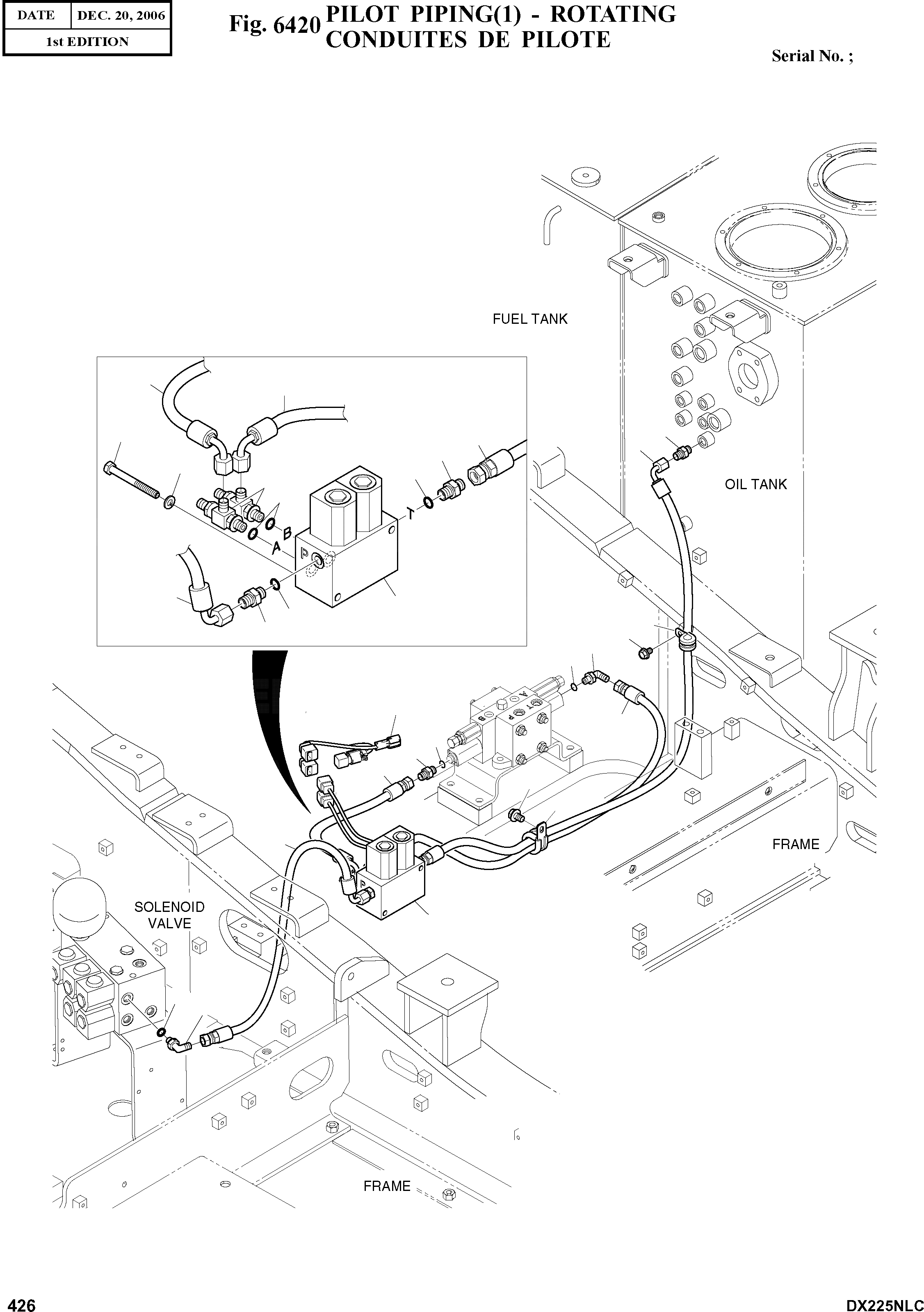
Запчасти Doosan Daewoo PILOT PIPING(1) - ROTATING OPTIONAL PARTS

7
8
3
12
9
9
3
13
2
14
2
6
1
2
10
3
11
4
2
16
8
2
3
7
11
15
6
1
2
4
FIT
1:1
100%

Артикул

Название

Примечание

Количество

-

K1014058A

PILOT PIPING;ROTATING

SC: D

-2шт.

1

426-00247A

VALVE;SOLENOID

desc: VANNE SOLENOIDE

1шт.

2

S8000111

O-RING

desc: JOINT TORIQUE

7шт.

3

2181-1126D14

ADAPTER

desc: ADAPTEUR

4шт.

4

2181-1702D4

ELBOW

desc: COUDE

2шт.

6

DS2093040

HOSE

desc: TUYAU FLEXIBLE

1шт.

7

DS2093027

HOSE

desc: TUYAU FLEXIBLE

1шт.

8

DS2093074

HOSE

desc: TUYAU FLEXIBLE

1шт.

9

DS2093201

HOSE

desc: TUYAU FLEXIBLE

1шт.

10

124-00208D2

CLIP

desc: AGRAFE

1шт.

11

K1001029

BOLT

desc: BOULON

2шт.

12

S0556866

BOLT

desc: BOULON

2шт.

13

S5100503

WASHER;SPRING

desc: RONDELLE ELASTIQUE

2шт.

14

181-00779

TEE;SHUTTLE

desc: TE

2шт.

15

124-00208D4

CLIP

desc: AGRAFE

1шт.

16

K1000817

HARNESS

desc: HARNAIS

1шт.

Выбрано товаров: 16