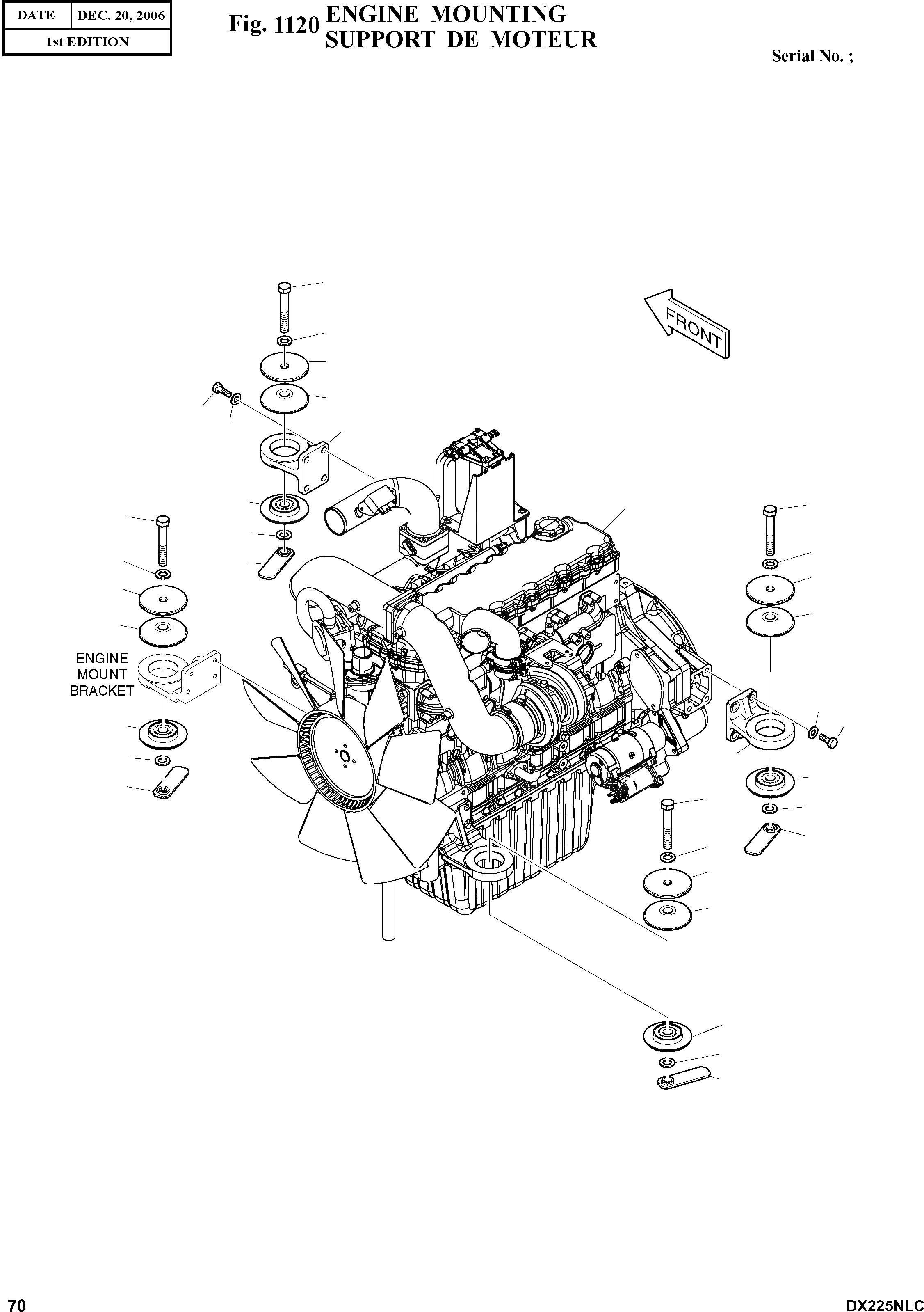
Запчасти Doosan Daewoo ENGINE MOUNTING BODY PARTS

21
19
13
14
31
3
32
14
1
21
21
19
19
19
20
13
13
14
15
32
31
15
19
3
14
20
21
19
20
19
13
15
15
19
20
FIT
1:1
100%

Артикул

Название

Примечание

Количество

-

K1014062C

ENGINE ASS'Y

SC: D

-2шт.

1

K1015516

ENGINE

desc: MOTEUR

1шт.

3

K1005228

BRACKET;ENGINE MOUNT

desc: SUPPORT

2шт.

13

2114-1929

WASHER

desc: CALE

4шт.

14

161-00548

RUBBER;E/G MOUNT

desc: CAOUTCHOUC

4шт.

15

161-00550

RUBBER;E/G MOUNT

desc: CAOUTCHOUC

4шт.

19

2114-9012A

WASHER;HARD

desc: RONDELLE ELASTIQUE

8шт.

20

195-02643C

SUPPORT;NUT

desc: SUPPORT

4шт.

21

S0771466

BOLT

desc: BOULON

4шт.

31

S0521566

BOLT

desc: BOULON

8шт.

32

S5102903

WASHER;SPRING

desc: RONDELLE ELASTIQUE

8шт.

Выбрано товаров: 0