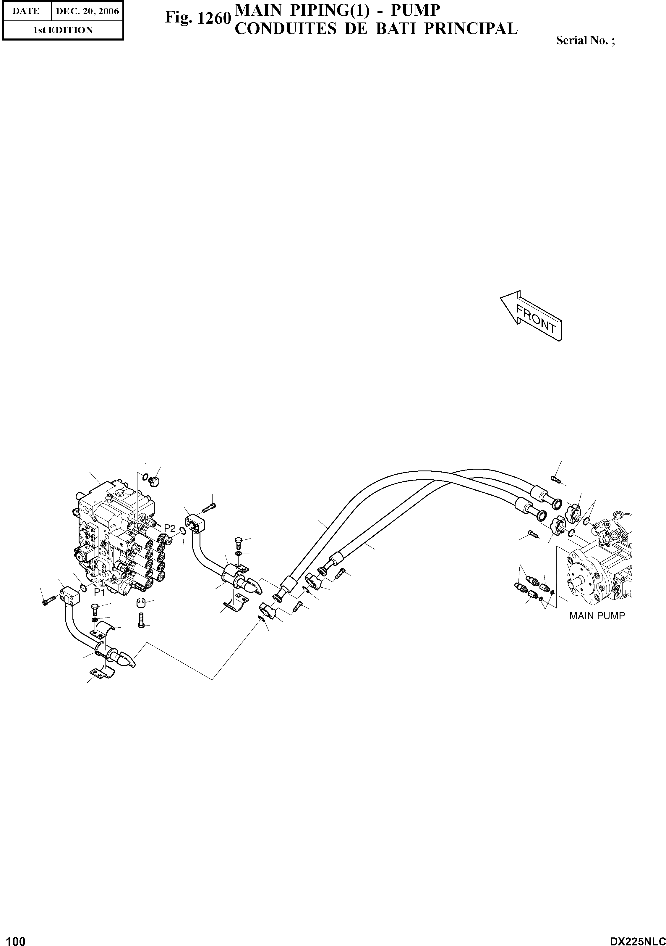
Запчасти Doosan Daewoo MAIN PIPING(1) - PUMP BODY PARTS

80
47
79
1
51
28
59
2
20
45
47
28
34
59
21
56
41
59
77
3
47
51
28
35
36
45
59
77
47
34
78
56
46
28
34
59
35
34
FIT
1:1
100%

Артикул

Название

Примечание

Количество

-

K1013929E

MAIN PIPING(1)

SC: D

-2шт.

1

K1025391

CONTROL VALVE

desc: PANNEAU

1шт.

2

140-01484B

PIPE

desc: TUYAU

1шт.

3

140-01485B

PIPE

desc: TUYAU

1шт.

20

DS2038242

HOSE

desc: TUYAU FLEXIBLE

1шт.

21

DS2038243

HOSE

desc: TUYAU FLEXIBLE

8шт.

28

2181-9081

FLANGE;SPLIT

desc: BRIDE

8шт.

34

124-00218

CLAMP

desc: COLLIER

4шт.

35

161-00281

RUBBER

desc: CAOUTCHOUC

2шт.

36

114-00425

SPACER

desc: BAGUE D'ECARTEMENT

4шт.

41

2547-9045

SENSOR;PRESSURE

desc: CAPTEUR

2шт.

45

S0562766

BOLT

desc: BOULON

4шт.

46

S0565466

BOLT

desc: BOULON

4шт.

47

S2215466

BOLT;SOCKET

desc: BOULON

16шт.

51

S2215766

BOLT;HEX

desc: BOULON A 6 PANS

8шт.

56

S5102803

WASHER;SPRING

desc: RONDELLE ELASTIQUE

4шт.

59

2180-1026D19

O-RING

desc: JOINT TORIQUE

6шт.

77

DS2242015

REDUCER

desc: REDUCTEUR

2шт.

78

S8000141

O-RING

desc: JOINT TORIQUE

2шт.

79

2181-1950D9

PLUG

desc: BOUCHON

1шт.

80

S8000291

O-RING

desc: JOINT TORIQUE

1шт.

Выбрано товаров: 21