Запчасти Doosan Daewoo MAIN PIPING(3) - ARM. BUCKET BODY PARTS

104
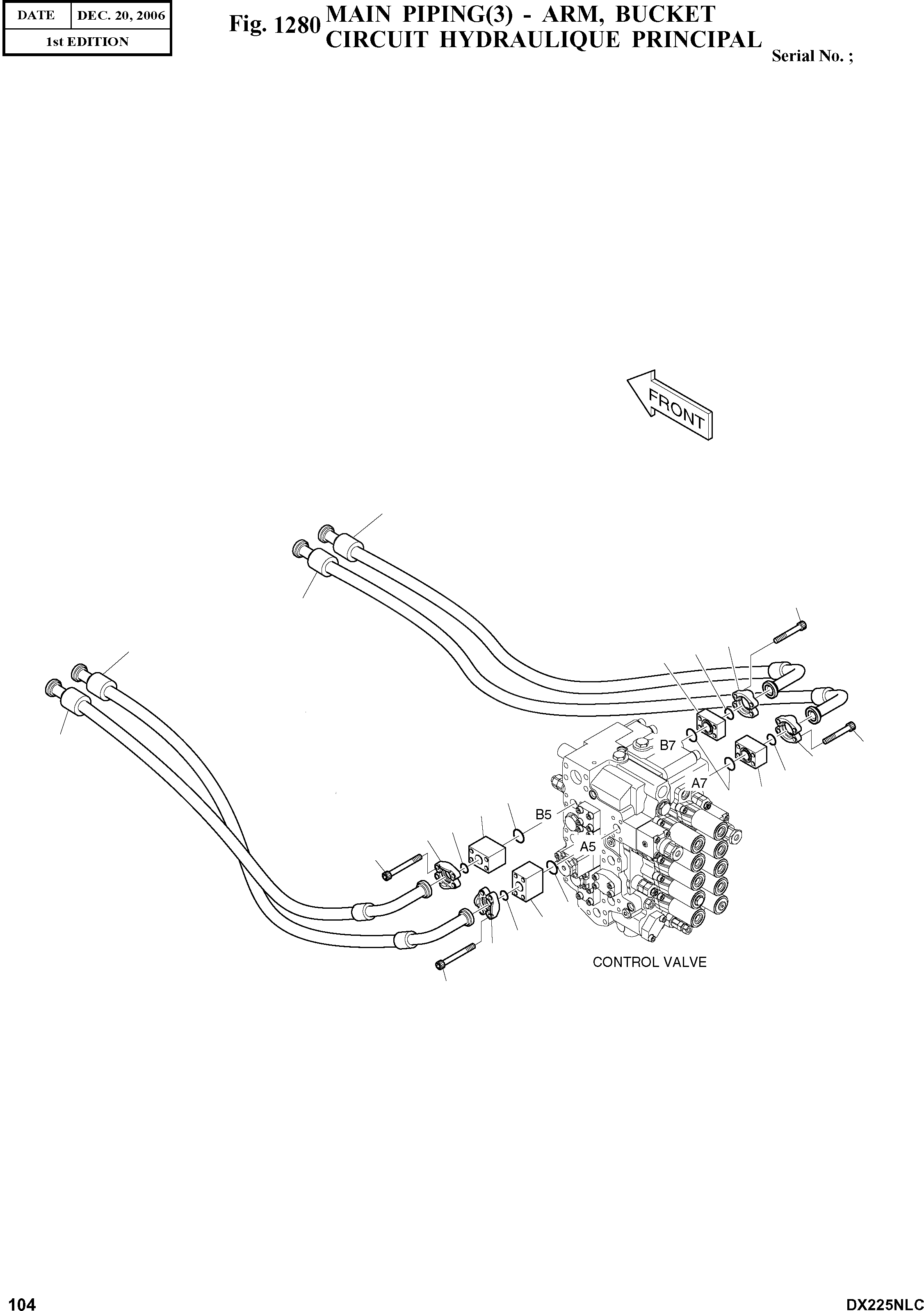
52
103
29
102
59
26
101
53
29
59
59
37
59
25
59
29
48
59
25
59
29
48
FIT
1:1
100%

Артикул

Название

Примечание

Количество

-

K1013929E

MAIN PIPING(3)

SC: D

-2шт.

25

2181-2170

BLOCK;SPACER

desc: BLOC

2шт.

26

2423-1407

BLOCK;SPACER

desc: BLOC

1шт.

29

2181-9078

FLANGE;SPLIT

desc: BRIDE

8шт.

37

2181-2614

BLOCK;SPACER

desc: BLOC

1шт.

48

S2213466

BOLT;SOCKET

desc: BOULON

8шт.

52

S2212866

BOLT;SOCKET

desc: BOULON

4шт.

53

S2213066

BOLT;SOCKET

desc: BOULON

4шт.

59

2180-1026D19

O-RING

desc: JOINT TORIQUE

8шт.

101

DS2040469

HOSE

desc: TUYAU FLEXIBLE

1шт.

102

DS2040470

HOSE

desc: TUYAU FLEXIBLE

1шт.

103

DS2040472

HOSE

desc: TUYAU FLEXIBLE

1шт.

104

DS2040471

HOSE

desc: TUYAU FLEXIBLE

1шт.

Выбрано товаров: 13