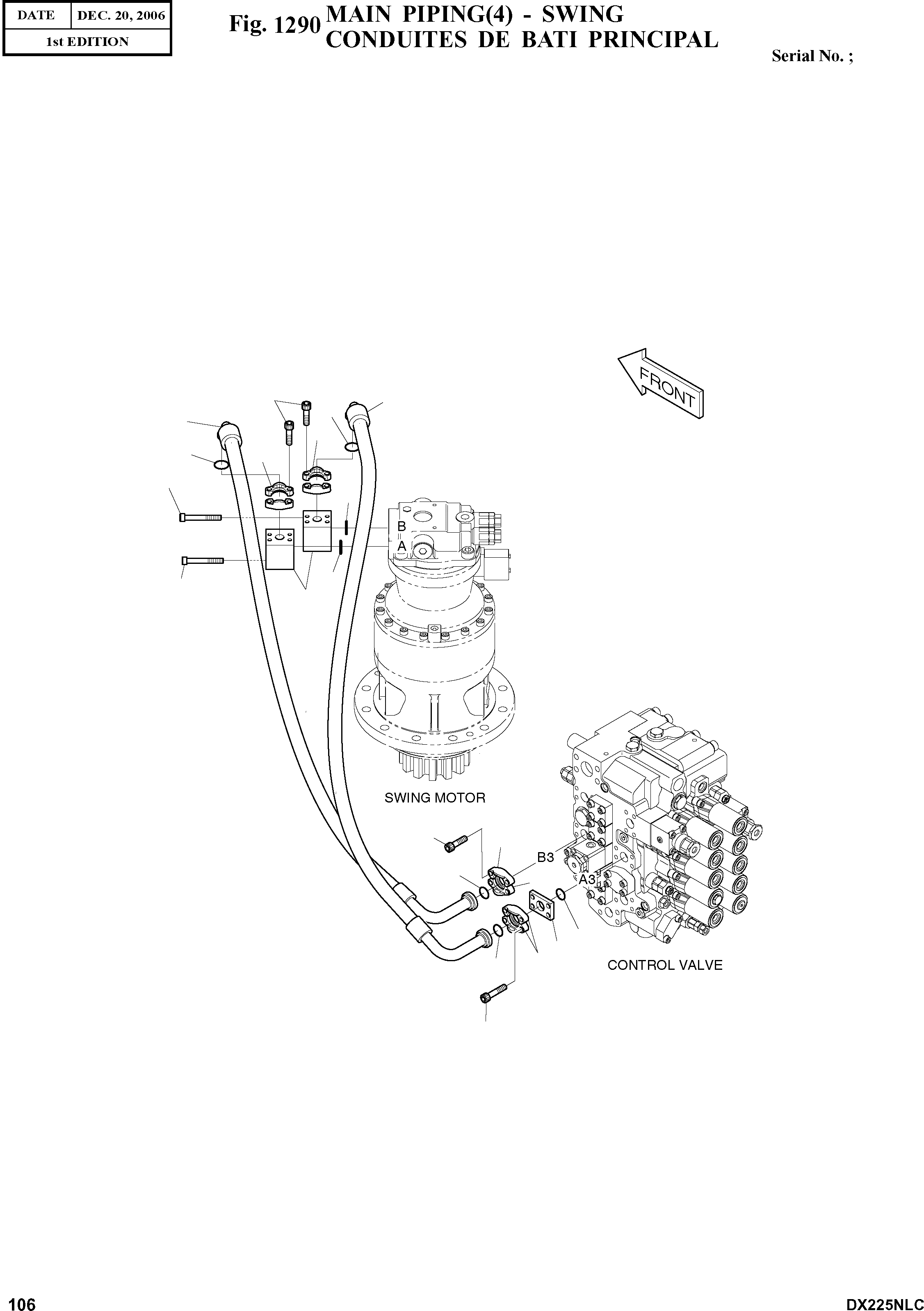
Запчасти Doosan Daewoo MAIN PIPING(4) - SWING BODY PARTS

11
50
58
10
30
58
30
62
58
58
62
24
50
31
59
29
59
27
29
59
49
FIT
1:1
100%

Артикул

Название

Примечание

Количество

-

K1013929E

MAIN PIPING(4)

SC: D

-2шт.

10

DS2045435

HOSE

desc: TUYAU FLEXIBLE

1шт.

11

DS2045436

HOSE

desc: TUYAU FLEXIBLE

1шт.

24

423-00202

BLOCK

desc: BLOC

2шт.

27

423-00199

BLOCK;SPACER

desc: BLOC

1шт.

29

2181-9078

FLANGE;SPLIT

desc: BRIDE

3шт.

30

2181-9079

FLANGE;SPLIT

desc: BRIDE

4шт.

31

2181-9083

FLANGE;SPLIT

desc: BRIDE

1шт.

49

S2212466

BOLT;SOCKET

desc: BOULON

4шт.

50

S2212266

BOLT;SOCKET

desc: BOULON

12шт.

58

2180-1026D2

O-RING

desc: JOINT TORIQUE

4шт.

59

2180-1026D19

O-RING

desc: JOINT TORIQUE

3шт.

62

S2213166

BOLT;SOCKET

desc: BOULON

8шт.

Выбрано товаров: 13